由于可携式产品愈来愈多,因此对于音效播出的功能要求也就愈被要求能够达到高音质输出的能力,事实上,目前在市场上有相当多的音效语音解决方案,然而经过更新技术的加持,使得这些音效语音编译码的输出能力,已经不亚于CD的质量,甚至于如果内建高阶处理器的话,还能够提供包括数字模拟转换、除错、以及系统控制等功能。
不过从基本的架构上来看,对于数字音讯数据处理而言,现在所内建的各种功能都并不是绝对备需要的,因为这些作业都可以利用一个或多个数字接口,藉由外部强大的处理器来进行,但是因为成本与轻薄应用的考虑之下,有些业者采取的策略便是把处理器内建于音效语音编译码芯片之中,至于孰优孰劣就是视个人见解来决定了。
依据不同的应用 选择各式各样的编解碼技术
虽然,内建的处理器可以在芯片内部进行更高阶的运算处理,但是对于输出音质来说,还是需要新一代的技术来支持。目前最常被使用的便是脉冲编码调变(PCM)压缩技术,这是PCM技术是常见的数据格式,采用二进制的数字取样方式,最常用于未经过压缩的音讯数据,不过由于高质量音讯需要比较高包括速率和长度的取样,所以对于PCM技术来说,取样速率大多为48kHz。
而误差脉冲编码调变(DPCM)的压缩技术,由于只有两个连续取样的差异,因此不管原始数据的分辨率是多高,DPCM技术一律使用4位来储存,所以在数据上,会有一定程度的损耗。
新一代的误差脉冲编码调变压缩技术ADPCM,基本上是从DPCM技术演化过来的,所以工作原理是和DPCM技术相似,两者做大的差异是,ADPCM技术能够预测后续取样值,也就是说,当进行一系列取样之后,ADPCM技术经过运算分析,可以预测下一个取样的值,然后在判定与实际值之间的差异性,这样的技术需要较为高阶的微处理器来协助运算。
A Law PCM与u LawPCM的技术,基本上和PCM技术相同,对于数据来说都是有一定程度的损耗,不过Law PCM采用的是非线性量化技术,并且取样的方式是利用低振幅取样,可以将取样降低到8位,位率为64kbit/s。能够表现的准确度更高,当然,也可使用高质量的16位线性量化语音取样,这样还能减少更多的取样位数。目前A Law PCM与u Law PCM的编解碼技术,被相当广泛的应用,差别是,美日体系的应用是以u Law PCM技术为主,而A Law PCM技术则是被欧盟等国家使用。


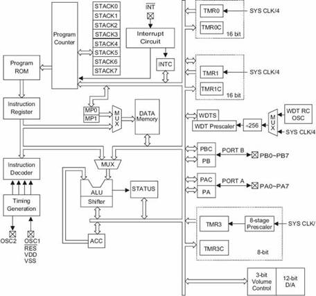
盛群半导体采取电压输出 DAC音质比一般电流输出型更好
HT86系列是盛群半导体几年前推出的高效率音效播放解决方案,内含盛群标准的8位控制器,并搭载高解析的单声道12-bit DAC、24个I/O、外部中断、外部重置、Real Time Clock,功能极富弹性。适用于各种优质语音产品,HT86系列是采取电压输出DAC,因此在音质的部分要比一般电流输出型更好,如果使用者是以EasyFormat编辑,根据index变量限制,最大可以放入256段语音;而在压缩格式方面支持了8-bit PCM, 6-bit uLaw PCM, 4-bit ADPCM。在内建VOICE ROM的部分,还提供了有其它的用途,可以用于其它数据的存放,通过相对应的地址和数据缓存器来读取数据,此外后续新发表的HT86030、HT86070芯片,除了特性与原HT86系列相同之外,因为I/O减少到了16个,可以省掉一组的16-bit timer与Real Time Clock,使得在成本部分具竞争力,另外在产品开发方面,HT86系列支持汇编语言与C语言,并以盛群的HT-ICE做为开发环境,可以让产品开发更快速容易。

冲电气内建P2ROM进一步的降低成本
语音芯片是OKI半导体部门中的主力产品,在这一方面OKI拥有25年的丰富开发经验,提供使用者利用解决方案设计出,柔和清晰的音质、简便使用的应用产品,适用的范围包括了,家电设备、数字产品、汽车电子、安全防护、通讯应用、医疗美容、玩具等等。并且在2006年,更开发出了内建P2ROM的产品,将成本更进一步的降低,达到高音质、低成本的产品特色。
ML2250系列是以Mask Rom以及Flash,作为内存,内建了14bit D/A Converter和Low-Pass Filter能够支持双通道的应用,除了内部储存的语音数据之外,还可以提供利用外部语音数据输入的方式,来进行语音播放,在播放译码的技术方面,ML2250系列可以支持STRAIGHT 8bitPCM、Non-linear 8bitPCM、STRAIGHT 16bitPCM/2bitADPCM2/4bitADPCM2的播放选择,并且还具有音量调整的功能,如果透过接口还可以连接外部的放大器和CPU完成混音合成。

ROHM的BU6922KV/BU6934FV 针对各种家电产品应用
ROHM针对汽车电子、游戏机、影音产品、家电产品等等的应用,不断的推出新一代的产品,其中BU6922KV/BU6934FV的影音播放芯片就是针对冷气机、洗衣机为主的各种家电产品应用的解决方案,BU6922KV/BU6934FV采用了16位DAC作为核心,提供与CD相似度相当高的音质,并且在芯片中ROHM加入了特有的压缩技术,在内建仅有4Mb ROM的容量中,可以储存传统产品4倍的播放数据。在支持ADPCM编解碼部分,ROHM的ADPCM编解碼解决方案,可以套用现有的系统,让使用者可以相当方便的音频和声音功能加载到设备之中上。采样频率也可以任意的设定,而且无须附加其它的微控制器。另外,ROHM有推出了可支持USB主机的MP3译码芯片,在芯片中整合了USB2.0、耳机放大器、MP3译码器以及控制器,更容易地与USB闪存连接,因此相当容易被使用在CD播发器、迷你播放产品、汽车音响和可携式播放器等。

精工爱普生的S1V30300 以很小数据量创建高语音质量系统
精工爱普生开发出针对嵌入式的应用,发表了新一代的语音导航音频译码芯片S1V30300,该芯片是一款辅助芯片,支持利用Epson的PC工具,可以提供使用者从主机接收的语音数据,进行纪录及压缩、译码等等作业,并且利用积分D/A转换器进行输出;S1V30300具有16kHz和8kHz采样频率和21kHz单频率输入,电源电压为1.8V,I/O电压为3.3V。由于S1V30300采用了频率同步串行接口的协议,因此很容易被集成在各种主机设备和微控制器中。S1V30300芯片支持AAC LC以及ADPCM音频编译码,并支持以很小的数据量创建具有高语音质量的系统,目标应用包括家用电器、建筑及办公设备等要求语音导航的各种系统,一种特殊工具使用户可以在PC上编辑语音导航消息,无需进入录音棚录音,使语音导航系统更易于开发。

W588Dxxx系列芯片 提升玩具产品的声音质量
高音质语音IC-W588Dxxx系列芯片,能够提升玩具产品的声音质量。W588Dxxx系列是采用华邦自行研发的噪声处理器与高分辨率的语音后级推动放大电路,进而达到高音质的语音效果。此系列内建有三信道混音器,可同时播放三轨的语音输出,不仅满足玩具产业各种不同的音效需求,更能达到生动活泼的听觉感受,除了高音质的特色外,W588Dxxx系列涵盖3秒∼400秒语音长度的记忆容量,能使其玩具应用领域更加广泛。同时它还提供序列传输接口管理系统(SIM),以及SPI等功能,可容易地搭配华邦的serial Mask Rom产品及SPI-Flash产品,使语音或程序均可放于外部内存,并相对降低生产成本,适合各种卡式应用或扩充存储容量应用。此外,W588Dxxx系列更进一步内建有8位高分辨率的PWM输出,可用于驱动LED及马达,以达到渐次明亮变化或微控制效果。