单片机护栏管又名丽得管,是一种先进的LED装饰照明灯饰产品。以红、绿、蓝3种颜色的LED作为光源,使用了微电子和数码技术,能进行色彩追逐,色彩过渡渐变,灰度变化和七色变化,能产生十分丰富的色彩变幻效果。该产品外形采用一次成型,灯管和底座浑为一体,防水性更好,重量更轻。广泛适用于酒吧、舞厅、大厦、广场、桥梁、栏杆等各种大型建筑装饰,全彩管更可以在一个大范围的区域实现灯光群控和显示动态节目,适合大型主题夜景。
文中提出了一种主从式显示屏的LED轮廓显示屏解决方案,该设计方案利用STC单片机自身的FLASH ROM和RAM,外部无需任何存储电路,电路结构简单。可实现交流同步显示,驱动当前LED亮化市场中的多款LED护栏管与点光源器件。
1 系统的工作原理及总体方案设计
1.1 STC单片机
STC系列单片机是宏晶科技生产的单机器周期时钟的单片机,是高速、低功耗、超强抗干扰的新一代8051单片机,指令代码完全兼容传统8051,但速度快8~12倍。内部集成MAX810专用复位电路,针对电机控制,强干扰场合。其中STC11FXX、STC12CXX系列工作电压4.1~5.5 V,工作频率可达35 MHz,有内部512字节RAM,性价比高。并可通过串口进行ISP操作,无需专用仿真器与编程器,直接下载用户程序,给用户的开发生产和维护带来方便。
1.2 系统的工作原理
LED轮廓显示是用首尾相连的LED护栏管或串联的点光源连接的LED显示特效,多用于楼宇轮廓的亮化工程。显示屏驱动电路的主要作用是接收来自控制系统的数字信号,将发光二极管点亮,实现在LED显示屏上的信息的显示。LED轮廓显示广泛使用的驱动电路是基于通用型集成电路来设计的,如:74HC164、CD4015、74HC595、68595、ULN2803等,大多为移位寄存器和达林顿驱动器。采用常规型驱动IC进行电路设计,原理比较简单,价格便宜,产品的技术开放性比较强。LED显示屏上数据的传输方式主要有串行和并行两种,目前广为采用的主要为串行控制技术。这种控制方式的显示屏的每一个单元内部的不同驱动电路、各级联单元之间每个时钟仅传送一个位(具体实现时每种颜色各一位)的数据。采用这种方式,可采用的驱动IC种类较多,不同显示单元之间的连线较少,可减少显示单元上的数据传输驱动元件,从而提高整个系统的可靠性和具体工程实现的容易程度。
1.3 系统总体方案的设计
系统由主控制器与从控制器两部分组成。主控制器带LED显示与功能按键,用户根据实际情况选择显示效果与显示速度。根据控制需要可组成如图1的3种结构。

图1 LED轮廓显示控制系统结构示意图
图1(a)结构为标准主从结构。其中主控制器通过485总线将控制数据传送给各从控制器。从控制器接收主控制器数据,按要求驱动LED灯板。图1(b)结构为简易主从结构。即当无主控制器或无需用户交互时,用一台从控制器充当主控制器发送数据给各从控制器。图1(c)结构为并行同步结构。系统中无主控制器,各从控制器根据交流电信号50 Hz频率自动执行,多台从控制器可以同步显示。
2 系统硬件设计
2.1 主控制器硬件设计
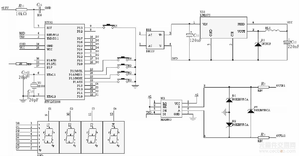
主控制器包括STC单片机最小系统,电源部分,LED动态显示电路,按键输出部分,输出电路等几部分组成。主控制器电气原理图如图2所示。

图2 主控制器电气原理图
其中最小系统采用STC12C5608单片机。电源输入部分允许交流或直流9~36 V输入,通过DB107交流桥与LM2575高性能稳压芯片保证系统5 V供电。LED动态显示部分采用4个8位LED数码管,显示控制速度"00-15",显示输出模式"00-99".485输出部分采用3个瞬态抑制二级提高485芯片实际使用寿命。
2.2 从控制器硬件设计
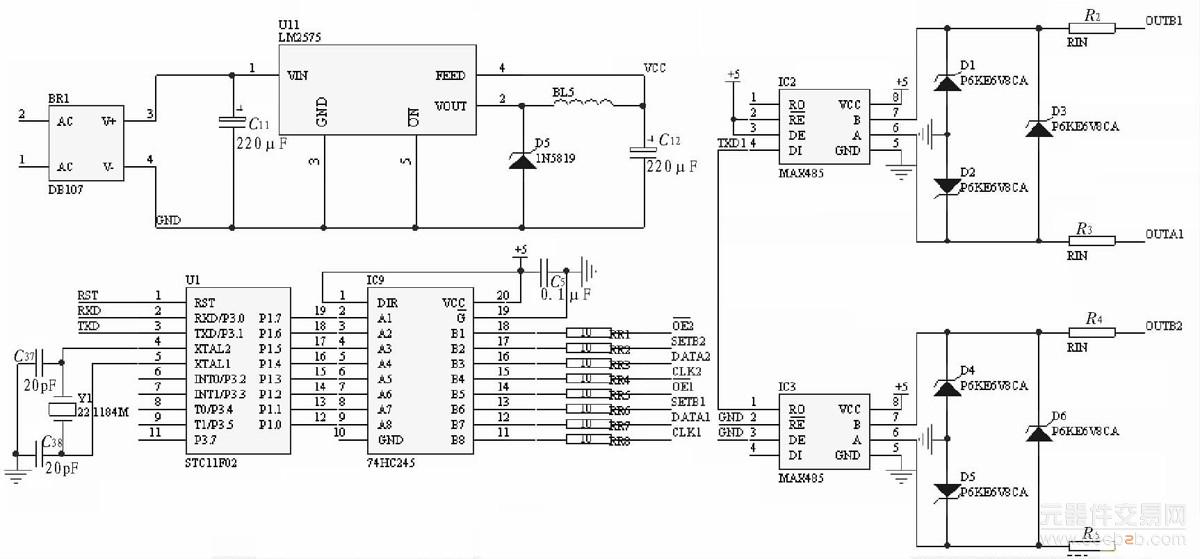
主控制器包括STC单片机最小系统,交流信号输入部分,485收发模块部分,输出电路4部分集成。主控制器电器原理图如图3所示。

图3 从控制器电气原理图
从系统结构图1中可知,485总线网络采用星形结构,一个主机和若干台从机,主机只发送数据,从机只接收数据,属于单功方式。实际应用时,当主控制器距现场较远时,为了省通信接线,并简化连接结构。将星形连接结构变成如图4所示连接方式。

图4 主从式实际通信连接方案示意图
因此从控制器的485收发模块包括一个接收模块和一个发送模块。从图3中可以看出接收部分得到信号未进入单片机就直接通过发送模块送出。既完成了控制要求,又简化了连接方式。
3 系统软件设计
系统软件设计包括上位机软件的设计、下位机程序设计两部分。上位机软件完成LED轮廓控制效果编辑与转换,然后直接修改下位机程序的BIN文件。下位机程序程序效果数据解释并执行。
3.1 轮廓色带数据设计
由于单片机内部程序空间有限,数据处理能力有限,所以需要用简洁的数据模型表示LED变换效果。因此本文设计了一种色带数据格式和特效数据格式。具体内容如表1所示。
表1 色带数据格式说明

从表1可知一个色带由7字节数据组成,表示一个最小渐变过程,如表1示例数据即表示从红色经过31级渐变变换成绿色。将所有上位机设计的变换效果需要的渐变过程按顺序生成一个数据。每一个特效数据由N个最小渐变色带数据组成,因此表示一个特效时只需指明包含的色带数和各个色带数据序号即可。这样便于基本色带的重复使用,节省了有限的程序存储空间,实现了控制要求。
3.2 主控制器软件设计
主控制器程序按循环扫描方式工作。在程序初始化后,进行按键扫描工作。按键事件有5个,分别是速度加、速度减、模式加、模式减和复位。LED显示屏的刷新率一般为15帧/秒,根据不同速度设置不同的刷新率,轮廓控制中每帧只更新一组数据,数据传输量较小,所以当到达设定时间后才发送相应的显示数据。每个扫描周期最后更新4位LED中的一位,然后修改位地址为下一个扫描周期做准备。具体的程序流程图如图5所示。

图5 主控制器工作流程图
3.3 从控制器软件设计
从控制器可工作于外控方式和内控方式。外控方式即按主控制器发送485数据和周期更新显示数据。内控方式是根据交流信号50 Hz的频率,根据固化的效果更新显示数据。
当从控制器接收到数据后,即工作于外控方式;如果一段时间没有收到外部数据,则自动转换成内控方式。具体的程序流程图如图6所示。

图6 从控制器工作流程图
4 结论
本文给出了一种基于STC单片机的LED轮廓控制系统设计方案。该系统性价比高,适应性强,可支持256灰度级的全彩楼宇亮化,也可以播放全彩动画。通过485快速传输数据,实现远程控制和方便现场安装。该系统为显示区域较大、安装条件多变的LED轮廓显示控制系统提供了良好的解决方案。利用分控制器完成对现有市场上的6803、2803和1809系列LED专用驱动芯片的兼容。本案开发的LED护栏管LED控制器已产品化,控制效果良好。