1 TSL256x简介
TSL2560和TSL2561是TAOS公司推出的一种高速、低功耗、宽量程、可编程灵活配置的光强度数字转换芯片。该芯片可广泛应用于各类显示屏的监控,目的是在多变的光照条件下,使得显示屏提供最佳的显示亮度并尽可能降低电源功耗;还可以用于街道光照控制、安全照明等众多场合。该芯片的主要特点如下:
可编程设置许可的光强度上下阈值,当实际光照度超过该阈值时给出中断信号;
数字输出符合标准的SMBus(TSL2560)和I2C(TSL2561)总线协议;
模拟增益和数字输出时间可编程控制;
1.25 mm×1.75 mm超小封装,在低功耗模式下,功耗仅为0.75 mW;
自动抑制50 Hz/60 Hz的光照波动。
2 TSL256x的引脚功能
TSL256x有2种封装形式: 6LEAD CHIPSCALE和6LEAD TMB。封装形式不同,相应的光照度计算公式也不同。图1为这两种封装形式的引脚分布图。

图1 TSL256x封装
各引脚的功能如下:
脚1和脚3: 分别是电源引脚和信号地。其工作电压范围是2.7~3.5V。
脚2: 器件访问地址选择引脚。由于该引脚电平不同,该器件有3个不同的访问地址。访问地址与电平的对应关系如表1所列。
表1 器件访问地址与引脚2电平的对应关系

脚4和脚6: I2C或SMBus总线的时钟信号线和数据线。
脚5: 中断信号输出引脚。当光强度超过用户编程设置的上或下阈值时,器件会输出一个中断信号。
3 TSL256x的内部结构和工作原理
TSL256x是第二代周围环境光强度传感器,其内部结构如图2所示。通道0和通道1是两个光敏二极管,其中通道0对可见光和红外线都敏感,而通道1仅对红外线敏感。积分式A/D转换器对流过光敏二极管的电流进行积分,并转换为数字量,在转换结束后将转换结果存入芯片内部通道0和通道1各自的寄存器中。当一个积分周期完成之后,积分式A/D转换器将自动开始下一个积分转换过程。微控制器和TSL2560可通过标准的SMBus( System Management Bus) V1.1或V2.0实现,TSL2561则可通过I2C总线协议访问。对TSL256x的控制是通过对其内部的16个寄存器的读写来实现的,其地址如表2所列。

图2 TSL256x内部结构图
表2 TSL256x内部寄存器地址及作用

4 TSL256x应用设计
TSL256x的访问遵循标准的SMBus和I2C协议,这使得该芯片软硬件设计变得非常简单。这两种协议的读写时序虽然很类似,但仍存在不同之处。下面仅以TSL2561芯片为例,说明TSL256x光强传感器的实际应用。
4.1 硬件设计
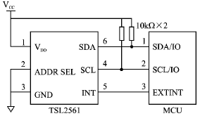
TSL2561可以通过I2C总线访问,所以硬件接口电路非常简单。如果所选用的微控制器带有I2C总线控制器,则将该总线的时钟线和数据线直接与TSL2561的I2C总线的SCL和SDA分别相连;如果微控制器内部没有上拉电阻,则还需要再用2个上拉电阻接到总线上。如果微控制器不带I2C总线控制器,则将TSL2561的I2C总线的SCL和SDA与普通I/O口连接即可;但编程时需要模拟I2C总线的时序来访问TSL2561,INT引脚接微控制器的外部中断。硬件连接如图3所示。

图3 微控制器与TSL2561的硬件连接图
4.2 软件设计
微控制器可以通过I2C总线协议对TSL2561进行读写。写数据时,先发送器件地址,然后发送要写的数据。TSL2561的写操作过程如下: 先发送一组器件地址;然后写命令码,命令码是指定接下来写寄存器的地址00h~0fh和写寄存器的方式,是以字节、字或块(几个字)为单位进行写操作的;最后发送要写的数据,根据前面命令码规定写寄存器的方式,可以连续发送要写的数据,内部写寄存器会自动加1。对于I2C协议具体的读写时序,可以参考相关资料,在此不再赘述。TSL2561的软件设计流程如图4所示。

图4 软件设计流程
限于篇幅,在此给出对TSL2561读写操作的部分程序:
unsigned char TSL2561_write_byte( unsigned char addr, unsigned char c) {
unsigned char status=0;
status=twi_start();//开始
status=twi_writebyte(TSL2561_ADDR|TSL2561_WR);//写TSL2561地址
status=twi_writebyte(0x80|addr);//写命令
status=twi_writebyte(c);//写数据
twi_stop( );//停止
delay_ms(10);//延时10 ms
return 0;
}
unsigned char TSL2561_read_byte( unsigned char addr, unsigned char *c) {
unsigned char status=0;
status= twi_start( );//开始
status=twi_writebyte(TSL2561_ADDR|TSL2561_WR);//写TSL2561地址
status=twi_writebyte(0x80|addr);//写命令
status=twi_start( );//重新开始
status=twi_writebyte(TSL2561_ADDR|TSL2561_RD);//写TSL2561地址
status=twi_readbyte(c,TW_NACK);//写数据
twi_stop( );
delay_ms(10);
return 0;
}
当积分式A/D转换器转换完成后,可以从通道0寄存器和通道1寄存器读取相应的值CH0和CH1,但是要以Lux(流明)为单位,还要根据CH0和CH1进行计算。对于TMB封装,假设光强为E(单位为Lux),则计算公式如下:
① 0
E=0.030 4×CH0-0.062×CH0×(CH1/CH0)1/4
② 0.50
E=0.022 4×CH0-0.031×CH1
③ 0.61
E=0.012 8×CH0-0.015 3×CH1
④ 0.80
E=0.001 46×CH0-0.001 12×CH1
⑤ CH1/CH0>1.30
E=0
对于CHIPSCALE封装,计算公式可以查看相应的芯片资料。
5 结论
采用TSL256x实现光强度实时监测的系统,具有精度高、成本低、体积小等优点。芯片内部集成了积分式A/D转换器,采用数字信号输出,因此抗干扰能力比同类芯片强。该芯片在光强监测控制领域已得到广泛应用。
