1引言
一般情况下,伺服系统主电路结构如图1所示。能量是由电网经整流器、滤波器、逆变器等传输到电动机的。当电动机工作于发电状态,即电动机快速制动或者带位势负载时,能量的传输需要反向,能量将在滤波电容上累积,产生泵升电压,如果泵升电压过高,会威胁系统的安全。控制泵升电压最简单的方法是:泵升电压产生后,在直流母线之间接通一个能耗电阻,将能量释放。如果电动机制动频繁或长期带位势负载运行,则能量浪费严重;同时,由于电阻发热,导致环境温度升高,将会影响系统的可靠性。本文设计的这个电路,可以很好地解决这一问题。 2系统工作原理概述
将图1中的三相不控整流器换为可控变流器,并在三相电源输入端串入三个高频扼流电抗器,用以抑制可能产生的双向(电网?伺服系统)电磁干扰,以及在变流器工作于逆变状态时,起到等效直流电抗器的作用,如图2所示。
当电动机工作在电动状态时,可控变流器的大功率开关器件S1~S6全部处于关断状态,而6个续流二极管构成三相不控桥式整流器,工作状况同图1。
当电动机工作在发电状态时,则逆变器工作于整流状态,而可控变流器工作于逆变状态,使电动机工作在再生制动状态。这时滤波电容贮能,直流母线电压升高,在超过电网线电压值后,二极管D1~D6反向阻断;当直流母线电压继续升高,超过设定的上限允许值UdH时,变流器开始工作,将直流母线上的能量逆变回馈电网。此时,高频扼流电抗器将平衡直流母线电压和电网线电压之间的差值,以保证逆变状态的。

图2回馈变流器主电路

图1一般伺服系统主电路结构

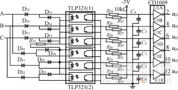
图4电流检测与控制信号产生电路
正常进行。当直流母线电压回落到下限设定值UdL后,再关闭变流器。就能量回馈需要考虑的问题有:
1)回馈电流必须满足回馈功率的要求,同时不能大于逆变器所允许的最大电流;
2)只有当直流母线电压高于设定值时,才能启动逆变器进行能量回馈;
3)为了提高回馈功率,尽量在电网电压高时进行回馈,因为如果回馈电流一定,则电网电压越高回馈功率越大。
因此,系统须有电压控制电路,同步控制电路和电流限制电路。电流和电压的控制由两个迟滞比较器完成,同步控制由同步检测与控制电路完成。
3控制电路设计
3.1电压检测与控制电路的设计
设计电压控制电路的目的是:当电动机工作于发电状态并且使直流母线电压Ud升高到超过设定值UdH后,起动变流器中的开关管,以使直流母线上的能量逆变回馈回电网,迫使Ud回落;当Ud小于另一设定值UdL后再关闭开关管。为了避免逆变器过于频繁地起动和关闭,电压控制为滞环控制方式UdL式中:U为相电压的有效值。
一般情况下,当电网相电压为220V时,可设定UdL=630V,电压滞环控制的环宽为20V,UdH=650V,采用线性光电隔离器NEC200检测直流母线电压,线性地将直流母线电压转换为弱电压信号,作为电压滞环控制器的反相输入。电压检测与控制电路如图3所示。Uv作为控制回馈逆变器主开关通断的条件之一。
3.2电流检测及电流控制信号的产生
由于直流母线上的电流和通过变流器开关管的电流以及回馈电网的线电流是相等的,因此只需在直流母线接变流器端装一个LEM电流传感器,就可以检测能量回馈过程中的所有线电流IL。当IL低于滞环下限ILL时,UI为高电平,允许逆变器开关管导通;当IL高于滞环上限ILH时,UI为低电平,变流器开关管关断。关断后,在扼流电抗器的续流作用下,能量回馈线电流方向保持不变,变流器中相应二极管续流,直流母线上的电流反向。因此需要对LEM输出的电压信号整流,得到能量回馈的线电流反馈信号Iv,Iv作为控制回馈逆变器主开关通断的条件之二。
电流检测及电流控制电路就是由电流传感器电路、精密整流电路和迟滞比较器组成,如图4所示。
33相位同步控制电路
变流器工作于逆变状态时,为了获得较大的能量回馈,当回馈线电流一定时,应当尽量在电网的高电压段进行能量回馈。因此变流器各功率开关器件的开关状态与电网电压的相位应满足如图6所示的同步关系,为此设计了图5所示的同步控制电路。图5中,ug1~ug6分别为功率开关器件S1~S6的导通允许同步控制信号,将图2和图5中A、B、C对应连接在一起,并将系统接入电网,无论相序怎样变化,图6所示的同步关系不变。在此同步关系下,理想的相电压和相电流波形如图7所示。设u1~u6分别为S1~S6的驱动控制信号,高电平导通,低电平关断,驱动控制信号u1~u6可分别由保护信号、电压控制信号Uv、电流控制信号Iv和同步控制信号UTi相与后获得。

图3电压检测与控制信号产生电路

图5同步信号产生电路

图7理想相电压、相电流波形

图6同步输出波形
一种再生制动控制电路的设计
4应用实例分析
在一个DSP控制的同步电机伺服系统中应用时,要求能量回馈功率P=6.5kW,相电压U=220V,变流器的最高开关频率fmax=10kHz,最大允许电流是25A,设定ILH=20A,ILL=10A,UdL=630V,UdH=650V。
扼流电抗器的计算扼流电抗器在此泵升电压控制电路中起很重要的作用。对它主要有三个方面的要求,即电感量、工作频率和工作电流。对电感量的要求取决于回馈电流的设定值和变流器额定开关频率。假设能量回馈过程中,电抗器承受正向电压为:ΔUon=,在ΔUon的作用下,回馈电流由ILL上升到ILH的时间为ton。每一个电抗器的电感值为L,当IL=ILH时,变流器开关器件关断,则ΔUon=L;ton=L。
变流器开关器件关断后的续流过程中,电抗器承受的反向电压值为ΔUoff,在ΔUoff的作用下,电流从ILH下降到ILL的时间为toff,则ΔUoff=;ΔUoff=L;toff=Lf==;L=;由此可见,电抗器的电感量在UdH、ILH、ILL、L确定后,UdL越小,变流器功率开关的开关频率越高。当UdL最小、开关频率最大时,需要的电感量最小,此时UdL=××220sin30°=270V为最小值。电感量的最小值Lmin=?1.34mH。
4?1回馈功率P的估算
当电网电压一定后,回馈功率大小与回馈电流有关,回馈电流为:=;由于三相电压的对称性,能量回馈期间的平均电压为:
U=(ua-ub)d(ωt)=uabd(ωt)=[×Usin(ωt+)]d(ωt)
=2.34U
则
P=U=2.34U=7.7kW
满足回馈6.5kW的要求。
5结语
通过示波器在上述同步电机伺服系统制动时捕捉到的电压和电流波形如图8所示,与理论分析一致,满足设计要求。在上述系统中的应用,说明此方法是可行的,有一定的实用价值。
