1引言
阀控式密封铅酸(VRLA)蓄电池由于具有体积小、防爆、电压稳定、无污染、重量轻、放电性能高、维护量小、价格低等优点,所以深受各个行业的青睐,被广泛应用于邮电、电力、交通、航空航天、应急照明、军事通信等诸多领域。VRLA蓄电池已经成为系统的关键部件之一,它的安全可靠运行直接关系到整套设备的可靠运行。但是在使用过程中,由于剩余容量无法准确预测,轻的造成事故,重的酿成惨剧。因此,必须建立一个有效的蓄电池管理系统,准确可靠地预测蓄电池剩余容量则成为电池管理系统中最基本和最首要的任务。
目前,国内外普遍采用荷电状态SOC(StateofCharge)来表示蓄电池的剩余容量。SOC是直接反映蓄电池的可持续供电能力和健康状况的一个重要参数。由于VRLA蓄电池有着不同的类型、用途以及外部环境,SOC的影响因素众多,因此其预测采用的方法各种各样,使用的电池模型也不尽相同。一般蓄电池的建模方法可以分为两大类:一类是物理建模方法;另一类是系统的辨识与参数估计建模方法[3]。
2物理建模方法预测SOC
2.1放电试验法
放电试验法是大家公认的最可靠的SOC估计方法。按某一放电倍率的电流将电池进行连续放电至规定的SOC零点,放电电流与时间的乘积即为剩余容量。
放电试验法主要用于实验室计算电池组充电效率、检验SOC估算精度或者用于蓄电池的检修,适用于所有电池。但是,该方法有两个明显的缺点:(1)需要大量时间和人力;(2)电池正在进行的工作不得不中断,无法实时在线预测。对于静态后备蓄电池可以采用,但对于重要场合,用此方法则要冒一定的风险,因为放电期间,系统在没有电池备份下运行,一旦主电源出现问题或者市电中断,整个系统都将瘫痪,造成不可估量的损失。描述了放电试验方法以及注意事项,但需要大量的人工操作;文献[5]则采用动力环境监控系统实现远程对蓄电池组的放电试验管理,省时高效,但是精度很低,只能定性判断蓄电池组的性能,而无法准确估计剩余容量。
2.2安时计量法
安时法是SOC估算最常用的方法,计算公式为:

(1)
其中:SOC0为充放电起始时刻荷电状态,CN为额定容量,η为充放电效率且不是常数(假定充电电流方向为正,放电电流方向为负),SOC为当前时刻的荷电状态。
安时法实质是将电池看作一个黑箱,认为流进电池的电量与流出电池的电量有一定的比例关系,而不考虑电池内部的结构和外部的电气特性,因此这种方法适用于各种电池。同时从式(1)可以看出,安时法在应用中存在的问题:(1)要求标定SOC初始值;(2)需要精确计算充放电效率;(3)需准确测量电流,电流测量不准,将造成SOC计算误差,长期会存在电流积分的累计误差;(4)在高温状态和电流波动剧烈的情况下误差较大。
因此,在实际应用场合采用安时法时,一般根据使用环境和条件考虑对充放电率、温度、电池老化以及自放电率等因素进行补偿。
采用安时法、Peukert方程、温度修正以及SOH相结合的方法来估算静态后备阀控式铅酸蓄电池的SOC,以蓄电池容量为零到容量为满这两个状态为一个周期,在此周期内,测量蓄电池折算到在标准温度下以标准电流放电或充电的总容量计算SOH。其SOC计算精度可以达到0.1%以内,计算公式为:

考虑了对蓄电池充放电率、温度、电池老化以及自放电率进行补偿,通过自整定对累计误差进行纠偏,并利用大量实验得到的单电池电压值与容量关系系数,对电池的不一致性进行修正,修正公式见式(4)。其中:Ks为关系系数,△U为电池组中电压最低的单体电池电压与所有单体电池平均电压的差值:

则利用开路电压法得到初始SOC,之后对安时法进行各种补偿,其SOC估算精度达到6%以内。此外,安时法还常常与卡尔曼法结合使用(卡尔曼滤波法中详细论述)。
2.3密度法
密度法主要用于铅酸蓄电池。由于电解液密度在充电过程中逐渐变高,放电过程中逐渐降低,且蓄电池容量与密度呈一定的线性关系,因此,通过测量电解液的密度可以预测SOC的大小。由于密度法需对电解液进行测量,主要应用于开口式铅酸电池,若能够开发出更高精度的密度—容量传感器,在极其重要的场合,可将其在生产时就植入密封蓄电池。利用超声波传感器、低能γ射线、铅酸蓄电池容量传感器对铅酸蓄电池电解液密度进行测量,同时利用模糊神经网络对密度进行了预测,效果较好,但均未给出电解液与SOC之间的确定关系。
2.4开路电压法
开路电压(OpenCircuitVoltage)是指蓄电池在开路状态下的端电压,在数值上接近电池电动势。开路电压法是根据电池的剩余容量与开路电压有一定的线性(正比)关系而建立起来的,通过测量开路电压就能够直接得到剩余容量的大小。其优点是不依赖蓄电池尺寸、大小和放电速度,只以开路电压为测试参数,相对比较简单。描述了铅酸蓄电池开路电压、剩余容量和电解液密度的关系,并给出了SOC与开路电压之间的计算公式:

其中:VBO为电池的开路电压,Vα为充满电时的开路电压,Vb为充分放电时的开路电压,其大小对应关系随不同的蓄电池生产厂家而略有不同。
使用该方法时,通过测量电池的开路电压,一般查表就可得到估计的SOC值。但是开路电压法也存在着明显的缺点:(1)电池需要长时静置才能达到稳定状态,且静置时间如何确定也是问题;(2)随着电池老化、剩余电量下降时,开路电压变化不明显,因此也就无法准确预测剩余电量;(3)对于传统使用的串联电池组,所用电池处于有载状态,一般无法测量开路电压,不能实现在线测量。从目前文献来看,一般不单独使用开路电压法,由于开路电压法在充电初期和末期SOC估计效果好,常与安时法、卡尔曼法结合使用。
针对电池需要长时静置这一缺点,利用蓄电池在各种状态下开路电压的恢复曲线几乎相同这一试验结果,得出开路电压的预测公式进而计算SOC,预测值与测量值相对误差在6%以内。
对VRLA蓄电池在不同放电率下的放电曲线进行归一化,发现放电曲线具有很好的一致性,且放电模式、放电率、环境温度及放电终止电压等因素的变化对这种一致性影响非常小,提出只利用放电电压预测SOC,其计算公式如下:


其中:tT为整个放电时间长度,Vend为放电终止电压,Vp为放电初始电压。在任意时刻,当知道蓄电池的放电电压V(t)时,可计算VU(tU),对照归一化曲线求得归一化的tU,进而得到荷电状态(其估计精度在10%以内,适合一些要求不高的场合)。
则利用不同的初始放电电压对应不同的放电时间这一规律,通过对处于工作状态下电池周期性地外接一恒流负载,测得一系列工作电压,建立以电压、温度为输入,剩余时间为输出的SOC模糊估测系统,从而得到单体动力电池的SOC,其相对误差在1%以内,此方法也称为负载电压法。该方法可在线估算蓄电池的SOC,在恒流放电时具有较好的效果,但是不适用于变电流或者剧烈波动的放电工况。
2.5内阻(电导)法
蓄电池内阻有交流内阻(impedance)和直流内阻(resistance)之分,他们都与SOC有密切关系,可实现在线测量。电池处于不同的电量或不同的使用寿命状态下,它的内阻值都是不一样的,内阻(电导)法就是通过测量蓄电池在放电过程中内阻(电导)的变化来预测SOC的变化。
在应用内阻法预测SOC的问题上还存在争议。利用电导测试仪对阀控密封铅酸蓄电池的电导进行测试和统计,发现放电时间与电导值存在线性相关关系,且相关系数达到0.825;在IEEE1188-1996标准中,也提出了测量内阻的必要性,明确规定了电池内阻测试至少每季度进行一次。分别通过实验测试和理论分析的方法对蓄电池内阻(电导)与剩余容量的关系进行了研究分析,结果表明:(1)阀控密封铅蓄电池SOC在50%或40%以上时,其内阻(或电导)基本没有变化,只是SOC低于40%时,蓄电池的内阻才很快升高;(2)对于容量在80%以上的在线使用VRLA蓄电池,不能根据内阻(电导)值去在线检测蓄电池的SOC;(3)根据蓄电池电导值或者内阻值,可以在一定程度上确定蓄电池性能。
争议的出现除因统计方法的不同外,主要与试验用蓄电池本身以及内阻(电导)测试仪的精度有关。因为即使同厂家、同批次、同规格的蓄电池,其内阻(电导)也存在不一致性,这是由蓄电池生产厂家的技术水平决定的。且蓄电池内阻极小,SOC大范围变化时,内阻的变化也不大,测量仪器的精度如果达不到要求,将很难得出内阻与剩余容量的对应关系。通过阻抗谱测量,指出欧姆内阻的变化可以正确反映SOC的变化,只是当SOC从16%递增到91%时,其欧姆内阻变化很小,约为0.6mΩ。并提出了利用当蓄电池内部阻抗从容性变到感性时,对应的激励信号频率与其SOC之间存在单调函数关系,且频率变化范围大这一发现,采用VRLA蓄电池的谐振频率来作为蓄电池SOC的传感参量,这一理论还处于研究阶段。同时,提出在大规模使用蓄电池的情况下,以内阻(电导)作为蓄电池剩余容量及健康状况的(SOH)的指示器,通过选择内阻(电导)稳定的蓄电池来规范厂家的生产,而不是直接作为蓄电池荷电状态的精确指示器。
从目前的文献、资料以及内阻(电导)检测产品来看,主要将内阻(电导)法应用于蓄电池失效预警,直接应用于SOC预测的很少(一般作为SOC影响因素之一与电压法、神经网络等方法结合使用)。且文献[30]经过大量实验得出结论:单体电池的电导值为参考值的80%以上时,蓄电池正常,且容量在80%以上;当电导值为参考值的60%—80%时,其容量很可能不足80%,蓄电池处于“普通危险”状态,需要做全放电测试;当电导值为参考值的60%以下时,蓄电池处于“严重危险”状态,需要及时更换。
3系统辨识及参数估计模型方法预测SOC
2000年左右,系统辨识及参数估计模型方法开始被应用于蓄电池SOC估计,目前在国内外研究中比较热门。它主要是应用一些新的方法(主要是人工智能算法)对蓄电池进行系统建模,将影响SOC的各种因素综合到电池模型中,通过大量试验对模型进行系统辨识和参数估计,得到蓄电池某些参数与SOC之间的关系,进而估算SOC。比较常用的人工神经网络法、向量机法、模糊推理法以及卡尔曼滤波法等。
3.1神经网络法
由于蓄电池是一个复杂的非线性系统,对其充放电过程建立准确的数学模型难度较大。而神经网络具有分布并行处理、非线性映射和自适应学习等特性,可较好地反映非线性的基本特性,在有外部激励时能给出相应的输出,因此能够在一定程度上模拟蓄电池动态特性,估算SOC。
估算蓄电池SOC大多采用典型的3层人工神经网络。一般直接采集蓄电池的放电电流、端电压以及温度或采用变电流组合测量方法,确定电动势和内阻作为神经网络模型的输入,SOC作为输出。其中输入、输出层神经元一般为线性函数;隐含层节点数目取决于问题的复杂程度及分析精度,可根据网络在训练过程中的收敛速度和训练完成后的误差来确定。人工神经网络法适用于各种蓄电池,但该方法的误差受训练数据和训练方法影响很大,而且实际使用中存在噪声干扰影响网络的学习与应用。从目前的文献来看,神经网络主要是理论方面研究。
文献[40][41]将另一种神经网络——支持向量机(SVM)方法用于蓄电池SOC估计,避免了传统神经网络在训练时间、局部最优以及收敛速度方面存在的缺陷。则进一步提出利用相关向量机(RVM)对蓄电池SOC进行预测,比支持向量机预测精度更高,预测模型也更加稀疏,不过算法也更加复杂,需要占用较大的计算机资源。
3.2模糊逻辑法
模糊逻辑法是对蓄电池进行模糊建模,以系统的输入、输出测试数据为依据,不受先验知识,经验与行为所限制。该方法通常对作为模型的输入变量的参数(如电压、电流、温度、内阻等)进行模糊化处理,根据大量的蓄电池特性试验数据得到SOC与电流、电压、温度等因素之间的关系,设计模糊规则并进行模糊推理,经反模糊化处理估计电池SOC。
模糊逻辑方法的主要缺点是需要大量的实验数据,根据实验数据获得模糊推理规则和经验公式。目前该方法主要应用于仿真和理论分析,尚未应用于实际。
3.3卡尔曼滤波法
卡尔曼滤波理论的核心思想,是对动力系统的状态作出最小方差意义上的最优估计,它既适用于线性系统也适用于非线性系统。
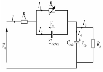
在运用卡尔曼滤波法估算SOC时,首先要建立适合于卡尔曼滤波估计的电池模型,且模型须具备两方面特点:(1)能够较好地体现电池的动态特性,同时阶数不能太高,以减少处理器的运算量,便于工程实现;(2)模型必须能够准确反映电池电动势与端电压的关系,从而使闭环估计有较高的精度。常用的等效电路模型有Randle模型(见图1)、MassimoCeraolo模型、Thevenin模型、Shepherd模型等,其中各个参数都为待定参数,需要根据实验数据计算得到。

图1Randles电池模型
在实际应用中,卡尔曼滤波法通常与开路电压法以及安时法结合使用。其基本过程为:将模型中电容上的电压作为系统的状态,经卡尔曼估算出该电压后,利用模型中的数学关系求出电池电动势(或开路电压),最后由电动势与SOC的关系求出SOC。电池模型的卡尔曼数学形式为:
状态方程:

(9)
观测方程:

(10)
安时法方程:

(11)
系统的输入向量uk中,通常包含蓄电池电流、温度、剩余容量和内阻等变量,系统的输出yk通常为蓄电池的工作电压,蓄电池SOC包含在系统的状态量xk中,Ak、Bk由试验得到的参数确定,ωk、vk为系统噪声。估计SOC算法的核心,是建立一套包括SOC估计值和反映估计误差的、协方差矩阵的递归方程,协方差矩阵用来给出估计误差范围。方程(11)是电池模型状态方程,将SOC描述为状态矢量的依据。
卡尔曼滤波在估算过程中能保持很好的精度,并且对初始化误差有很强的修正作用,对噪声有很强的抑制作用,目前主要应用于电流变化较快的混合动力汽车蓄电池的SOC预测。在卡尔曼滤波的基础上,文献[49][50][51]又将扩展卡尔曼与无色卡尔曼滤波方法用于估计SOC。卡尔曼滤波法最大缺点在于,其估计精度严重依赖于蓄电池等效电路模型的准确性,建立准确的电池模型是算法的关键。另一缺点是运算量比较大,必须选择简单合理的电池模型和运算速度较快的处理器。
3.4其它方法
线性模型法,利用线性模型对测量误差和错误的初始条件有很高的鲁棒性,以大量的电池充电放电实验为基础,建立SOC及其变化量电池端电压、电流的线性方程,见式(12)、(13)。该方法适用于小电流、SOC变化缓慢的情况,但这一特点也限制了其使用范围,目前实际应用中还未见到。

其中,SOC(k)为当前时刻的SOC值;△SOC(k)为SOC的变化值;v(k)和i(k)为当前时刻的电压和电流。Β0、Β1、Β2、Β3是利用参考数据通过最小二乘法得到的线性模型系数。
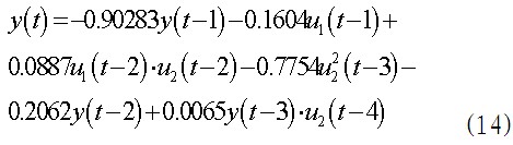
提出利用非线性自回归滑动平均(NARMAX)模型逼近精度高、结构简单、收敛速度快等特点,以蓄电池工作电压和电流为模型输入,SOC的其它影响因素作为系统噪声,对蓄电池SOC进行实时估计,相对误差仅为1%,该方法的适用性还有待于进一步研究。其辨识模型见式(14),其中y(t)为SOC序列,u1(t)为电流序列,u2(t)为电压序列。

针对蓄电池内阻与剩余容量之间的非线性关系,采用了在线的灰色GM(1,1)模型群方法对混合动力汽车蓄电池单元的SOC进行预测。文献[55]则以安时法为基础建立SOC状态方程,提出应用鲁棒滤波算法来预测蓄电池的SOC。
由上面所介绍的各种方法可以看出,无论是物理建模方法还是系统辨识与参数估计模型方法,都是根据蓄电池的可测量参数(主要是电压、电流、内阻以及温度等)与剩余容量之间的关系,通过大量的实验建立稳定的蓄电池系统模型来预测SOC。
4小结
综上所述,SOC预测方法由于受众多因素(放电电流、电压、温度、放电深度、内阻、电解液密度、自放电、老化等)影响,VRLA蓄电池剩余容量的预测技术及其建模相当复杂,目前,还没有一种准确通用的预测方法。上述各种SOC预测方法各有利弊,但在不同的使用环境,不同的预测精度下,采用单一的预测方法已经不能满足实际需求,因此设计高精度的数据检测电路,使用多种方法进行组合预测SOC,特别是采用多种智能算法和新理论相结合的手段对SOC进行实时、在线、准确的预测,已经成为蓄电池剩余容量预测的发展方向。