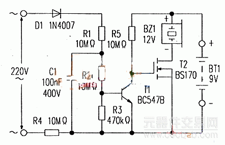
这个简单的电路能在交流电源断电(或电压低于50V)时发出报警声。
交流市电经二极管D1半波整流,与电阻R1、R2、R3和R4串联组成分压器.在R3上分得较小电压去控制晶体管T1与MOS场效应管T2的工作状态。一旦交流断电或电压太低.蜂呜器Bz1就发出报警声。
由于二极管D1起半波整流作用,因而送入晶体管T1的是脉冲直流信号.在交流电源电压正常情况下.R3上的电压能保持T1导通,场效应管他就处于截止状态。一旦交流电网电压低于50v,则R3上的电压降到低于T1导通所需的门槛值,T1截止,而T2的栅极电压升高。足以使T2导通.蜂鸣器就发出强烈的报警声。
为了在交流电网正常情况下报警器基本不消耗电能,分压器中的电阻均为高阻值.流过这些电阻的电流低于10μA。T2选MOS场效管。可使R5选择10MΩ的阻值(因MOS管栅极电流很小),这样在T1导通、T2截止时。经过电路的电流仅有约1μA,普通电池可用几年,蜂鸣器采用CEP-2260A.9V电源耗电5mA。
该报警器的测试很简单.安装完后插入交流电源,蜂鸣器应不发声.再从交流电源插座上拔出,蜂呜器应发出强音.表示电路工作正常。但要注意:若电路一直插入交流市电.决不可去触摸电池!
