0 引言
组成无线传输系统的核心部件是无线收发模块,它包括发射模块和接收模块两部分。发射模块TX3310使用最先进的声表面滤波器件稳频,频率稳定度达10-5 量级,工作频率315MHz,它的外形尺寸小,工作稳定性达到了工业级水平,可用来传输低频的数字编码信号。接收模块RX3310,内部含有一整套超外差晶振接收和数据处理电路,具有频率稳定,抗干扰性好的特点,用来接收发射模块发来的无线遥控信号。系统使用了数字编/译码双功能集成电路UM3758-108A,保证了工作的可靠性。
1 模块结构
1.1 TX803 无线语音收/发模块
TX803 是上海福美斯电子科技有限公司最新开发生产的一种语音发射与接收模块,用该模块可以实现语音的无线传输。该模块分发射、接收两个模块,FM 调制方式电路采用晶振稳频,频率选用79.000MHz 等调频广播段外频点,频率稳定,语音清晰。发射模块的工作电压为3~9V,极限值为10V,工作电流为20mA,作用距离为500~1000m。
1.2 TX3310/RX3310 无线数据发射/接收模块
TX3310/RX3310 无线数据发射/接收模块电路使用声表面谐振器SAW 稳频、微型电子元件,采用表面贴片工艺制成,它的外形尺寸小,工作稳定性达到了工业级水平。
2 电路结构与工作原理
无线呼叫系统由语音无线发射/接收模块、数据无线发射/接收模块、数字编/译码双功能集成电路等元器件组成。
图1 为无线呼叫系统发射电路,IC1(UM758-108A)是数字编/译码双功能集成电路,工作电压为3~12V,有10 位(A1~A10)三态编码地址和8 位(D1~D8)锁存式并行数据输入/输出端,可方便实现多址、多路数字信息传递或控制,可与有线载波及无线、红外线等各种载体配接使用,实现远距离传输及控制[3~7].地址A1~A10端可按低电平0,高电平1 或开路三种状态接线,共310=59049种不重复的编码。数据D1~D8端可按低电平0 或高电平1 两种状态接线,作为两组4 位BCD 码使用。当S1没有被按下时,IC3(TX3310)的1 脚(DATA)没有数据的输入而处于静态,由IC2(NE555)构成的延时电路由于2 脚(TR)没有低电平触发信号的输入而处于稳态,IC2的3 脚(OUT)输出低电平,晶体管Q1(9013)截止,IC4(TX803)不工作。当工作人员的需要帮助按下S1时,IC3按照已编好的地址、数据码向外发射呼叫信号,由于IC2的2 脚受低电平的触发而使3 脚由低电平翻转为高电平,Q1饱和导通,IC4通电工作,此时工作人员只需对着话筒讲话,便可将语音信号传送到值班室。

图1 无线呼叫系统发射电路
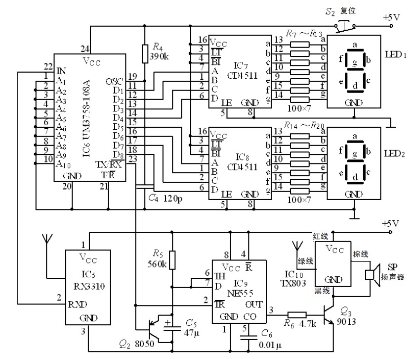
如图2 所示为无线呼叫系统接收电路。主要由数据无线接收模块IC5(RX3310)、语音无线接收模块IC10(TX803)、数字编/译码双功能集成电路IC6(UM3758-108A)、延时电路IC9(NE555)、LED 数码管驱动电路及显示电路等组成。

图2 无线呼叫系统接收电路
编码数据信号经接收天线接收,经过IC5(RX3310)和IC6(UM3758-108A)电路处理,其输出控制数码显示电路和语音延时电路,IC7(CD4511)和IC8(CD4511)为LED 数码管专用译码芯片,当输入信号为BCD 码时,共阴极LED 数码管分别显示其对应的十进制0~9 字型[8~9].
在数码管显示出呼叫分机编号的同时,IC9 (NE555)的3 脚(OUT)输出高电平,晶体管Q3(9013)饱和导通,无线语音接收模块IC10(TX803)通电工作,扬声器发出工作人员的语音呼叫信息,使值班人员及时了解紧急呼叫的现场情况。
系统工作电源为5V,采用可充蓄电池作为备用电源,自动充电和转换,以保证交流电停电时系统仍能正常工作。
3 结语
由于该系统采用了无线电接收和发射技术、数字编码技术,实现了一台接收主机可以设置数台呼叫分机,可同时监视多个工作地点。该系统不但抗干扰能力强,而且还具有较远的远的传输距离,非常适合矿山工程、电力控制设备、安防系统、工业数据采集等领域使用。
