1 概述
450W多路DC/ DC 变换器是一种直流变换开关电源,其输入电压为直流27V ,电源输出分别为直流±20V 10A 和5V 10A 三种不同的类型,其中电源的输入与输出隔离,且输出电源的±20V 和5V 不共地,这样可以防止共地带来的干扰。 该电源具有输出稳压精度高和纹波小等优点。
开关电源PWM 变换器主电路拓扑形式有boost 变换器、buck 变换器、buck2boost 变换器和Cuk 变换器,在此基础上,有带隔离变压器的各种DC2DC 变换器拓扑,如单端正激或单端反激变换器,全桥变换器,半桥变换器,推挽式变换器和Cuk 变换器等。
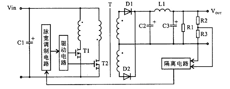
该电源主电路采用双驱动推挽变换器。 在输入电压较低时,推挽电路比半桥或全桥电路优越,因为任何时候最多只有一个开关管工作,在输出功率相同时,开关损耗较小。
低压双驱动推挽变换器电路原理图如图1 所示。

图1 双驱动推挽变换器电路原理
由于驱动电路控制,使得两个功率场效应管T1 、T2 交替导通,且二者之间有一个死区时间,即两个场效应管都关断的阶段,在此期间电感L 1 保持电流续流回路。 对于电流连续方式,输出电压由下式决定:
式中, V S 是输入电压, ton 是T1 或T2 的导通时间, tof f 是其关断时间, NS 和N P 分别是变压器付方和原方匝数。
2 脉宽调制电路设计及计算机仿真
PWM脉宽调制器采用S G1525 脉宽控制器, S G1525 适合于驱动功率场效应管,校正补偿环节采用PI 调节器,输出滤波电路采用π型滤波。 PI 校正补偿电路如图2 所示,其传递函数为:


图2 PI 校正补偿电路
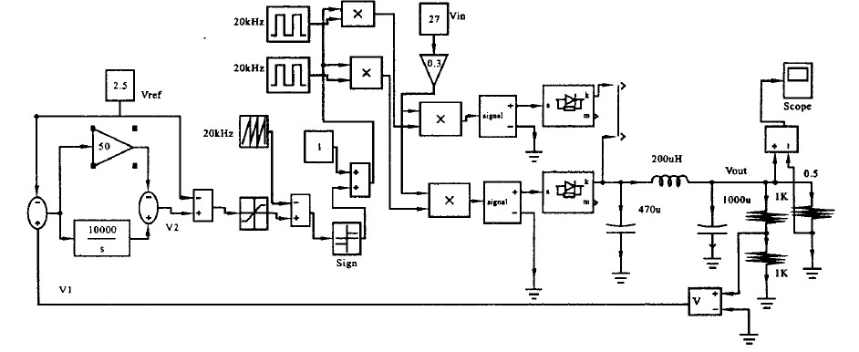
应用MATLAB6. 5 对5V 10A 的电源进行仿真,MATLAB 是一个功能强大的计算机仿真软件,仿真原理图如图3所示,输出电压波形曲线如图4 所示。

图3 电路原理仿真

图4 输出电压波形仿真
3 驱动电路设计
功率驱动器件选用场效应管,场效应管为场控器件,栅源极间有电容效应,因此对驱动电路要求较高。 驱动电路要保证场效应管有较小的导通和关断时间,同时为了保证场效应管可靠关断,关断时应在栅极加负压。 驱动电路采用IR2110 驱动器,驱动电路如图5 所示。