1 引言
目前,能源节约和环保问题倍受人们关注。飞速发展的经济对能源的要求相当迫切,中国面临能源问题也更为突出,我们学校也随之重视起来。随着我们新校区的落成,规模不断壮大,更要科学合理的制定路灯控制方案,显得越来越重要。
研究校园路灯控制技术的目的: 路灯照明时刻要合理和可靠,使其自动化,智能化,可靠地保证路灯在合理的时刻亮灯。亮灯的时刻不仅要根据光线的亮度、实际车流量和人流量设计具体路段的路灯控制方案,还要根据具体流量统计,及时进行方案的调整及优化。
本课题《校园路灯的PLC 控制系统设计》由三菱FX2N-32MRPLC可编程控制器作为主控单元和三菱F940GOT 触摸屏作为控制系统操作进行相结合构成。采用光电传感器对照度进行检测。当照度低于一定值时,控制路灯开启;当照度高于一定值时,控制路灯关闭。控制时间段的合理化,行人的安全性和人车流量,路灯的寿命等等进行设计。
2 学校路灯的主要问题
2.1 校园路灯现在采用控制方法以分散时控方式为主,即在路灯配电箱中安装定时器,按预定的时间自行开/关灯;而有些路段灯开关通常是人工手动控制方法。现行的方法既不能及时调整开/关灯的时间,更无法及时反映照明设施的运行情况,并且故障率高、维修困难。
2.2 开关灯的地区不合理,有些地方到了晚上根本就不需要照明了,路灯还依然亮着,有些地方需要照明的,偏偏就不亮。
2.3 开关时间控制随意,过早就浪费电能,过迟就影响行车行人。
2.4 路灯的基本上是同一时间打开,影响电网的稳定。
2.5 控制方式简单,浪费资源,系统对电能的消耗过大:灯具烧坏频繁,维护不方便。
3 路灯的控制设计
3.1 光电传感器检验电路
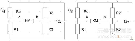
为了让路灯能在白天自动关闭和晚上自动开启,需有一个亮度检测装置。如图1 为路灯的亮度检测电路。如图1,亮度检测电路是由四个电阻构成一个电桥,Re 光敏电阻,KM 为继电器,电源电压为12V.检验灵敏度由R2/R3 决定,R2=R3 时灵敏度最高,即为电桥的最高灵敏度。

图1 亮度检测电路
当有光照在光敏电阻Re 上时,Re 的电阻值为100KΩ,R1=50mΩ,R2=R3=1.2 mΩ。当光线较强时,Uab≈5V,继电器KM 动作,路灯断电停止工作。当光线较暗时,a、b 之间的电压为0V,继电器KM 不会动作,路灯开始工作,点亮。
3.2 控制要求
根据我校具体的情况,可以将学校路灯分为16 段:A1、A2、A3、A4、B1、B2、B3、B4、C1、C2、D1、D2、E1、E2、F、Z 段。主路段大道分为四段:A1、A2、A3、A4;生步行上下课路段:B1、B2、B3、B4;宿舍区路段:C1、C2 ;山区路段:D1、D2;文化长廊路段:E1、E2;学校广场:F;其他:G;路灯的控制路段根据各区域不同和季节的变化进行更改,以下是控制要求:相对应的区域时间输出如图2。

图2 相对应时间段路灯的输出
3.3 控制电路设计
控制方式分为手动(机械)和自、手动(PLC)三种方式,可以随意切换,操作灵活方便。下面图是控制电路连接图3。

图3 控制电路连接图
3.4 PLC 编程控制方式
(1) I/O 分配图。
输入点分配表

输出分配表
 
(2) PLC 程序设计梯形图。
为了节省PLC 的输入点,在程序的设计中,利用到DECO 译码指令,如图4.程序还利用了时间比较,让路灯按照时间的设定点亮,如图5.

图4

图5
在控制系统中,触摸屏采用通过计算机的GX-Developer 画面制作软件为平台,开发控制系统的程序。该控制系统监控软件采用三菱F940GOT 触摸屏,将用于现场控制的三菱PLC 控制系统和监控系统连接起来。其次,从变量定义和I/O 设备的管理入手,利用F940GOT 多样化的绘图工具、强大的脚本语言处理能力和丰富的命令语言函数开发主监控界面,子监控界面处分利用GX-Developer软件提供的内部软件,让操作人员选择自动或者手动运行。对于手动状态也减少了PLC 的输入点,从而降低成本,又增加了可操作性。
该系统的分为四个监控画面,如图6 所示。

图6 触摸屏控制画面
4 结束语
本课题路灯控制系统设计原理新颖,硬件简单,有很好的节电效果。实验证明,该系统不仅有很好的节能效率,而且具有延长灯泡寿命的功能。由于该系统采用了三菱FX2NPLC 控制,具有可靠性高、抗干扰能力强;编程简单、使用方便;功能完善、通用性强;设计安装简单、维护方便;体积小、质量轻、能耗低等优点。并具有高的性价比,通过编程改变控制方案,可适用于不同时差的地区。还可以根据实际情况变更和扩展,提高其灵活性和适应性,有利于应用和推广,这也是路灯节能控制的发展趋势。
 

 版权所有
 版权所有