1.前 言
三相PWM整流器的直接电流控制具有电流响应快速性,直接电流控制的方式有:滞环电流控制【1】、固定开关频率控制【2】、空间矢量电流控制【3】等。然而由于电流采样周期及PWM控制延时的存在,使三相交流电流控制存在滞后,这将影响电流跟踪控制的动态性能。本文提出了基于电流预测直接控制的方法,控制PWM整流器的开关,可实现电流的无差拍控制。
2.预测电流直接控制原理
基于数字控制的三相VSR PWM电流控制器,因电流采样周期及PWM控制延时的存在,使三相VSR交流电流控制存在滞后,这将影响电流跟踪控制的动态性能。三相VSR PWM控制器,其电流控制的最小延时至少需要一个PWM开关周期,而预测电流直接控制的思想就是要求只经过一个PWM开关周期,使三相VSR实际电流与指令电流相等。
从开关的在线优化出发,控制加到开关控制器的输入量,从而控制复平面里的电流矢量轨迹,使它相对于参考电流矢量保持最小的空间误差。即在一个开关周期内根据负载情况和给定的电流矢量变化率,推导出使电流误差矢量趋于零的电压矢量,去控制PWM整流器的开关,实际上是对电流作出预测性控制。当开关频率较高时,可实现电流的无差拍控制,提高电流控制的精度和电压环响应速度。其结构如图1。

图1电流预测直接控制原理图
3.基于电流预测的SVPWM控制策略
三相VSR电流预测SVPWM控制是一种电流响应较快的基于电压矢量合成的PWM电流控制策略,与采用PI调节器生成指令电压矢量方案不同的是,这种电流预测SVPWM控制的指令电压矢量采用电流预测算法求得。
根据三相VSR的拓扑结构和电压空间矢量的定V、E、I分别为三相VSR的入端空间电压矢量、三相电网电压的空间电压矢量和三相电网电流空间矢量。
在忽略线电阻的情况下,为了实现三相VSR的电流预测控制,设
为当前开关周期的电流期望矢量,V*为当前周期的空间电压合成期望矢量。则希望满足:

事实上,因为我们希望
在任何时刻总是和电网电压E保持在相同或者相反的方向上,因此可以作出各个矢量在![]()
坐标系下的位置关系示意图。

图2 单位功率因数下的三相VSR矢量关系
仍按照电压外环控制模式,根据输出直流电压的误差得到系统当前期望的有功电流,无功电流期望为0;通过坐标变换便可得到
坐标系下的分量。![]()
则是根据实际采样的三相电流进行坐标变换得到其在坐标系下![]()
的分量。再根据上图各个矢量关系,不难得到![]()
的矢量。由此便可进一步求出期望的电压空间矢量V*在![]()
坐标系下的分量。

(3)
在基于电流预测的SVPWM控制方式中,需要校正的只有直流电压外环一个PID调节器了,参数调节变得更加方便,系统实现也更加容易。这种控制方式不仅继承了常规SVPWM的各种优点,而且实现更加简单,性能更为优越。
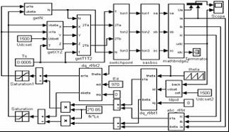
4.基于电流预测的SVPWM仿真
仿真参数:整流器的容量P=2500kW,直流侧输出电压Udc=1500V,开关频率选为f=2k,输入电感L=0.85mH,直流侧电容C=60mF,负载电阻
;电网输入相电压有效值为

图3三相VSR基于预测电流的SVPWM系统仿真
各相电压、电流对称,以下图形为A相电压、电流波形和直流侧输出电压波形。
在反电势为0的前提下,待系统进入稳定状态;然后在大约第0.5秒钟时刻,在直流侧加入500V的反电动势;再次进入稳定状态后,分别在大约第1秒和1.5秒钟时刻再将直流侧反电势值分别改为1500V和2000V。

仿真结果对比表明:基于预测电流的SVPWM模式与滞环电流控制方式相比,基于预测电流的SVPWM模式的暂态调节时间和超调量都小于滞环电流控制方式,电流跟踪的快速性更好,而且输出电压的谐波也小。 可见,预测电流控制方式是一种非常好的直接电流控制方式。
