序言
由于直流无刷电动机既具有交流电动机的结构简单、运行可靠、维护方便等一系列优点,又具备直流电动机的运行效率高、无励磁损耗以及调速性能好等诸多优点,故在当今国民经济各领域应用日益普及。
一个多世纪以来,电动机作为机电能量转换装置,其应用范围已遍及国民经济的各个领域以及人们的日常生活中。其主要类型有同步电动机、异步电动机和直流电动机三种。由于传统的直流电动机均采用电刷以机械方法进行换向,因而存在相对的机械摩擦,由此带来了噪声、火化、无线电干扰以及寿命短等弱点,再加上制造成本高及维修困难等缺点,从而大大限制了它的应用范围,致使目前工农业生产上大多数均采用三相异步电动机。
针对上述传统直流电动机的弊病,早在上世纪30年代就有人开始研制以电子换向代替电刷机械换向的直流无刷电动机。经过了几十年的努力,直至上世纪60年代初终于实现了这一愿望。上世纪70年代以来,随着电力电子工业的飞速发展,许多高性能半导体功率器件,如GTR、MOSFET、IGBT、IPM等相继出现,以及高性能永磁材料的问世,均为直流无刷电动机的广泛应用奠定了坚实的基础。
三相直流无刷电动机的基本组成
直流无刷永磁电动机主要由电动机本体、位置传感器和电子开关线路三部分组成。其定子绕组一般制成多相(三相、四相、五相不等),转子由永久磁钢按一定极对数(2p=2,4,…)组成。图1所示为三相两极直流无刷电机结构,

图1 三相两极直流无刷电机组成
三相定子绕组分别与电子开关线路中相应的功率开关器件联结,A、B、C相绕组分别与功率开关管V1、V2、V3相接。位置传感器的跟踪转子与电动机转轴相联结。
当定子绕组的某一相通电时,该电流与转子永久磁钢的磁极所产生的磁场相互作用而产生转矩,驱动转子旋转,再由位置传感器将转子磁钢位置变换成电信号,去控制电子开关线路,从而使定子各项绕组按一定次序导通,定子相电流随转子位置的变化而按一定的次序换相。由于电子开关线路的导通次序是与转子转角同步的,因而起到了机械换向器的换向作用。
图2为三相直流无刷电动机半控桥电路原理图。此处采用光电器件作为位置传感器,以三只功率晶体管V1、V2和V3构成功率逻辑单元。

图2 三相直流无刷电动机
三只光电器件VP1、VP2和VP3的安装位置各相差120度,均匀分布在电动机一端。借助安装在电动机轴上的旋转遮光板的作用,使从光源射来的光线一次照射在各个光电器件上,并依照某一光电器件是否被照射到光线来判断转子磁极的位置。

图3 开关顺序及定子磁场旋转示意图
图2所示的转子位置和图3 a)所示的位置相对应。由于此时广电器件VP1被光照射,从而使功率晶体V1呈导通状态,电流流入绕组A-A’,该绕组电流同转子磁极作用后所产生的转矩使转子的磁极按图3中箭头方向转动。当转子磁极转到图3 b)所示的位置时,直接装在转子轴上的旋转遮光板亦跟着同步转动,并遮住VP1而使VP2受光照射,从而使晶体管V1截至,晶体管V2导通,电流从绕组A-A’断开而流入绕组B-B’,使得转子磁极继续朝箭头方向转动。当转子磁极转到图3 c)所示的位置时,此时旋转遮光板已经遮住VP2,使VP3被光照射,导致晶体管V2截至、晶体管V3导通,因而电流流入绕组C-C’,于是驱动转子磁极继续朝顺时针方向旋转并回到图3 a)的位置。
这样,随着位置传感器转子扇形片的转动,定子绕组在位置传感器VP1、VP2、VP3的控制下,便一相一相地依次馈电,实现了各相绕组电流的换相。在换相过程中,定子各相绕组在工作气隙内所形成的旋转磁场是跳跃式的。这种旋转磁场在360度电角度范围内有三种磁状态,每种磁状态持续120度电角度。各相绕组电流与电动机转子磁场的相互关系如图3所示。图3a)为第一种状态,Fa为绕组A-A’通电后所产生的磁动势。显然,绕组电流与转子磁场的相互作用,使转子沿顺时针方向旋转;转过120度电角度后,便进入第二状态,这时绕组A-A’断电,而B-B’随之通电,即定子绕组所产生的磁场转过了120度,如图3 b)所示,电动机定子继续沿顺时针方向旋转;再转120度电角度,便进入第三状态,这时绕组B-B’断电,C-C’通电,定子绕组所产生的磁场又转过了120度电角度,如图3 c)所示;它继续驱动转子沿顺时针方向转过120度电角度后就恢复到初始状态。图4示出了各相绕组的导通顺序的示意图。

图4 各相绕组的导通示意图
位置传感器
位置传感器在直流无刷电动机中起着测定转子磁极位置的作用,为逻辑开关电路提供正确的换相信息,即将转子磁钢磁极的位置信号转换成电信号,然后去控制定子绕组换相。位置传感器种类较多,且各具特点。在直流无刷电动机中常见的位置传感器有以下几种:电磁式位置传感器、光电式位置传感器、磁敏式位置接近传感器。
电磁式位置传感器在直流无刷电动机中,用得较多的是开口变压器。用于三相直流无刷电动机的开口变压器由定子和跟踪转子两部分组成。定子一般有六个极,它们之间的间隔分别为60度,其中三个极上绕一次绕组,并相互串联后通以高频电源,另外三个极分别绕上二次绕组WA、WB、WC。它们之间分别相隔120度。跟踪转子是一个用非导磁材料做成的圆柱体,并在它上面镶一块120度的扇形导磁材料。在安装时将它与电动机转轴相联,其位置对应于某一磁极。一次绕组所产生的高频磁通通过跟踪转子上的到此材料耦合到二次绕组上,故在二次绕组上产生感应电压,而另外两相二次绕组由于无耦合回路同一次绕组相联,其感应电压基本为零。随着电动机转子的转动,扇形片也跟着旋转,使之离开当前耦合一次绕组而向下一个一次绕组靠近。就这样,随着电动机转子运动,在开口变压器二次绕组上分别感应出电压。扇形导磁片的角度一般略大于120度电角度,常采用130度电角度左右。在三相全控电路中,为了换相译码器的需要,扇形导磁片的角度为180度电角度。同时,扇形导磁片的个数应同直流无刷电动机的极对数相等。
接近开关式位置传感器主要由谐振电路及扇形金属转子两部分组成,当扇形金属转子接近震 荡回路电感L时,使该电路的Q值下降,导致电路正反馈不足而停振,故输出为零。扇形金属转子离开电感元件L时,电路的Q值开始上升,电路又重新起振,输出高频调制信号,经二极管检波后,取出有用控制信号,去控制逻辑开关电路,以保证电动机正确换向。
光电式位置传感器前面已经讲过,是利用光电效应制成的,由跟随电动机转子一起旋转的遮光板和固定不动的光源及光电管等部件组成。
磁敏式位置传感器是指它的某些电参数按一定规律随周围磁场变化的半导体敏感元件。其基本原理为霍尔效应和磁阻效应。常见的磁敏传感器有霍尔元件或霍尔集成电路、磁敏电阻器及磁敏二极管等多种。
研究结果表明,在半导体薄片上产生的霍尔电动势E可用下式表示:
式中RH ——霍尔系数(
);
IH——控制电流(A);
B——磁感应强度(T);
d——薄片厚度(m);
p——材料电阻率(Ω*s);
u——材料迁移率(
);
若在上式中各常数用KH表示,则有
E=KHIHB
霍尔元件产生的电动势很低,直接应用很不方便,实际应用时采用霍尔集成电路。霍尔元件输出电压的极性随磁场方向的变化而变化,直流无刷电动机的位置传感器选用开关型霍尔集成电路。
磁阻效应是指元件的电阻值随磁感应强度而变化,根据磁阻效应制成的传感器叫磁阻电阻。
三相直流无刷电动机的运行特性
要十分精确地分析直流无刷电动机的运行特性,是很困难的。一般工程应用中均作如下假定:
(1)电动机的气隙磁感应强度沿气隙按正弦分布。
(2)绕组通电时,该电流所产生的磁通对气隙所产生的影响忽略不计。
(3)控制电路在开关状态下工作,功率晶体管压降 为恒值。
(4)各绕组对称,其对应的电路完全一致,相应的电气时间常数忽略不计。
(5)位置传感器等控制电路的功耗忽略不计。
由于假设转子磁钢所产生的磁感应强度在电动机气隙中是按正弦规律分布的,即B=BMsinθ 。这样,如果定子某一相绕组中通一持续的直流电流,所产生的转矩为
TM=ZDLBMrIsinθ
式中, ZD——每相绕组的有效导体数;
L——绕组中导线的有效长度,即磁钢长度;
r——电动机中气隙半径;
I——绕组相电流。
就是说某一相通以不变的直流后,它和转子磁场作用所产生的转矩也将随转子位置的不同而按正弦规律变化,如图5所示。

图5 在恒定电流下的单相转矩
它对外负载讲,所得的电动机的平均转矩为零。但在直流无刷电动机三相半控电路的工作情况下,每相绕组中通过1/3周期的矩形波电流。该电流和转子磁场作用所产生的转矩也只是正弦转矩曲线上相当于1/3周期的一段,且这一段曲线与绕组开始通电时的转子相对位置有关。显然在图6 a所示的瞬间导通晶体管,则可产生最大的平均转矩。因为在这种情况下,绕组通电120度的时间里,载流导体正好处在比较强的气隙磁场中。所以它所产生的转动脉动最小,平均值较大。习惯上把这一点选作晶体管开始导通的基准点,定为 。在 =0度的情况下,电动机三相绕组轮流通电时所产生的总转矩如图6b 所示。

图6 三相直流无刷电动机半空桥转矩
如若晶体管的导通时间提前或滞后,则均将导致转矩的脉动值增加,平均值减小。当 =30度时,电动机的瞬时转矩过零点,这就是说,当转子转到某几个位置时,电动机产生的转矩为零,电动机起动时会产生死点。当 ≥30度后,电动机转矩的瞬时值将出现负值,则总输出转矩的平均值更小。因此,在三相半控的情况下,特别是在起动时, 不宜大于30度,而在直流无刷电动机正常运行时,总是尽力把 角调整到0度,使电动机产生的平均转矩最大。当 =0度时,可以求得输出转矩的平均值 :

电动机在电动转矩的作用下转动后,旋转的转子磁场就要切割定子绕组,在各相绕组上感生出电动势,当其转速n不变时,该电动势波形也是正弦波,相位同转矩相位一致。在本电路中,每相绕组在一个周期中只通电 ,因此仅在这 期间对外加电压起作用。所以对外加电压而言,感生电动势波形如图7所示。

图7 三相直流无刷电动机半控电路的反电动势
同理可按下式求得感生电动势的平均值 :

从上面的平均转矩和平均反电动势,便可求得直流无刷电动机稳定运行时的电压平衡方程式,为此首先定义反电动势系数和转矩系数:

对于某个具体的电动机,它们为常数。当然,其大小同主回路的接法以及功率晶体管的换相方式有关。
直流无刷电动机三相半控桥的电压平衡方程组为:
其中 ,
,
,将其代入上式整理后,可得其机械特性方程为
式中 n——电动机转速(r/min );
U——电源电压(V);
△U—— 功率管管压降(V);
Kc——电动势系数;
Ta——电动机产生的电动转矩平均值(N?m);
KT——转矩系数;
R——电动机的内阻(Ω)。
在三相半控电路中,其转矩的波动在TM 到TM/2 之间,这是直流无刷电动机不利的一面。
三相直流无刷电动机的应用
三相半控电路
常见的三相半控电路如图8所示,图中LA、LB、LC为电动机定子A、B、C三相绕组,VF1、VF2、VF3为三只MOSFET功率管,主要起开关作用。H1、H2、H3为来自转子位置传感器的信号。如前所述,在三相半控电路中,要求位置传感器的输出信号1/3周期为高电平,2/3周期为低电平,并要求各传感器信号之间的相位也是1/3周期。

图8 三相半控桥电路
和一般电动机一样,在电动机起动时,由于其转速很低,故转子磁通切割定子绕组所产生的反电动势很小,因而可能产生过大电流I。为此,通常需要附加限流电路,图9为常见的一种,图中的电压比较器,主要用来限制主回路电流,当通过电动机绕组的电流I在反锁电阻Rf上的压降IRf大于某给定电压U0时,比较器输出低电平,同时关断了VF1、VF2、VF3 三只功率场效应晶体管,即切断了主电路。当IRf《U0时,比较器不起任何作用。当IRf〈U0时,比较器输出高电平,这时它不起任何作用。I0=U0/Rf 就是所要限制的电流最大值,其大小视具体要求而定。一般取额定电流的2倍左右。

图9 起动电流的限制
三相Y联结电路
三相半控电路结构简单,但电动机本体的利用率很低,每个绕组只通电1/3周期,没有得到充分的利用,而且在运行中转矩波动较大。在要求较高的场合,一般均采用如图10所示的三相全控电路。三相全控电路有两两换相和三三换相两种方式

图10 三相全控电路
在该电路中,电动机的三相绕组为Y联结。如采用两两通电方式,当电流从功率管VF1和VF2导通时,电流从VF1流入A相绕组,再从C相绕组经VF2流回到电源。如果认定流入绕组的电流所产生的转矩为正,那么从绕组所产生的转矩为负,他们合成的转矩大小为 ,方向在Ta和-Tc角平分线上。当电动机转过60度后,由VF1VF2通电换成VF2VF3通电。这时,电流从VF3流入B相绕组,再从C相绕组流出经VF2回到电源,此时合成的转矩大小同样为 。但合成转矩T的方向转过了60度电角度。而后每次换相一个功率管,合成转矩矢量方向就随着转过60度电角度。所以,采用三相Y联结全控电路两两换相方式,合成转矩增加了 倍。每隔60度电角度换相一次,每个功率管通电120度,每个绕组通电240度,其中正向通电和反向通电各120度。其输出转矩波形如图11所示。从图中可以看出,三相全控室的转矩波动比三相半控时小,从0.87Tm到Tm 。

图11 全控桥输出波形图
三三通电方式,这种通电的顺序为VF1VF2VF3、VF2VF3VF4、VF3VF4VF5、VF4VF5VF6、VF5VF6VF1、VF6VF1VF2、VF1VF2VF3。当VF6VF1VF2导通时,电流从VF1管流入A相绕组,经B和C相绕组分别从VF6和VF2流出。经过60度电角度后,换相到VF1VF2VF3通电,这时电流分别从VF1和VF3流入,经A和B相绕组再流入C相绕组,经VF2流出。在这种通电方式里,每瞬间均有三个功率管通电。每隔60度换相一次,每次有一个功率管换相,每个功率管通电180度。合成转矩为1.5Ta.
三相Δ联结电路也可以分为两两通电和三三通电两种控制方式。
两两通电方式的通电顺序是VF1VF2、VF2VF3、VF3VF4、VF4VF5、VF5VF6、VF6VF1、VF1VF2,当VF1VF2导通时,电流从VF1流入,分别通过A相绕组和B、C两相绕组,再从VF2流出。这时绕组的联结是B、C两相绕组串联后再通A相绕组并联,如果假定流过A相绕组的电流为I,则流过B、C相绕组的电流分别为I/2。这里的合成转矩为A相转矩的1.5倍。
三三通电方式的顺序是VF1VF2VF3、VF2VF3VF4、VF3VF4VF5、VF4VF5VF6、VF5VF6VF1、VF6VF1VF2、VF1VF2VF3,当VF6VF1VF2通电时,电流从VF1管流入,同时经A和B相绕组,再分别从VF6和VF2管流出,C相绕组则没有电流通过,这时相当于A、B两相绕组并联。这时相当于A、B两绕组并联,合成转矩为A相转矩的倍。
直流无刷电动机的微机控制
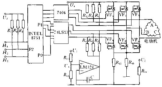
图12示出采用8751单片机来控制直流无刷电动机的原理框图。8751的P1口同7406反相器联结控制直流无刷电动机的换相,P2口用于测量来自于位置传感器的信号H1、H2、H3,P0口外接一个数模转换器。

图12 直流无刷电动机计算机控制原理图
换相的控制
根据定子绕组的换相方式,首先找出三个转子磁钢位置传感器信号H1、H2、H3的状态,与6只功率管之间的关系,以表格形式放在单片机的EEPROM中。8751根据来自H1、H2、H3的状态,可以找到相对应的导通的功率管,并通过P1口送出,即可实现直流无刷电动机的换相。
起动电流的限制
主回路中串入电阻R13,因此Uf=R13*IM,其大小正比于电动机的电流IM。而Uf和数模转换器的输出电压U0分别送到LM324运算放大器的两个输入端,一但反馈电压大于Uf大于来自数模转换的给定信号U0,则LM324输出低电平,使主回路中3只功率管VF4、VF6、VF2不能导通,从而截断直流无刷电动机定子绕组的所有电流通路,迫使电动机电流下降,一旦电流下降到使Uf小于U0,则LM324输出回到高电平。主回路又具备导通能力,起到了限制电流的作用。
转速的控制
在直流无刷电动机正常运行的过程中,只要通过控制数模转换器的输出电压U0,就可控制直流无刷电动机的电流,进而控制电动机的电流。即8751单片机通过传感器信号的周期,计算出电动机的转速,并把它同给定转速比较,如高于给定转速,则减小P2口的输出数值,降低电动机电流,达到降低其转速的目的。反之,则增大P2口的输出数值,进而增大电动机的转速。
PWM控制的实现
转速控制也可以通过PWM方式来实现。图13和图14为PWM控制实现直流无刷电动机转速的控制。

图13 PWM控制原理图

图14 PWM控制原理图
直流无刷电动机的正转反转,通过改变换相次序来改变其转动方向。具体做法只需要更换一下换相控制表。
变结构控制的实现
当直流无刷电动机处于起动状态或在调整过程中,采用直流无刷电动机的运行模式,以实现动态相应的快速性,一旦电动机的转速到了给定值附近,马上把它转入同步电动机运行模式,以保证其稳速精度。这时计算机只需要按一定频率控制电动机的换相,与此同时,计算机在通过位置传感器的信号周期,来测量其转速大小,并判断它是否跌出同步。一旦失布,则马上转到直流无刷电动机运行,并重新将其拉入同步。

图15 直流无刷电动机的变结构控制
