1前言
国外某公司利用一种新的高压变频技术,生产出功率为315kW~10000kW的完美无谐波高压变频器(PERFECTHARMONY),无需附加输出变压器实现了直接3kV或6kV高压输出;首家在高压变频器中采用了先进的IGBT开关器件;达到了完美的输入输出波形,无需附加任何滤波器就可以满足各国供电部门对谐波的严格要求;输入功率因数达到0?95以上;总体效率(包括输入隔离变压在内)高达97%。达到这样高指标的原因是因为采用了三项新的高压变频技术:一是在输出逆变器部分采用了具有独立电源单相桥式SPWM逆变器的直接串联叠加;二是在输入整流部分采用了多相多重叠加整流技术;三是在结构上采用了功率单元模块化技术。
2单相桥式SPWM逆变器的直接串联叠加
单相桥式SPWM逆变器的直接串联叠加法,是通过N个具有独立直流电源的单相桥式SPWM逆变器直接串联的方式级联而成的,这是专为高压大功率逆变器使用的一种串联叠加法。此法是用N个依次移开2π/N相位角的载波三角波,与同一个正弦调制波进行比较产生出N组控制信号,用这N组控制信号(N组信号依次相差2π/N相位角)去依次控制N个具有独立直流电源的单相桥式SPWM逆变器,使每一个单相桥式逆变器输出相同的基波电压,然后将N个单相桥式逆变器的输出电压串联起来,就可以得到多电平SPWM无谐波电压输出,这种串联不存在均压问题。
2?1两个单相桥式SPWM逆变器的串联叠加
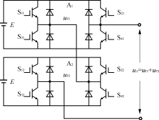
现个具有独立直流电源单相桥式SPWM逆变器的直接串联叠加电路如图1所示。由于N ![]()
=2,所以载波三角波的移相角α==π(=180°)。对于三相输出逆变器来说,其A相电路由两个单相桥式SPWM逆变器A1和A2串联组成。A1的载波三角波的移相角α=0;A2的载波三角波的移相角α=(=180°)。A1和A2的载波三角波用同一个A相的正弦波进行调制。这样就可以得到A1的输出电压up1、A2的输出电压up2。up1和up2具有相同的基波电压。A1和A2串联后的输出电压uA=up1+up2就是输出为正弦波的无谐波电压、其波形如图2所示。

图1两个单相桥式SPWM逆变器的串联叠加

图2A1及A2串联叠加后的波形
为了求出单相桥式SPWM逆变器A1、A2的输出电压up1、up2的SPWM波形,必须先求出SPWM波形中各脉冲前、后沿a、b点的座标,为此先列出载波三角波的方程式:
对于单相逆变器A1α=0
(1)
对于单相逆变器A2α=180° 
(2)
K=0,±1,±2…
调制波的方程式为:us(t)=Ussinωst(3) ![]()
假定载波比,调制比。
对于单相逆变器A2的输出电压up2的波形,
在采样点a:
Ussinωst=-
令ωst=Y;ωct=X,
则X=2πK+π-α-πMsinY
在采样点b:X=2πK+π-α+πMsinY
从图2中A2的up2波形可知:X=ωct在2πK+α到2π(K+1)+α区间内,在a、b点之间得到up2的正脉冲,故可以得到up2的SPWM波的时间函数式为:
up2(X,Y)=(4)
Y=X
函数up2(X,Y)可以用双重付里叶级数表示: ![]()
![]()
up2(X,Y)=Aoo+(AoncosnY+BonsinnY)+ ![]()
(AmocosmX+BmosinmY)+{Amncos(mX+nY)+Bmnsin(mX+nY)}
式中: ![]()
Amn+jBmn=up2(X,Y)
将式(4)代入上式得: ![]()
Amn+jBmn= ![]()
=
由贝塞尔函数得: ![]()
![]()
所以:Amn+jBmn=
·〔〕 ![]()
=j(5)当n
为零或偶数时,=0,Amn+jBmn=0,当n
为奇数时,=2
所以:Amn+jBmn=jJn(mMπ)·〔cosm(π-α)+jsinm(π-α)〕
Amn=-Jn(mMπ)sinm(π-α);
Bmn=Jn(mMπ)cosm(π-α)
当m=0时=1 ![]()
Aon+Bon=up2(X,Y)
因为up2(X,Y)是奇函数,故得:
Aon=0 ![]()
Bon=up2(X,Y) ![]()
![]()
=
当n=1时,Bo1=ME;当n≠1时,Bon=0
故得up2的SPWM波形的双重付里叶级数式为:
up2(t)=MEsinωst+cosm(π-α)
·sin〔(mF+n)ωst〕![]()
-sinm(π-α)·cos〔(mF+n)ωst〕(6)
由于A1的载波三角波的α=0;由于A2的载波三角波的α=π,A1和A2用的又是同一个正弦调制波,所以由式(6)可得:
up1(t)=MEsinωst+cosm(π-0)
·sin〔(mF+n)ωst〕 ![]()
-sinm(π-0)
cos〔(mF+n)ωst〕(7)
up2(t)=MEsinωst+cosm(π-π)
·sin〔(mF+n)ωst〕![]()
-sinm(π-π)·cos〔(mF+n)ωst〕(8)
由于up1(t)和up2(t)的基波电压相同;同时又有sinm(π-0)+sinm(π-π)=0。对于cosm(π-0)+coom(π-π):当m等于偶数时等于2;当m为奇数时等于零,所以式(7)和式(8)相加得到的uA的双重付里叶级数式为:
uA=up1(t)+up2(t)=2MEsinωst+
sin〔(mF+n)ωst〕(9)
由式(9)可知:N=2的串联叠加在逆变器A相输出电压中得到的是五电平电压输出。在uA中不再包含2F±1次以下的谐波,仅包含2F±1以上的谐波。uA=up1(t)+up2(t)的波形如图2所示。
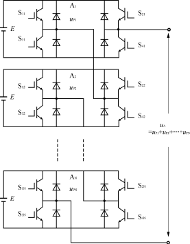
2?2N个单相桥式SPWM逆变器的串联叠加
当N ![]()
取等于或大于2的任一自然数时,都可以利用上述直接串联叠加的方法,其电路如图3所示,以消除SPWM波形中小于NF±1的谐波成分。其载波三角波的移相角依次移开2π/N。对于A相,单相逆变器A1的α=0,A2的α=2π/N,A3的α=·(3-1)…AN的α=·(N-1),A1~AN用同一个A相正弦波作调制波,得到A1~AN的输出电压up1(t)~upN(t):
up1(t)=MEsinωst+cosm(π-0)
·sin〔(mF+n)ωst〕 ![]()
-sinm(π-0)
·cos〔(mF+n)ωst〕(10) ![]()
up2(t)=MEsinωst+cosm(π-)
·sin〔(mF+n)ωst〕 ![]()
![]()
-sinm(π-) ![]()
cosm(π-G)

图3N个独立电源直接串联叠加
·cos〔(mF+n)ωst〕(11)…… ![]()
upN(t)=MEsinωst+cosm〔π-〕
·sin〔(mF+n)ωst〕 ![]()
![]()
-sin〔π-)cos〔(mF+n)ωst〕(12) ![]()
![]()
![]()
![]()
![]()
由于up1(t)~upN(t)具有相同的基波电压,同时sinm(π-0)+sinm(π-)+…sinm〔π-〕=0;对于cosm(π-0)+cosm(π-)+…+cosm〔π-〕=cosm(π-G)的值,它与N和m的值如表1所示。
表1cosm(π-G)与N、m的关系 m12345678910
N=20202020202
N=300-300300-30
N=40004000400
N=50000-500005
N=60000060000 ![]()
即:cosm(π-G)=±N(m等于奇数时取负号,m等于偶数时取正号)
所以:A相的输出电压uA等于:uA=up1(t)+up2(t)+…+upN(t) ![]()
=NMEsinωst±
sin〔(mF+n)ωst〕(13)
例如N=5时: ![]()
u5=5MEsinωst-
sin〔(mF+n)ωst〕(14)
当N=5时串联叠加后在A相输出电压中将得到11电平电压输出,在uA中将不再包含5F±1以下的谐波,而只包含5F±1以上的谐波,其波形如图4所示。
由式(13)可知:采用N个具有独立电源的单相桥式SPWM逆变器的直接串联叠加后,在A相输出电压中将得到(2N+1)个电平的电压输出,在uA的双重付里叶级数中可以消除NF±1次以下的谐波,。例如当开关频率fs=6000Hz,载波比F
==120,N=5时,在A相输出电压的付里叶级数式中,将可以消除5×120±1=600±1次以下的谐波,故称作无谐波(Harmony)逆变器(意即无低次谐波)。
n=±1,±3
n=±1,±3

图4当N=5时串联叠加的输出电压波形

图518相三重叠加整流电路
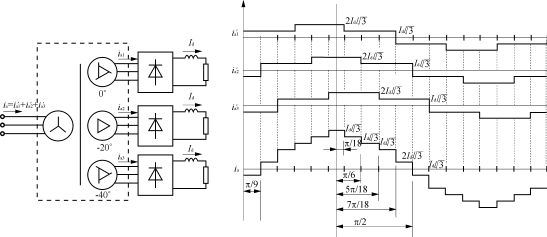
3多相多重叠加整流
完美无谐波高压变频器的输入整流器部分主要采用的是18相三重叠加整流方式,和30相五重叠加整流方式。
3?118相三重叠加整流
18相三重叠加整流电路与波形图如图5所示。输入变压器采用Y/ΔΔΔ接线的18相整流电路,输入变压器的三组次级绕组依次滞后=20°相位角,并各向一个三相桥式整流器供电、三个三相桥式整流器单独输出,输出直流电流为Id。变压器的初级输入电流ia ![]()
![]()
![]()
![]()
![]()
![]()
![]()
![]()
=++,、和为与三个次级绕组相对应的初级供电电流。经过、和三重叠加后的初级电流ia变成了十梯级等阶宽阶梯波,因此可以用Biriger公式来计算ia的基波与各次谐波的幅值:
式中:?n为谐波幅值:
n*=n()为相应于n的谐波次数;
δi为在ti点的跳跃值,n=1,2,3…m;
T为函数重复周期。
用Biriger公式对ia的十梯级等阶宽阶梯的基波与各次谐波幅值进行计算可得
Imn ![]()
=〔![]()
![]()
![]()
![]()
![]()
〕=()〔
〕(15)
用此式算出基波与各次谐波幅值为:
Im1=3.175Id;Im5=0.144Id;Im7=0.0838IdIm11=0.053Id;Im13=0.0554Id…
故输入电流ia的付里叶级数式为:ia ![]()
=()〔sinωt+0.045sin5ωt+0.0264sin7ωt+0.0167sin11ωt+0.0174sin13ωt+0.0588sin17ωt?0.034sin19ωt〕(16)
由此式可知ia的低次谐波含量大大减小。
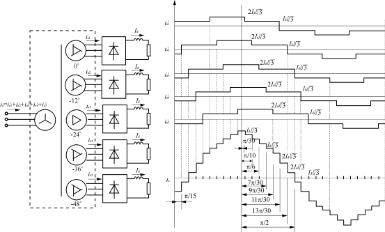
3?230相五重叠加整流
用Y/ΔΔΔΔΔ接线输入变压器的30相五重叠加整流电路与输入电流ia
的波形如图6所示,输入变压器的五组次级绕组依次滞后相位角,每一组次级绕组向一个三相桥式整流器供电,五个三相桥式整流器单独输出,输出直流电流为Id ![]()
![]()
![]()
![]()
。与五个次级绕组相对应的初级输入电流为、、、和,变压器初级输入电流ia ![]()
![]()
![]()
![]()
=++++。五重叠加后的输入电流ia的波形是16梯级等阶宽阶梯波。用Biriger公式对它的基波与各次谐波幅值进行计算得:Im ![]()
n=()〔
〕

图630相5重叠加整流电路

图7功率单元模块电路示意图
用此式算出基波与各次谐波的幅值为:
Im1=5.274Id;Im5=0.220Id;Im7=0.118IdIm11=0.055Id;Im13=0.0433Id;Im17=0.033IdIm19=0.0317Id;Im23=0.0358Id;Im25=0.0026Id输入电流ia的付里叶级数式为:ia ![]()
=(
+)(sinωt+0.0417sin5ωt+0.0223sin7ωt+0.0104sin11ωt+0.0082sin13ωt+0.0063sin17ωt+0.006sin19ωt+0.0067sin23ωt+0.00048sin25ωt+…)(18)
由此式可知25次以下的谐波大大减小了。
4功率单元模块化
为了便于生产和维修,完美无谐波高压变频器采用了功率单元模块化方式,功率单元模块的电路如图7所示。它是由熔断器、三相桥式整流器、直流滤波电容及IGBT单相全桥逆变器组成的电压型功率单元。单元中的直流滤波电容要足够大,以使变频器可以承受30%的电源电压下降和5个周波的电源电压失电。
用3?3kVIGBT开关器件组成的功率单元,可以输出4160V中压的、两个功率单元串联的SPWM电压源变频器如图8所示。由于串联的功率单元个数少,为了获得优良性能,在变频器的输出端可以附加输出交流滤波器。输入整流电源采用的是18相三重叠加整流器。
采用五个电压为690V的IGBT功率单元串联,输出电压为6000V的电压源变频器电路如图9所示。由于采用的是具有独立直流电源的功率单元模块的串联,所以不存在均压问题。功率单元中IGBT的开关频率为600Hz,每相有五个功率单元串联,所以输出相电压的等效开关频率为6000Hz。输入整流电路采用的是6000V的电压源变频器30相五重叠加整流电路,输入电流失真为0?8%,输入电压失真为1?2%,输入输出电压和电流的波形非常接近于正弦。

图8两个功率单元串联的SPWM电压源变频器(输出电压4160V)

图9五个功率单元串联的输出电压为
5结语
这种完美无谐波高压IGBT变频器,解决了高压变频器存在的开关器件串联均压、谐波和效率三大难题。采用具有独立直流电源单相桥式SPWM逆变器的直接串联叠加技术,减小了输出电压的低次谐波,方便了输出电压的调节,消除了开关器件串联的稳态和动态均压问题,减少了单个开关器件的开关频率,提高了逆变效率;采用多相多重叠加整流技术,减小了输入电流谐波,减少了对市电电网的污染,提高了输入功率因数;采用功率单元模块化技术方便了安装与维修,提高了变频器的可靠性。
