1 引言
对于电网短路和线路故障检测保护已有不少研究。市面上的电器短路、过载、超压的保护器功能单一。容易损坏,没用提示功能,不够人性化。但随人们生活水平的不断提高。用电设备也不断增加,产生了肓目用电现象。这给人们造成极大的安全隐患。其中危害性最大的用电故障有三种:输入电压过高、室内线路严重过载、用电器短路。本文设计的单片机AT89C5l用电故障控制系统的目的就是为了防止这三种故障带来的危害。
2 硬件的组成
单片机用电故障控制系统的硬件分别是:由降压变压器、2个相瓦串联的感应线圈、升压变JK器、电磁开关、5V稳压电源、超压过流信号获取比较电路、可编程接门扩展芯片8255、HD44780字符液晶显示模块、ISD2650语音芯片。扬声器和电容电阻等元器件组成,系统使用一片805l为控制芯片。控制和提示系统的基本电路如图1所示。

图1 单片机用电故障控制系统原理图
3 工作原理
3.1获取故障检测电压
由电磁学理论得,通电导线周嗣有电磁场产生。在供电的电线旁安置两个串联的电磁感应线圈(形状为矩形)来获取由导线电流变化产生的信号电压。
由文献中得,感应线圈电压计算公式为:

其中,μ0为真空磁导率,W为交流电的角频率,Im为用户总线的最大额定电流(可变值),N感应线圈的总匝数,l为感应线圈的长。d为感应线圈距导线的距离。a为感应线圈的宽。
3.2 过载故障保护电路工作原理
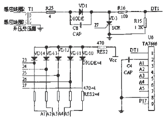
为了提高控制效果和减少感应线圈的匝数。则采用升压变压器T1把信号电压升高的方法进行电压提升,设升压变压器T1的变比为10/1。当用电过载时。流过进户火线的电流大大增加,由电磁感应定律得,感应线圈两端的感应电压大大增加,通过对这个感应电压的检测就能判断出当前是否出现过载现象,设这个信号电压达到V(升压变压器的次级输出为1.5V)时开始报警提示,当信号电压超过0.159V(升压变压器的次级输出为1.59V)时立即跳闸并报警提示。为了使控制系统获取过载控制的取样电压信号。采用如图2所示的电路。

图2 过载故障信号电压传输原理网
[next]
集成电路TA7666原为录音电平LED显示驱动集成电路,内部包含5个电压比较器,1脚为信号电压输入端,3、4、5、6和7脚为信号电压输出端。现在采用集成电路TA7666是为了得到5个不间级别的信号电压值。TA7666内部的电压比较器的基准电压是由8051单片机芯片根据用户线的规格米确定,并通过单片机芯片的8脚(P17)输出给TA7666。当升压变压器输出的电压超过1.5V,整流后得大于V的电压,经R14和R15分压后仍超过lV的电压,经TA7666内部电压比较器比较。3脚由高电变为低电平(低电平为0.3v),于是,二极管VD4导通,由R58和R59分压得约为2V电压加到805l单片机的P22IO口上。如果输出的电压不断变高,则TA7666的4,5,6,7脚依次由高电平变为低电平。这样在单片机的IO 13:P22,P23,P24,P25,和P26依次枪测到低电平输入,由8051单片机芯片内部运算识别从P00~P07脚输出过载信号,由DO~D07脚输入到8255扩展电路内,再由8255内部识别,从存储器中调出过载字符显示信号,从8255的PA0~PA7脚输出给HD44780的7~14脚,由HD44780字符显示模块显示出过载,不安全的文字。同时8255的PB0-PB7脚也输出过载的信号,由A0一A7脚输入到ISD2560内部,ISD2560从存储器中调出过载,不安全的语音信号,由ISD2560的14,15脚输出,于是,扬声器器连续发出五句“过载,不安全”的声音。
当过载超过额定5%就开始进行安全提示,分五个级别提示(每个级差为lO%),最高为145%,当过载不是很多,只是语音和文字提示,但没有切断电源,如果过载非常严重(如145%,此时集成电路TA7666的7脚高电平变为低电平。805l单片机的控制脚为高电平,VD2导通,保护仪器不受损坏。电路图中的芯片的IO口P26脚获得低电平输入),由用电保护电路原理图3可见,与门电路U8的输人为低电平,输出也为低电平,控制管Q1导通,电磁开关有电流通过而跳闸。

图3 超压故障信号传输原理图
当负载短路时,电线电流突然升得很大,磁感线圈的感应电压也很高,这会烧毁家庭用电故障提示器。为了防止这种情况发生,仪器上设计有两个保险丝,同时仪器上还设计有两个超压保护电路。短路故障发生时,TA7666的7脚为低电平,经门电路使保护二极管的控制端为高电平。于是二极管短路导通。确保仪器安全。
负载短路时。电线电流变得很大,使磁感线圈上产生的感应电压升得很高,这时。磁感线圈获得的电压远远大于0.15V,TA7666的3、4、5、6、7脚同时输出低电平,控制过程与前述相同,电磁开关立即切断电源。保证用电户电器设备的安全。
[next]
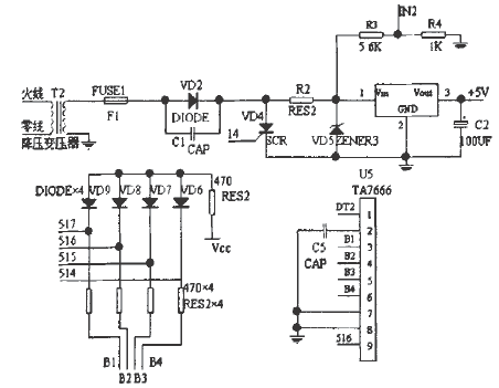
3.3 超压保护电路工作原理
如果降压变压器T2变比为1/50,降压变压器T2的次级绕组两端电JK设定安全值为Ur2=5.5 V。凶此输入用户的相电压也就最高不能大于265V,当干线电压过高时,获取的信号电压超过5.5V。这样申片机用电故障语音提示器就不仅仅提示,而且会使电路跳闸切断电源。
开始安全提示的最低电压为250V,超电压分为四个级别,每个级差相差5V,最高为265V。电压在265V以下都只是进行安全提示。没有跳闸断电。只有在大于或等于265V时才立即跳闸断电并安全提爪。工作原理为:
当干线电压过高时,变压器T2输出的电压超过5V,经整流滤波后加至TA7666。使3脚输出高电平。由PC3输入8255,8255得剑干线电压过高信号。从字符存储器中调出原来存储的电压过高的宁信息。由PA0~PA7输出到HD44780字符液晶显示模块。于是。HD44780字符液晶显示模块开始显示电压过高。不安全的语句。同时,8255也从存储器中调出干线电压过高的语音信息。由PB0.PB7输出送到ISD2650语音芯片,此时ISD2650语音芯片驱动扬声器发出5句电压过高。不安全”的报警声音。提示用户注意用电的安全。但这只足提示,不切断电。当干线电压超过270V时,变压器次级输出为5.6V,这时TA7666的5脚。由原来高电乎变为低电平。这时除字符和语音提示外。同时。或门电路也输出切断电源的控制信号,由电磁开关切断干线电流。
当干线电压由220V变为380V时。变压器输出的5V变为8.5V。TA7666的3、4、5、6、7全为低电平。电磁开关立即切断电源以保护用电设备。另外,由于TA7666的7脚是高电平。VD2的控制脚为高电平,VD2导通,保护仪器不受损坏。电路图中的C1,C2为大电解电容,其作用是当干线被切断后。由于Cl,C2充有电压。使仪器七的信号保留一定时间,即延迟作用。
4 主程序设计
主程序设计如图4表示。

图4 主程序流程图
5 结论
根据实验室和几十户安装单片机多功能用电故障提示器试验可知,通过感应线圈与变压器输出电压来获取超压、过载和短路故障的检测电压。由TA7666电压比较集成电路把信号电压分为5个级别,运用8051单片机芯片进行电压PID控制,使用HD44780字符液品显示模块和ISD2650语音芯片进行文字与语音提示用电故障,并能适时自动跳闸,证明单片机多功能用电故障控制器具有件能稳定、安全、可靠是珲想的用电保护提示器。能适用于各种低压用电场合。
论文创新点:用8051单片机实现了一个多功能用电故障控制器,具有字符提示和语音提示功能,改变厂目前漏电保护器和过载保护器功能单一,故障出现时没有任何提示等缺点。
