中心议题:
解决方案:
采用 LTC6803 平台
解决决定封装限制的因素
假定你接受了一项任务,为一个新的和基于电池的电源系统设计监视器电路,那么你会采取什么策略来优化该设计的成本和可制造性呢?最初考虑的问题将是确定系统的首选结构以及电池和有关电子组件的位置。基本结构清楚以后,接下来必须考虑的一个问题是,电路拓扑的权衡协调问题,例如,怎样优化最终产品的通信和互连。
电池的外形尺寸将对电源系统结构有重大影响。要使用大量小型电池以适合形状复杂的电池模块 (或电池组) 吗?或者要使用外形尺寸很大的电池,因而由于重量问题而导致对电池数量的限制或引起其他的尺寸限制?这也许是设计变数最大的部分,因为外形新颖的电池不断上市,而且人们也在不断努力,务求电池模块或电池组集成到产品中后,会与整个产品概念更加一致。例如,在汽车设计情况下,电池最终也许分散在车辆上的某些空间中,这些空间如果不放电池,利用效率很低。
另一个考虑因素是,电池 (或模块化电池组)、电池管理系统 (或其子系统) 以及最终应用接口之间的测试信号和 / 或遥测信号的互连。在大多数情况下,可以做一个外壳,用来集成电池模块或电池组中的某些数据采集电路,以便如果需要调换,那么生产 ID、校准、使用规格等重要信息能随着可替换组件带走。这类信息对电池管理系统 (BMS)或维修设备可能有用,而且最大限度地减少了线束中所需的高压额定值导线的数量。
接下来,就给定的机械概念设计而言,监视硬件拓扑由精确定义的、所需支持的电池数量决定。在汽车应用中,一般情况下总共会有 100 个以上的电池测量点,而且系统的模块化将决定一个给定的电路系统测量多少个电池。最常见的情况是,以安全断接“维修插头”方式,将所有电池分成至少两个子组。通过在故障情况下保持电压低于 200V,这种方法最大限度地降低了维修人员可能遇到的触电危险。外形尺寸较大的电池组意味着,要采用两套隔离的数据采集系统,每套也许支持 50 个电池分接头。在有些情况下,所有电子组件都在一个经济实惠的印刷电路板上,但是这需要大量互连,如图 1 (a)所示。或者,电子组件也可以分散放置,更加紧密地集成在电池模块中,但是这需要采用遥测链接方法。为了实现可靠的数据完整性,内置于汽车线束中的远端测量功能电路必须采用一种坚固型协议,例如广泛使用的 CAN 总线。尽管真正的 CAN 总线接口涉及几个网络层,但是可以很方便地采用 PHY 层构成 BMS LAN 结构,以高效率地进行模块内的通信。这类分布式结构如图 1 (b)所示。该拓扑允许在几个小型处理器之间分配计算工作量,从而降低所需的数据传输速率,并减轻 LAN 方法可能引起的 EMI 问题。最终的 BMS 应用接口很可能是至一个主系统管理处理器的 CAN 总线接线,而且将需要定义 (或在一开始规定) 特定的信息事务处理。

其他因素也可能对物理结构和监视电路造成影响。就锂离子电池而言,需要电池容量平衡,从而导致了额外的热量管理问题(去除热量),而且如果需要有源平衡,还需要电源转换电路。温度探头常常分布在整个模块之上,以提供一种将电压读数与充电状态关联起来的方法,因而需要一些支持电路和连接方案。设计时一个常常忽视的考虑因素是,当产品安装之前闲置或储存在货架上时,电池的电量泄漏应该是最低的。在有些情况下,额外的控制配线是必要的。
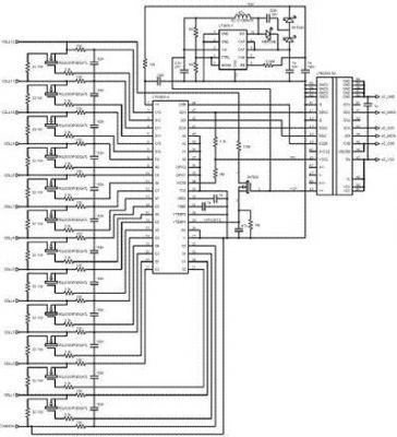
在上面实现的这些结构中,都有一个常见的测量功能构件,该构件包括一个多通道 ADC、安全隔离势垒和某种程度的本地处理能力。图 2 电路显示了一个实现数据采集功能的可扩展设计平台。在这个图中,实现功能的核心组件是凌力尔特的 LTC6803 电池组监视器 IC,同时显示的还有一个 SPI 数据隔离器和一些可选的特殊用途电路。该电路包括输入滤波器和无源平衡功能,构成了一个完整的 12 节电池数据采集解决方案。如果需要,这类电路可以简单地复制,以支持更多电池测量方案,同时共享主微控制器的本地 SPI 端口,该主微控制器反过来再提供外部 CAN 总线或其他 LAN 型数据链路所需。

与前一代监视器件相比,LTC6803 的主要改进是,支持电源停机和/或单独由电池组供电。当电源从 V+ 引脚去掉时,电池加载将降至零(仅有 nA 级半导体泄漏)。工作电源可以由接通的电池组电压提供,或从一个单独的电源提供给 V+,只要电压始终至少与电池组一样高就行。为了实现简单性,LTC6803 还可以直接从电池组获取功率,在这种情况下,最低功率状态(即备用) 将仅消耗 12uA 电流。LTM2883 数据隔离器通过一个内部隔离的 DC-DC 转换器,从主处理器供电,因此该器件将自动与主处理器一起断电。LTM2883 的一个非常有用的功能是,它还能向隔离的电子组件(即电池端) 提供很大和得自主机的功率。一个小型升压电源功能组件 (图 2 中的 LT3495-1) 就是这样驱动的,以独立地给 LTC6803 供电,以便电池仅提供 ADC 测量输入电流 (即在有效转换时平均值 < 200nA)。该电路具有绝对最低的寄生电池泄漏,同时消除了任何电池的工作电流失配,否则这种失配可能逐步导致电池容量失衡。
LTC6803 的一个方便的功能是,有两个自由的、准确度与电池输入类似的 ADC 输入。这种方便的功能允许用很少的额外电路进行辅助测量,包括温度、校准信号或负载电流测量。一种尤其有用的测量是,用一个门控电阻分压器测量整个电池组的电压,实现方法如图 2 所示 (采用 12:1 的比例,连接到 VTEMP1 输入)。当电路断电时,相关的 FET 断开,这样对电流的测量就不会不必要地加重电池的负担。既然该端口的滤波可以独立于电池输入来定制,那么为了实现精确的充电电流计算所需的、真正高达 200sps 的奈奎斯特 (Nyquist)采样率是可能的。可以利用对单个电池测量来周期性地对整个电池组的分压器提供软件校准,这样就不需要价格昂贵的电阻器了。辅助输入的另一个非常有用的用法是,测量准确度很高的校准电源(诸如凌力尔特的 LT6655-3.3,一个准确度为 0.025% 的基准),在这种用法中,允许软件凭借通道至通道的固有匹配,校正其他所有通道。请注意,热敏电阻器的温度探头不必以电池的电位为基准,这些探头一般也不需要 12 位的分辨率。这类探头通常适用于直接与微控制器连接,从而留出高性能 LTC6803 的辅助输入,以实现要求更加苛刻的功能。
总之,在电池管理系统电路中需要考虑的因素有很多,特别是那些决定封装限制的因素。当封装设计思想汇聚在一起时,考虑一下也有可能产生机械影响的电子线路与信息流的结构(例如:连接器化和导线数目) 同样也是很重要。一旦权衡过这些因素而且封装设计思想成熟之后,只需直接插入一款采用 LTC6803 平台,一个声名卓著、可扩展和具成本效益的数据采集解决方案便大功告成了。
