D 类音频功放的系统设计
D 类音频功放单元电路设计实现
解决方案:
D 类音频功放单元电路设计
D 类音频功放具有高效、节能、小型化的优点,广泛应用于便携式产品、家庭AV 设备及汽车音响等多个领域。本文设计的D 类音频功率放大器主要基于以下三个方面考虑:保证高保真度、提高效率和减小体积。文章设计了一款工作于5V 电源电压并采用PWM 来实现的D 类音频功率放大器,整个系统包含了输入放大级、误差放大器、比较器、内部振荡电路、驱动电路、全桥开关电路及基准电路。通过引入反馈技术来减小系统的THD 指数,采用双路反宽调制方案不仅抑制了D 类音频功率放大器的静态功耗,而且达到了去除D 类音频功率放大器输出端低通滤波器的目的,减小了系统的体积。
1 D 类音频功放的系统设计
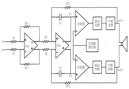
本文所设计的D 类音频功率放大器的系统结构如图1 所示。该放大器结构是基于双边自然采样技术方案实现的,在任一时刻输出所包含的信息量都是单边采样方案的两倍,通过双边自然采样还可以把输出音频信号中大量的失真成分移除到人耳所能感应到的音频带宽范围之外,达到去除D 类音频功率放大器输出端低通滤波器的目的。

图1 D 类音频功率放大器结构
系统采用单电源供电,脉冲信号"out1"和"out2"的高低电平分别为VDD 和GND,输入放大级由运算放大器OTA 的闭环结构实现,误差放大器则由运算放大器OTA 与电容Cs 构成。系统工作时,音频输入信号Vin 首先经过输入放大级后输出两路差分信号,再与反馈信号求和送到误差放大器中产生误差信号VE1、VE2,对三角波载波信号VT 进行调制,输出两路脉冲信号"out1"和"out2"以驱动扬声器发声。系统包含两个反馈环路,第一个由R1、Rf1 和OTA 组成,用来设置输入放大级和整个D 类音频功率放大器的增益,第二个由R2、Rf2 和后端音频信号处理电路组成,用来减小系统的THD 指数。
在图1 中,对电容Cs 充放电的电流I1、I2 由Vout1、Vout2、Vin、R1、Rf1、R2 和Rf2 共同决定,其中电阻和电容必须具有良好的线性度和匹配性,以获得良好的闭环性能。
开环D 类音频功率放大器的模型如图2 所示。

图2 开环D 类音频功率放大器模型
此时系统输出为:
开环系统的总谐波失真为:

式(2)中的Vin 为放大器的输入信号,Vn 为引入的谐波失真,Hf 为传递函数。
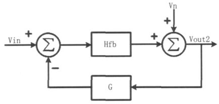
具有反馈环路的D 类音频功率放大器的模型如图3 所示。

图3 闭环D 类音频功率放大器模型
此时系统的输出为:

其中Hfb 为闭环模型的传递函数,G 为反馈增益。为了得到相等的放大倍数,设计传递函数为:
则式(3)变为:
闭坏系统的总谐波失真为:

比较式(2)和式(6)可以看出,具有反馈环路闭环系统THD 为开环系统THD 的1/(1+HfbG),即通过反馈结构减小了系统的THD。
2 单元电路设计实现
系统单元电路主要包括:输入放大级、误差放大器、比较器、驱动电路、全桥开关电路、内部振荡电路和基准电路。
2.1 输入放大级
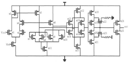
D 类音频功率放大器的输入放大级是基于运算放大器(OTA)的闭环结构来实现的,其结构如图4所示,用来根据需要对输入的音频信号作电平调整和信号放大处理,使输入信号在幅度方面能满足后级电路的要求,输入放大级的增益可以通过设置Rf1和R1 的阻值来决定。

图4 输入放大级电路结构
2.2 比较器
本文所采用的比较器电路如图5 所示,比较器电路由三级构成,即输入预放大级、判断级(或正反馈级)和输出数字整形缓冲级。预放大级采用有源负载的差分放大器来实现,其放大倍数不用很大,用来进行输入信号的放大,以提高比较器的敏感度,并把比较器的输入信号与来自正反馈级的开关噪声隔离开;判断级用来将预放大级的信号进一步放大,为比较器的核心部分,电路中通过把m8 与m9 的栅极交叉互连实现正反馈,以具备能够分辨非常小的信号的能力,并提高此级电路的增益;输出缓冲级是一个自偏置的差分放大器,它的输入是一对差分信号,用来把判断级的输出信号转化成逻辑电平(0V 或5V),即输出高电平VOH=VDD,输出低电平VOL=GND。

图5 比较器电路图
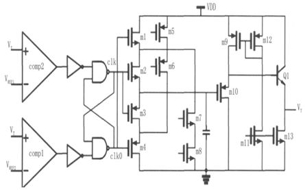
2.3 内部振荡电路
本文采用的三角波产生电路结构如图6 所示,其中m5、m6 和m7、m8 构成了两组恒流源,m9~m13 和Q1 构成了输出级。在电路中,采用将输出信号VT 分别反馈到比较器comp1 和comp2,与参考电平VREF1 和VREF2(VREF2

图6 三角波产生电路
由图6 可知,VT 初始电压值为零,电路上电时,由于0
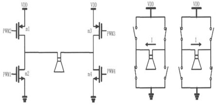
2.4 全桥开关电路
输出级采用N、P 型功率开关对管组成的全桥开关电路实现,其结构及负载电流流向如图7 所示。

图7 全桥电路结构及负载电流示意图
全桥开关电路工作在开关模式,随着输入信号的改变,m1~m4 的状态随之转换,始终只有对角一对功率开关管导通,另一对截止。
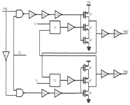
2.5 驱动电路
驱动电路结构如图8 所示,该电路能有效调节死区时间(N 型、P 型功率开关管同时关断),防止单臂"shoot- through"现象,并有保护关断功能。输入信号为比较器输出的PWM 脉冲信号,PWM1用来驱动N 型功率开关管,PWM2 用来驱动P 型功率开关管。为了避免全桥开关电路中的单臂"shoot- through"现象,当PWM 信号从低电平变为高电平时,PWM2 应首先变为高电平, 关断PMOS 功率开关管,随后PWM1 再变为高电平,开启NMOS 功率开关管,如图9 所示;反之,当PWM 信号从高变为低时,PWM1 先变为低电平,关断NMOS 开关功率管,随后PWM2 再变为低电平,开启PMOS 开关功率管。实际电路中,可以根据需要通过控制延迟单元的控制位Tc 来调整死区时间的长短。为减小失真,必须减小死区时间,该驱动电路采用了逐级增加驱动能力的方式来驱动功率管,从而减小了必要的死区时间,保证了低失真度。

图8 驱动电路结构

图9 死区时间
EN 是控制模块的使能信号,正常工作为高电平;当出现过流、过温等情况时,则变为低电平,关断全桥功率开关电路。
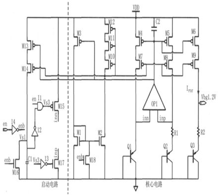
2.6 基准电路
本文所设计的带隙电压基准源结构如图10 所示,主要由核心电路与启动电路两部分组成。

图10 基准电路
核心电路中M1~M12 一起构成共源共栅电流镜来提供直流偏置,运放op1 采用两级共源共栅放大。另外,在图10 电路中引入了负反馈,保证了该偏置电路电流镜的准确性,同时与电源无关,具有很高的电源抑制比。
电路上电时偏置电路可能会出现零电流的情况,需要启动电路保证电路能够正常工作。电路不工作时,EN、Vs1 为0,Vs2、Vs3 为1,M15、M17 不通,运放输出为高,M3~M6 也不通,整个电路不消耗电流。当EN 由0 变成1 时,由于C1 的作用,Vs1 保持为0,Vs2 为1,Vs3 变为0,此时M15、M17 导通,inp、inn 分别被拉到0、1,运放输出变为0,M3~M6 导通,M13、M14 支路开始有电流,并对C1 充电,直到Vs1 高过I2 阈值电压时,Vs2 变为0,Vs3 则变为1,M15、M17 关断。最终电路偏离零电流状态,开始正常工作,且Vs1 充至电源电压,整个启动电路不再消耗电流。
3 结论
本文研究了基于PWM 调制技术D 类音频功率放大器的工作原理,通过引入反馈技术减小了D 类音频功率放大器的THD;通过逐级增加驱动能力的方式减小了必要的死区时间,保证了更低的失真度;采用双路反宽调制方案,一方面抑制了系统的静态功耗,另一方面去除了输出级的LC低通滤波器,达到了减小系统成本和体积的目的。
