引言
在冶金、石化、制药等行业中,有一些重要的生产设备,如冶金企业的炼钢转炉和铜冶炼转炉的传动装置、炼钢转炉氧枪提升传动装置、连铸机大包转台传动装置、石化系统的重要泵类和制药厂的搅拌罐设备、化纤抽丝工艺等,当交流电网出现电压瞬变、停电等故障时,不允许设备中断运转,应当继续运行至完成当前的生产工艺或运转到安全位置再停车,否则会造成很大的经济损失。一般情况下这些设备都是由变频器驱动的,如果采用在线式工业UPS不仅造价昂贵、而且电源的利用效率会下降很多。多数企业因没有后备电源而不得不承受电网故障造成的损失。因此,对一种投资小、效率高的不间断电源系统需求非常旺盛。
1 系统工作原理
该新型不间断电源在工业应用中有两种型式,即共直流母线不间断电源,和非共直流母线不间断电源。其原理图分别如图1与图2所示。

图1 共直流母线不间断电源原理图

图2 非共直流母线不间断电源原理图
共直流母线的不间断电源系统尤其适合于精度较高的生产线,且在工艺的不同部分要求同步性较高的状况下有出色的性能。一方面各变频器的电压中间回路通过快速熔断器耦合在直流母线上,因此,一条线上各变频器的公共电压是绝对一致的,在同样的控制信号下提供了出色的同步性能;另一方面当某个环节出现制动时,其制动能量可以被其它驱动装置利用,避免一般系统的制动能量通过制动电阻白白地浪费掉,提高了电源效率。
在交流电网正常工作情况下,驱动系统通过共有整流单元工作,蓄电池组工作于浮充状态、维持满容;当电网出现瞬变或停电时,交流监测单元将信号传递至监控系统,控制输出耦合单元在几十μs内切换至导通状态,接通蓄电池与直流母线,实现了驱动系统的不间断工作。当市电恢复工作后,切断输出耦合单元,充电装置恢复对蓄电池组充电至满容。逆变单元为PLC、工控机等需要交流电源工作的设备提供高质量电源。
非共直流母线不间断电源,可以满足各种工业现场作为第二或第三电源的要求。提供500V直流输出、50Hz交流输出、同时提供60Hz交流输出(可选项应用在特殊进口设备对电源的要求上)。在交流电网正常工作情况下驱动系统正常工作,蓄电池组通过充电单元工作于浮充状态、维持满容;当电网出现瞬变或停电时,交流监测单元将信号传递至监控系统,控制输出耦合单元在几十μs内切换至导通状态,接通蓄电池与直流输出母线,实现了驱动系统的不间断工作,该系统中变频器的各中间回路是隔离的。当市电恢复工作后,切断输出耦合单元,充电装置对蓄电池组恢复充电至满容。逆变单元为PLC、工控机等需要交流电源工作的设备提供高质量电源。
2 技术特点
系统采用了模块化的设计方法,不同功率的电源易于重构,方便使用、维护及安装调试。共有以下组成部分。
2.1 TZrec(F)整流(回馈)单元
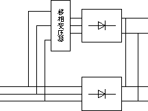
功率范围0.5~400kW,内含预充电控制电路,对电网的冲击很小。整流单元分为6脉动整流单元与12脉动整流单元,如图3及图4所示。12脉动整流单元采用了移相变压器及双桥整流,输出的直流脉动小,能显著提高电源的功率因数,减少对电网的污染,配合制动单元、为不需要频繁制动的系统提供了简洁、低投资的电源馈入方案。整流回馈单元能够将系统的制动能量反馈回电网,实现了交流输入完美无谐波,大大提高了能源利用效率和降低了对电网的污染。

图3 6脉动整流

图4 12脉动整流
2.2 TZchar充电单元及蓄电池组
1)充电单元集成了对电池组的管理能力,模块采用先进的全桥软开关变换器,有突出的抗短路能力,并且采用1+1冗余备份及无主从自主均流技术,具备极高的可靠性。当电池亏电时充电单元以0.1C10的电流充电,当满容时转入浮充运行。当一个充电模块损坏时、另一个承担全部输出功率,极大地提高了可靠性。
2)蓄电池组采用阀控式免维护蓄电池,在满足温度的条件下电池组寿命可达10~15年。其容量选择由负载功率P(W)及后备时间Ts(h)来决定。采用42节蓄电池串联,其容量(A·h)的计算为C=(P/480)Tσ,(C指按10h放电率的容量;σ为容量系数,由于放电率较大,一般取0.4左右)。
2.3 TZcouple输出耦合单元
提供了从0.5~1000A的直流输出耦合能力,从市电供电至后备的切换时间仅需μs级,实现了无缝供电。采用了大功率IGBT及过流封锁技术,保证了高速开关的可靠稳定工作。输出耦合单元的电路如图5所示。

图5 输出耦合单元
2.4 TZcap电容单元
电容单元可单独应用于变频器的中间回路,为单台变频器的逆变部分提供质量更高的直流,且能吸收不太大的制动能量,提高了电源的利用效率;也可根据系统需要通过熔断器耦合在直流母线上,为切换过程提供缓冲功能。
2.5 TZinv逆变单元
逆变单元提供不间断的交流输出,可为需要交流电源才能工作的控制及其他设备提供高质量不间断的供应能力。也可根据需要将逆变单元更改为变频器,为某些应急设备提供变频驱动能力。
2.6 TZvar变频电源
如图6所示,应用专用变频器作为逆变器,通过控制系统和根据客户现场容量及负载的状况而精心设计的(包括电力滤波器、隔离输出变压器)为需要60Hz交流的进口设备提供了比普通变频电源及专用交流发电机组更低价格、更高质量的电源。根据用户的需要可设计为第一变频电源或者不间断变频电源。

图6 变频电源示意图
2.7 TZcon管理及显示单元
如图7所示,采用先进的工业PLC控制器作为系统的管理单元,具有适应各种工业现场环境的绝佳性能。能对系统的各单元的工作情况实时监控,并控制输出耦合单元的动作,采用了独特设计的算法,提供交流电源在故障情况下至备用电源的切换。并将各种状态量和模拟量及系统告警信息显示在液晶显示器上,为使用人员提供最大的方便。它的另一个突出特点是可以根据用户需要,将系统的信息远传至工业控制计算机,使用户远在监控室可随时掌握现场情况,及时采取各种措施。

图7 管理及显示单元
3 应用实例
2005年3月,本电源系统应用于某化工企业的特种纤维纺丝生产线上,运行至今再没有因为停电造成纺丝的损坏,得到了客户的认可。以前,当电网发生突然停电等问题时,会使纺丝拉断,造成数十万元的损失。这条生产线的动力由27台变频器组成,变频器额定总功率80kW,选取裕量为1.25,正常运行时处在30Hz的低速状态,要求提供的电源持续时间不低于15min,那么实际功率为38kW左右。由于生产工艺的需要分为3个独立共直流母线驱动柜,主要部件包括43节串联的100A·h/12V免维护蓄电池单元,晶闸管充电单元,3个50A的TZcouple输出耦合单元,以S7-200PLC为核心的TZcon控制单元;每段母线上根据电网电压不稳的特点加入了带有预充电电路的TZcap电容单元。在断电15min后可根据需要停止生产或转到零速状态,保持非常低的功耗,在调试期间显示,实际提供的电源持续时间可以达到25min。
4 产品特点
1)效率高 传统不间断电源的工作原理为先整流再逆变,通过变压器隔离后输出交流电至传动系统,变频器再通过整流、逆变环节效率明显降低。而此新型不间断电源则直接将直流供给变频器的中的逆变电路,减少了整流及逆变的环节,提高了电源的效率。
2)寿命长、故障率低、维护方便 传统不间断电源为在线式结构,功率器件365×24h运行,必然带来寿命的降低及故障率的提高;而此新型不间断电源则只在后备供电时才由功率器件输出,且采用模块化设计,从而延长了使用寿命,且维护方便。
3)投资低 传统不间断电源价格昂贵,尤其是在直接驱动电机的情况下,需要按照电机额定电流的5倍以上来选择UPS的输出功率,这也加大了设备的投资,而此新型不间断电源,没有重复的逆变环节,因而使用户以较低的价格获得更为优异的性能。
5 结语
本产品可为动力设备或生产线中的变频器提供一个稳定的直流供电系统,保障变频器在电网电压大幅波动或短时断电时不中断运行。本产品在电网无电状态下可运行5~240min(视用户要求而定)。本产品的交流输出提供了一个高精度高质量的供电,可保障重要系统免受电网电压波动、冲击、杂波等影响,以免设备失控或器件损坏,确保了用电的可靠性。本产品中的交流输出还可根据用户的需要提供一个高速切换的应急供电系统,可保障非重要系统的应急供电,以确保设备的正常运行,并且可以提供60Hz变频电源。本产品可应用于现有的生产线进行不间断电源的改造以及新生产线的不间断电源设计,可以在新的生产线中将不间断电源与自动化系统完美集成,提供更高的可靠性与更低的成本。
