中心议题:
功率晶体管二次击穿的原因
避免功率晶体管二次击穿的措施
解决方案:
耗能式关断缓冲电路
耗能式开通缓冲电路
无源回馈关断缓冲电路
无源回馈开通缓冲电路
复合缓冲电路
随着电子技术的不断发展和新型元器件的问世, 开关电源以其体积小、重量轻、效率高、对电网电压适应范围宽等优势, 越来越受到大家的青睐, 在绝大多数领域中取代了传统的线性电源并被广泛地应用于不同的电子产品中。
在大部分的开关电源中, 功率开关晶体管工作在高电压、大电流的高频脉冲状态下,在这种条件下的开与关会给晶体管造成很大的冲击。二次击穿是造成晶体管损坏的重要原因之一。要设计出高性能、高可靠性的开关电源, 清楚地了解晶体管二次击穿的有关知识和避免措施很有必要。
本文分析了晶体管二次击穿的现象和产生原因, 并结合开关电源的设计及生产实际, 介绍了缓冲回路的应用及其它有关晶体管防护措施。
1 二次击穿的原因
二次击穿主要是由于器件体内局部温度过高造成。温度升高的原因是当正向偏置时由热不均衡性引起, 反向偏置时由雪崩击穿引起。
因为晶体管的热阻在管子内部各处分布是不均匀的, 在一些薄弱的区域, 温升将比其它部分高,形成所谓"热点", 局部温引起局部电流增加, 电流增加又使温度升高, 如此循环直至一个临界温度,造成管子的击穿。
雪崩击穿引起的二次击穿是由于发生一次雪崩击穿后, 在某些点上因电流密度过大, 改变了结的电场分布, 产生负阻效应从而使局部温度过高的一种现象。
2 避免二次击穿的措施
开通与关断损耗是影响开关器件正常运行的重要因素。尤其是晶体管在动态过程中易产生二次击穿的现象, 这种现象又与开关损耗直接相关, 所以减少自关断器件的开关损耗是正确使用器件的必备措施。要减少损耗可通过两条途径来实现:
(1) 在尽量低的集- 射极电压( Vce ) 下关断晶体管;
(2) 射极电压升高过程中关断晶体管要尽量减小射极电流。引入缓冲电路是达到上述目的途径之一。
3 开关电源中可选用的缓冲电路
在开关电源的设计中可选用下列缓冲电路, 以确保晶体管在安全区(SOA) 内运行。
1) 常用的关断缓冲电路是一种耗能式关断缓冲电路。它虽然耗能较多, 但电路简单。如图1 所示。

图1 常用的关断缓冲回路
它由RCD 网络与晶体管开关并联组成。当晶体管关断时, 负载电流经二极管D 给电容C充电,使管子的集电极电流逐渐减小。因为电容C 两端电压不能突变, 故而其集电极电压受到牵制。避免了集电极电压与电流同时达到最大值的情况, 因而不会出现最大的瞬时尖峰功耗。管子开通时, 电容放出能量并将其消耗在电阻上。
2) 两种常用的耗能式开通缓冲电路。
a.具有非饱和电抗的开通缓冲电路(图2) : 电感- 二极管网络与晶体管集电极串联, 形成开通缓冲电路。当管子开通时, 在集电极电压下降期间, 电感Ls 控制电流的上升率di/ dt .当管子关断时,贮存在电感Ls 中的能量1/ 2(LsI2m) 通过二极管Ds 续流,其能量消耗在Ds 和电抗器的电阻中。

图2 具有非饱和电抗的开通缓冲回路
b. 具有饱和电抗器的开通缓冲电路(图3) : 采用开通缓冲电路的目的就是为了使正在开通的晶体管在集电极电流较小时, 集电极电压就下降至0 , 以使开通损耗最小。特别对电感性负载效果更为显着。设计的饱和电抗器应作到: 集电极电压下降到零后, 缓冲电抗器处于饱和态; 在饱和前, 即集电极电压下降到零前, 电抗器呈高阻, 流过管子的磁化电流很小从而达到减小开通损耗的目的。

图3 具有饱和电抗的开通缓冲回路
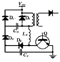
3) 无源回馈关断缓冲电路(图4): 图中Co 为转移电容, Dc 为回馈二极管,由这两个元件将能量回馈到负载上。当管子关断时,缓冲电容Cs 充电至电源电压Vcc ,在管子下一次开通时,负载电流从续流二极管Df 转移至晶体管。同时, Cs 上的电压谐振到Co 上。 当管子再关断时,电容Cs 再次充电,电容Co向负载放电,能量得到回馈。

图4 无源回馈关断缓冲回路
4) 无源回馈开通缓冲电路(图5) :此电路通过变压器将磁场贮能回馈到电源。变压器为双线绕制,其原边具有一定电感;幅边的极性与原边相反,并且接有反向二极管。管子开通时,原边承受全部电源电压,副边无通电回路。管子关断时,副边感应电压极性换向,当其电压高于电源电压Vcc 时, 向电源馈送能量。

图5 无源回馈开通缓冲回路
5) 复合缓冲电路: 将开通缓冲电路与关断缓冲电路结合在一起, 则形成复合缓冲电路, 在晶体管开通和关断时复合缓冲电路均有保护作用。这种电路也分为耗能式和馈能式两类。
a. 耗能式复合缓冲电路(图6) : 在管子开通时, 缓冲电容经Cs 、Rs 、Ls 回路放电, 减少了管子承受的电流上升率。此外,在管子开通时,电感Ls 还可限制续流二极管Df 的反向恢复电流。

图6 耗能式复合缓冲回路
b. 馈能式复合缓冲电路(图7) : 当晶体管关断时, 电容Co和电感Ls 并联运行,将贮存的能量馈送到负载。当电容Co 放电时,电感Ls 上的电压逐渐减小为0 ,在这段时间内负载电流经续流二极管Df 导通。

图7 馈能式复合缓冲回路
上述各种缓冲电路不外乎分为两大类型, 即耗能式和馈能式。耗能式线路简单但相对耗能较高,适合于较小功率电源使用。馈能式线路复杂, 但在大功率电源中, 如果将缓冲电路所耗散的能量以热的形式散发, 势必造成很大麻烦, 因此, 要采用馈能式缓冲电路。
4 其它保护措施
传统上我们在开关电源输入单元的设计中, 在整流桥和滤波电容之间加入一个线绕电阻或负温系数的热敏电阻R , 用以抑制开启瞬间的浪涌电流, 同时它在某种程度上延缓了滤波电容两端电压的上升速度(如图8 示) .设计中要在电压达一定值时就使脉宽调制IC 工作, 再配合IC 上所设的软启电路, 使得功率晶体管在相对低的电压下以相对短的导通时间开始工作, 并逐步达到稳定状态。设计好这个时序, 能很好地提高电源的可靠性。图中的可控硅SCR 一般用在较大功率电源中, 其控制端与功率变压器的一个副绕组相连, 在电源正常工作后使其导通, 以减小功耗。

图8 传统开关电源中的输入单元
笔者在1000W半桥式开关电源的设计中, 首次用一个单向可控硅代替前端AC 输入整流桥的一个桥臂, 其控制端由主变压器的一个副绕组来控制(如图9 所示) .这样, 在电源接通的初始态, 该整流桥处于半波整流态。待电源启动后, 可控硅导通, 整流桥转为全波整流。由此可达到降低启动电压的目的。同时, 还可有效地抑止浪涌电流。实践证明, 该电路简单可靠很值得大家借鉴。

图9 实用软启动电路
结束语
有效地避免主开关管的二次击穿是提高开关电源可靠性的关键, 也是值得研究的一个课题。当前, 开关电源正朝着高频化、大功率化的方向发展, 上面所讨论的问题会显得更为突出。应引起足够的重视。
