光电开关实现的中心议题:
光电开关的发光电路
带自动增益控制的光电开关接收电路
光电开关属于无接触测量传感器,其检测距离范围比较宽,在计数、测距和行程控制等许多测控系统中得到广泛应用。但是,光电传感器的输出信号与发光管的强度有关,与发光管和接收管的距离有关,与外来干扰光也有关。因此使用每一个光电开关时,必须首先调整接收电路的灵敏度,才能保证光电开关工作于最佳状态。
本文介绍了一种高可靠性的光电开关电路,带有稳频调制光以抗各种干扰,具有大功率驱动电路和光电三极管的自动增益控制特性,检测电路的输出级带有放大和施密特迟滞特性,确保整机的高抗干扰能力。
本电路由发光电路和光电接收电路两部分组成。它具有抗外光干扰、灵敏度可以不用人工调整,工作稳定可靠等优点,在反射式或对射式光电开关中均可应用。
1 发光电路
图1 给出了一个具有大功率输出的发光二极管驱动电路,它具有发射15kHz 调制光的能力。

第一级4001 为单脉冲发生器,可以人工按键输出检测脉冲,用于故障维修。
为了稳定被调制光信号的频率,电路中使用了分频器CD4060 。它带有一个外接晶体振荡器,内部有多级分频器。对于1M 晶振来说,经过4 060 的六次分频,可以得到频率稳定的151625kHz 的方波,再通过功率场效应管的电流放大,就可以同时驱动上百个发光二极管同时发光。
2 带自动增益控制的光电开关接收电路
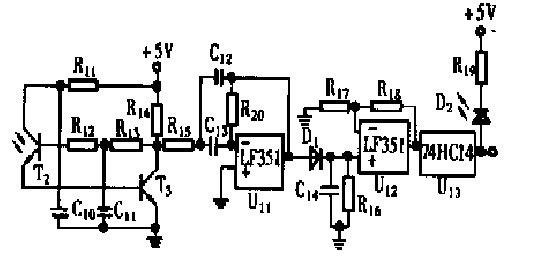
图2 给出了光电三极管的检测电路。红外光电三极管T2 带有基极引出脚。因此可以对其进行灵敏度控制。它射极输出的光电流被放大管T3 反相之后,反馈到光电三极管的基极。由于反馈回路中有由R13和C11组成的低通滤波器,因此这个反馈是对于直流工作点的负反馈,也使得交流电压增益得到控制,这就是自动增益控制(AGC) 电路。

图2 光电接收电路
当输入光信号较强时, T3 集电极信号有变强趋势,导致光电三极管T2 基极的直流工作点电压下降,从而使T2 和T3 的交流输出均减小。因此,这个负反馈系统将使T3 的交流输出信号在很大范围内与T2 得到的光强大小几乎无关。可知,该接收电路在输入光发生变化时,T3 输出信号变化不大。就是说,光源和光电三极管之间的距离变化,在很大范围内对T3 输出信号影响不大。只有光源被充分隔挡之后,T3 的输出信号才有明显变化。
图2 中的U11 组成二阶带通滤波器, 可以滤去151625kHz 以外的信号。该级增益为1 , Q 值为5 ,截止频率、中心频率以及滤波特性容易调整。二极管D1 和电容C14组成检波电路,可以从151625kHz 信号上解调出包络信号。上述两部分电路可以滤除阳光、日光灯、白炽灯等干扰源的作用。
图2 中的输出电路由放大级U12和施密特电路U13组成。U13的迟滞作用可以消除光电开关的临界抖动现象,避免光电开关的误翻现象。最后,光电开关的输出状态由发光二极管D2显示。
3 实验数据
表1 为实验测得的数据。发光管和接收管之间正面相对, 两者之间无聚焦光学元件。用有无遮光对整机主要参数进行测试。由表可知,两管表面之间的相对距离在015~170mm范围内,无需调整灵敏度都能正常工作。

表1 光电开关整机实验数据
在距离接收管100mm 处用1 个40W白炽灯照射时,接收管仍可正常工作,表现为接收管不会饱和,抗干扰性极强。倘要加大工作距离,应加入光学透镜;在2m以上光射距离时,可用半导体激光二极管作调制光源。
4 结束语
本文所介绍的高级光电开关电路具有如下特点:
由于负反馈使接收光电三极管不容易饱和。只要该管不饱和,外来光干扰就能抑制。
由于使用了调制和解调电路,所以在各种磁、电、光干扰之下,都能可靠工作。
施密特电路可以对开关进行消抖。
由于电路尽量采用集成电路,特别是大功率FET 的应用,使本文所介绍的电路更适于阵列式光电开关应用的场合。
由于采用了AGC 电路,导致了接收灵敏度几乎无需调整。
本文所介绍的电路,在100 条微小产品的自动生产线上进行联合精确计数,取得良好效果。
