中心议题:
触摸屏系统结构
MMI目标提取办法
解决方案:
按键提取方法
滑动操作的目标提取方法
触摸屏是手机发展的新趋势,文章从电阻屏和电容屏的结构及原理入手,介绍了触摸屏的系统结构,并利用MTK 的MMI 模块开放接口函数,说明了用户目标提取方法和实现途径。
1 触摸屏构成及原理
适用于移动设备和消费电子产品的触摸屏技术包括电阻式触摸屏和投射电容式(projectedcapacitive)触摸屏。触摸屏附着在显示器的表面,与显示器配合使用,能测量出触摸点在屏幕上的坐标位置,就可根据显示屏上对应坐标点的显示内容或图符获知触摸者的意图。
1.1 电阻式触摸屏
电阻触摸屏是一块四层透明的复合薄膜屏,最下面是玻璃或有机玻璃构成的基层,最上面是一层外表面经过硬化处理从而光滑防刮的塑料层,中间是两层金属导电层ITO(Indium Tin Oxide ,铟锡氧化物,一种透明的导电材料),分别在基层和塑料层之内,两导电层之间有许多细小的透明隔离点把它们隔开。电阻式触摸屏结构如图1 所示。

图1 电阻式触摸屏结构
当手指触摸屏幕时,两导电层在触摸点处接触。触摸屏的两个金属导电层是触摸屏的两个工作面,在每个工作面的两端各涂有一条银胶,称为该工作面的一对电极。若在一个工作面的电极对上施加电压,则在该工作面上就会形成均匀连续的平行电压分布。当在X方向的电极对上施加一确定的电压,而Y方向电极对上不加电压时,在X平行电压场中,触点处的电压值可以在Y+(或Y-)电极上反映出来,通过测量Y+ 电极对地的电压大小,便可得知触点的X坐标值。同理,当在Y电极对上加电压,而X电极对上不加电压时,通过测量X+ 电极的电压,便可得知触点的Y坐标,如图2 所示。根据X坐标和Y坐标可知触摸点在屏幕上的位置。

图2 电阻触摸屏线路图
电阻式触摸屏是大批量应用、低成本的技术,其缺点是:堆叠厚,相对较为复杂;光学性能不良,需要较大功率的背光;不能检测多个手指的动作;必须有压力才能动作;需要用户校准。
1.2 投射电容式触摸屏
投射电容式触控技术主要有两种:一种是自电容型,另一种是互电容型。
互电容屏也是在玻璃表面用ITO 制作横向电极与纵向电极,两组电极交叉的地方会形成电容,也即这两组电极分别构成了电容的两极,形成电容矩阵。
如图3 所示,当手指触摸到电容屏时,由于人体是导电的,所以在ITO 电极与手指之间形成了新的电容,从而改变了原来两个ITO 电极之间的电容量。检测两电极间互电容大小时,横向的电极依次发出激励信号,纵向的所有电极同时接收信号,这样可以得到所有横向和纵向电极交汇点的电容值大小,即整个触摸屏二维平面的电容大小。

图3 投射电容式触摸屏
根据触摸屏二维电容变化量数据,行列传感器信号最强的交叉点即为触摸点,如图4 所示,通过内插法数值逼近能非常精确地确定手指位置的坐标值。设计一个投射电容传感器阵列的目的是,在同一时间使手指能够与多于一个的X传感器和一个以上的Y传感器发生作用,结合其它技术能实现多点触摸。

图4 行和列传感器的信号强度确定了触摸的位置
当几个触摸按键互相靠近时,接近的手指会导致多个按键电容的变化。Atmel 专利的邻键抑制(AKS)技术采用迭代法重复测量每个按键上的电容变化,比较结果来确定哪个按键是用户想要的。AKS抑制或忽略来自所有其它按键的信号,提供所选择按键的信号,这可防止邻键的假触摸。
投射电容式触摸屏相比其它触摸屏技术的优势是:信噪比高;触摸屏表面的清晰度和亮度比电阻屏高;能够支持多点触摸;无需用户校准。其缺点之一是当戴手套或者用绝缘体触摸时无反应,此外,还存在漂移现象,当温度或湿度较高时会不敏感,当人体或另一只手靠近时会误动作。
2 触摸屏系统
如图5 所示,一个触摸屏系统包括:前面板、传感器薄膜、显示单元、控制器板和系统软件。

图5 触摸屏系统
前面板是终端产品的最表层。在某些产品中,它将透明的盖板围起来,以免受到外部恶劣气候或潮湿的影响,也防止下面的传感产品受到划刻以及破坏。
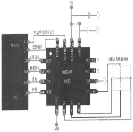
触摸屏"传感器"是一个带有触摸响应表面的透明玻璃板,用来检测触摸输入。该传感器被安放到LCD 上面,使得面板的触摸区域能覆盖显示屏的可视区域。前已述及,在触摸时,根据电容值变化的数据,从而可确定屏幕上的触摸位置。
用于触摸屏的LCD 选择方法与传统系统中基本相同,包括分辨率、清晰度、刷新速度、成本等。但在触摸屏中另一个主要的考虑是辐射电平,由于触摸传感器中的技术基于面板被触摸所产生的微小电容变化,能够辐射许多电磁噪声的LCD 是设计中的难点。
触摸控制器是一个小型的微控制器芯片,它位于触摸传感器和嵌入式系统控制器之间。触摸控制器提取来自触摸传感器的信息,并将其转换成嵌入式系统控制器能够理解的信息。该芯片可以装配到系统内部的控制器板上,也可以粘贴到玻璃触摸传感器上的柔性印刷电路上。
触摸屏驱动器软件可以来自原厂商,也可以是后来加装的软件。该软件应能使触摸屏和系统控制器一同工作,它将告诉产品的操作系统如何解析来自触摸控制器的触摸事件信息。在嵌入式系统中,嵌入式控制驱动器必须将出现在屏幕上的信息与接收到的触摸位置进行比对。
3 MMI 目标提取方法
台湾联发科技公司提供的MTK 手机平台中的MMI 模块即人机界面模块,主要负责人机界面的显示、屏幕流的控制以及与L4 层进行通信完成人机交互。MMI 模块主要由三部分组成,分别是应用层软件、框架和图像用户接口。
3.1 按键提取方法
如图6 所示,在获得触摸点消息后,系统MMI 层调用MMI 层坐标转换函数提取驱动层发送的触摸点位置信息,并转化为MMI 层的位置信息。当有触摸操作进行时,底层驱动程序向MMI 层发送触摸点的位置信息。在获得驱动层触摸点信息后,系统MMI 层调用MMI 层坐标转换函数提取驱动层发送的触摸点位置信息,并转化为MMI 层的位置信息。如果系统所发事件是按下事件(MMI_PEN_EVENT_DOWN),系统根据触摸点坐标调用当前按键信息提取函数获得被选按键信息;如果是滑动事件(MMI_PEN_EVENT_MOVE),则进行滑动方向判断。

图6 按键提取流程图
3.2 滑动操作的目标提取方法
以图片浏览为例,手指向左滑动显示上一张图片,向右滑动显示下一张图片。如图7 所示,设置有效的滑动区域,并且根据屏幕大小设置一个合理的滑动阈值,以防手指的微小滑动导致误操作。具体操作流程如图8 所示。


图7 手指滑动区域 图8 使用拇指滑动控制图片的操作流程
当手指按下时,首先判断按下点的坐标是否在设定的有效区域内,再判断抬起点的坐标是否在设定的有效区域内。当手指按下点和抬起点都在有效范围内时,计算滑动距离,若滑动距离小于设定阈值,当作是无效触摸,不做任何处理。滑动距离大于设定的阈值且向左滑动,切换为上一张图片;滑动距离大于设定的阈值且向右滑动,切换为下一张图片。
4 结论
从显示器、手机,到GPS、办公设备、医疗监控等各种设备,触摸屏都正在快速地应用到各个领域。
触摸屏具有极好的外观,触控效率高,还提供了较高的安全性能、抗恶劣气候性能和耐磨性,利用多点触控技术将开辟一个全新的、广阔的市场。
