0 引言
为了适应现代医疗业的迅速发展,心电监护仪是临床诊疗的一种必备检查设备。心电监护仪种类较多,如临床使用的基于PC平台的心电监护仪,家用便携式心电监护仪,随时携带便携式心电监护仪等。
调查表明,心血管疾病已经成为目前威胁人类生命的主要疾病之一,导致此类疾病的主要原因是人们生活节奏加快、人口逐渐老龄化以及生活不规律性。心血管疾病的主要特点是突发性、短暂性和危险性。如果不能及时发现并进行治疗,将会导致患者死亡的严重后果。
心电监护仪是检查、诊断和预防该类疾病的重要手段和依据,是监护患者心脏状态的一个重要仪器;对于心肌梗塞、心律失常等症状,心电监护仪的使用贯穿于治疗、康复的整个过程。由于传统的基于PC机平台的心电监护仪,价格昂贵,体积庞大,不便于移动且主要集中在大医院,给医生和患者带来了很大的不便。采用一台PC机设计一种新型多床位心电监护仪。它利用上位机来远程监视多位患者的心电,不但可以降低成本、缩小体积,而且还可以同时监护多位患者,方便医生随时查看被检查床位患者的病情。
1 心电波形知识
1.1 心电波形组成
心电波形是由一系列的波组所构成,每个波组代表着每一个心动周期。一个波组包括P波、QRS波群、T波和U波,如图1所示。

(1)P波。P波由心房除极所产生,是每一波组中的第一波,心脏的激动发源于窦房结,然后传导到达心房,它反映了左、右心房的除极过程。前半部分代表右房,后半部分代表左房。
P波呈钝圆形,可有轻度切迹;P波时小于<0.11 s,双峰间距小于0.04 s。
(2)QRS波群。典型的QRS波群包括三个紧密相连的波,第一个向下的波称为Q波,继Q波后的一个高尖的直立波称为R波,R波后向下的波称为S波。因其紧密相连,且反映了心室电激动过程,故统称为QRS波群。这个波反映了左、右两心室的除极过程。
QRS时限小于0.11s。
(3)T波。T波位于S-T段之后,是一个比较低且占时较长的波,它是心室复极所产生的。T波在24 h振幅变化较大。
T波钝圆,占时较长,从基线开始缓慢上升,然后较快下降,形成前肢较长、后肢较短的波形;T波方向常和QRS波群的主波方向一致;T波的振幅不应低于同导联R波的1/10。
(4)U波。U波位于T波之后,比较低小,其发生机理未完全明确;一般认为是心肌激动的“激后电位”。
1.2 心电信号的特性
一般电信号有三大特征:幅度、频谱和信号源阻抗。作为生物电的心电信号也是如此:
(1)微弱性。心电信号是自人体体表特定点处拾取的生物电信号,信号通常十分微弱,其幅度一般不超过5mV。
(2)低频特性。通常心电信号的频率较低,其频谱范围一般为0.05~100 Hz,频谱能量主要集中在0.25~35Hz之间。
(3)高阻抗特性。作为心电的信号源,人体源阻抗一般较大,可达几千欧到几十千欧,它将给心电测量带来误差和失真。
(4)不稳定性和随机性。人体是在内环境与外环境相适应的条件下维持其新陈代谢和生命。为适应各种外环境的变化,人体内各种系统的功能活动都在相互影响中不同地变化调整着,以在内环境保持平衡。同时遗传等因素也造成人体的个体差异。由于人体所处内外界环境在时空上的复杂多变性和个体差异,使得人体心电信号表现出不稳定性和随机性。
2 多床位心电监护仪的设计方案
2.1 总体功能目标
开发多床位心电监护仪主要实现以下功能目标:
(1)对所监护每一床位实现监护、动态显示心电波形和打印功能;
(2)对所监护每一床位患者的心电数据存储,并具有查看重显功能;
(3)监护软件可以自动计算心率、并能显示心率数值;
(4)实现上位机的床位选择功能,显示多个床位的心电画面,重点患者心电波形可置顶显示;
(5)实现上位机与下位机的通信功能;
(6)实现下位机的心电数据采集功能;
(7)实现上位机USB接口和串口RS 232的转换设计;
(8)患者心率为0时,实现上位机的报警功能;
2.2 系统总体结构
根据多床位心电监护仪所要完成的功能和特点,建立该系统的主要结构如图2所示。

图2中,PC主控机主要安装有多床位心电监护仪控制软件,完成1~8个床位的监护工作,同时要具备计算心率和心电报警的任务;8051单片机主要用来接收A/D转换后的心电数字信号;A/D转换完成心电的模拟信号转换为单片机要接收的数字信号;光电隔离电路用于心电信号进行去噪、滤波;心电采集和放大器完成对患者心电信号的采集并放大采集信号;心电导联主要连接患者身体的检测部位,采集患者的心电信号。
2.3 多床位心电监护仪控制系统
多床位心电监护仪控制系统是基于Visual C++6.0开发的上位机监控系统,主要完成的功能有开始监护、停止监护、重显、心率显示、取图(波形显示和波形采集)、网格图纸显示、存储、打印、报警、时间和日期,以及利用Visual C++编写USB驱动程序。
系统软件结构框图如图3所示。

(1)开始监护。启动多床位心电图监护软件后,出现开机画面,选择要监护的床位,在确认好患者的导联采集装置都连接好后,点击开始监护,对患者的心电信号进行实时采集,同时显示心电网格图纸、心电波形、监护时间和保存心电数据,计算出患者当前的心率,达到对其中一个床位进行监护的目的。如果有多个床位同时需要监护,建立对应床位的监护界面,点击开始监护即可进行。
(2)停止监护。监护过程中,对不需要再继续进行监护的床位患者,选择停止监护;保存好患者的心电数据,用于医生诊断时重显监护时的心电数据。
(3)系统报警。患者进行病情监护时,如果心电波形出现异常,心功能参数超出标准范围,心率为0时,系统会即时报警。
(4)日期时间。显示患者进行监护时的时间,用于医生诊断时对患者病情的了解,并能及时做好病情的诊治。
(5)取图。完成来自USB接口采集的心电信号数据,以波形形式显示到计算机屏幕上。
(6)数据保存。数据保存的目的是将患者心电波形数据、监护日期和时间都保存下来。
(7)心率计算。心率计算是将采集的心电实时数据,利用RR间期的差值方法计算心率,并显示到屏幕上的编辑框中,医生第一时间就可以掌握患者的心率资料。
(8)重显。挑选出有典型意义的波形进行分析处理,调出患者某一时间的心电数据,显示心电波形和时间,帮助医生来分析患者的病症。
(9)打印。采集的心电波形、计算所得的心率、监护时间打印到心电图网格纸上,帮助医生根据临床经验,进行医学诊断。
3 硬件设计
3.1 心电信号采集
根据心电信号的特性,采用心电信号模拟器模拟产生心电信号。这种心电信号很微弱,最大只有4 mV。将提取后的心电模拟信号送入前置放大器初步放大,对各种干扰信号进行一定抑制后送入带通滤波器,滤除心电频率范围以外干扰信号,主放大器将滤波后的信号进一步放大到合适范围,经由50 Hz和35 Hz陷波器滤除工频和肌电干扰,得到符合要求的心电模拟信号,随后就可由模拟输入端送人8051单片机的ADC上,进行高精度的A/D转换和数据的采集存储,如图4所示为心电信号的采集过程。

心电信号是一种低频弱信号,对心电信号采样精度的考虑主要是出自于对ST段异常分析处理的要求,ST段电平变化为0.05 mV,已经得到公认,因此采样精度至少为0.025V。根据美国心脏学会AHA标准和Nyquist采样定律,当信号采样频率等于或大于信号最高频率的2倍时,就可以从抽样后的信号中不失真的还原出原信号。ECG频率范围为0.05~100 Hz,取采样频率为200 Hz,即采样周期为5 ms。采用ADC08 09的逐次逼近8路模拟信号输入的10位ADC,输入满刻度电压为2.5 V,能分辨出来的输入电压变化的最小值为2.5/210=2.5 mV,心电采集放大倍数约为1 000倍,输入端的最小分辨率约为2.5/1 000=0.002 5 mV,故满足系统采样要求。
3.2 前置放大电路
设计选用仪表放大器AD620作为前置放大器,如图5所示。有效解决了心电信号采集时伴随的较强背景噪声和干扰;同时解决了心电信号频率低,变化缓、信号弱,信号源阻抗较高的特性。

为防止前置放大器工作于饱和或截止区,其增益不能过大,实验表明10倍左右效果较好。U3将R2,R3检出的人体共模信号用来驱动导联线屏蔽层,以消除分布电容,提高输入阻抗和共模抑制比。U4,R5,R6,C1构成“浮地”驱动电路,将人体共模信号倒相放大后,激励人体右腿,从而降低甚至抵消共模电压,较强地抑制50 Hz工频干扰。U1,U2用于稳定输入信号和提高输入阻抗,进一步提高共模抑制比。
3.3 带通滤波及主放大电路
由于心电信号频带主要集中在0.05~100 Hz之间,频带较宽,为此采用OP2177的两个运放分别设计一个二阶压控有源高通和低通滤波器,组合成带通滤波。带通滤波由双运放集成电路OP2177构成,如图6所示。

主放大电路由OP1177(U7),R12,R13构成。考虑到心电信号幅度约为0~4 mV,而A/D转换输入信号要求1 V左右,从而整个信号电路放大倍数需要1 000倍左右。而前置方法约10倍,因此本级放大倍数设计为100倍左右。
3.4 陷波和电平抬升电路
(1)50 Hz陷波。虽然前置放大器对共模干扰具有较强的抑制作用,但工频干扰是心电信号的主要干扰,部分工频干扰是以差模信号进入电路的,且频率处于心电信号频带之内,必须专门滤除。为较好地滤除工频干扰,专门设计了一个8阶巴特沃斯50 Hz陷波器,采用的时钟信号频率为2.5 kHz,设计电路如图7所示。

经测试陷波深度可达50 dB,效果较理想。
(2)35 Hz陷波及电平抬升。人体肌电随着个体的差异也会对心电信号造成不同程度的干扰,有时甚至淹没心电信号,因而有必要加以抑制。研究表明,肌电干扰主要集中在35 Hz左右,为此,本系统还设计了如图8所示的35 Hz的无限增益多路反馈型二阶陷波器。其截止频率约为35 Hz,Q约为7,可符合实际要求。
经过一系列信号调理后,陷波输出的心电信号为交变信号,而该系统中单片机内置ADC转换输入电压范围为0~4.98 V,因此,在送入ADC之前还需进行电平抬升,在图8中,电平抬升部分由U11,R42,R43,R44构成。

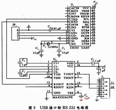
3.5 上位机中USB接口与RS 232接口转换电路的设计
设计该转换电路时,采用CH341设计了一个简单的3线RS 232串口,如图9所示。通过实验,可以达到系统的要求。

图10所示为系统在重显时第一个床位的心电波形图。

4 结论
至此,利用心电信号模拟发生器,连接前置放大器、带通滤波及放大器、50 Hz陷波和35 Hz陷波及电平抬升,与单片机实验箱上的ADC0 809转换器相连;将实验箱上的单片机串口经USB与RS 232转换器连接至PC机。
启动PC机多床位心电监护仪系统,选择第一个床位监护命令,按动心电信号模拟发生器产生心电信号,PC机接收下位机上传的心电信号数据;并在第一个窗口中显示了该心电波形。心电波形清晰,并能计算出心率和显示,同时也显示出监护的时间达到了预期效果。
