中心议题:
反馈控制电流源的原理
电流检测电路的具体电路设计实现
解决方案:
电流检测电路中的反馈网络设计
电流检测电路是电流模式控制所必需的,通过检测功率开关管上的电流,然后输出一个电流感应信号与斜坡补偿信号进行叠加并转换成一个电压信号,再与误差放大器的输出进行比较,从而实现电流模式开关转换器电流内环的控制。其实现方法有很多种,常见的有两种,一种是与功率管串联一个电阻Rsen,另一种是与功率管并联一个并联检测管复制比例电流,并联检测管复制比例电流的检测方法,又有两种主要的实现结构,一种是采用运放的结构,另一种是利用反馈的方式。如果采用运放, 显然会增加电路的复杂性,而且也会增加功耗。本文根据具有反馈控制电流源的原理来设计电流检测电路中的反馈网络。
1 反馈控制电流源的原理
电路原理图及电流源动态特性曲线如图1( a)、( b)所示。根据电流源的特性曲线, 偏置电路中各相关元件的电流特性只有线性与非线性电流源相结合才可能有唯一的交点(原点除外), 这样才能保证偏置电路有唯一稳定的工作点。

图1 具有反馈控制的电流源的原理图
设电阻上的压降为VR, M3 管的过驱动电压为△, 由M3、M4 电流相等的条件, 得到:

由此解出:

其中, VR = VGS3 - V GS4, 因此VGS的压差决定了电阻上所形成的微电流, 即输出电流I0 满足的非线性关系为:

由此解出的输出电流已与电源电压无关。
2 电流检测电路的具体电路设计实现
根据前面的分析, 可以看出, R 固定时, 当图1所示的电路可以提供唯一的偏置偏流。但是在电流检测电路中, 由于电感电流一直在变, 很显然, 固定的电阻不再适用, 将图1 的改进电路运用到电流检测电路中, 如图2所示, 图中电阻用工作在线性区的MOS管MR 代替。

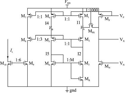
图2 改进型具有反馈控制电流源的电流检测电路

可以看出, rON与V GS - VTH成反比, 因此电阻值会随着VGS的变化而变化, 这样不同的电阻值形成的非线性电流源与电流镜结合, 就会有不同的稳定工作点。因此, 在整个工作中, 对于一直变化的电感电流, 偏置电路是通过改变电阻值而达到不同的动态稳定状态。
为了达到电路检测的精确度, 本文用带反馈控制、电阻值可变的电流源来代替复杂的运放。
图2所示电流检测电路中, MP、MN 为功率管,M1 与M4、M2 与M5 的W/L相同, VP 为MP 的控制信号, MPS用作开关, 其W/L比较大, 具有低导通电阻。在电流模DC /DC 转换器中, 反馈控制环路只需检测MP 功率管导通时的电流, 因此, 为降低功耗, 可控制电流检测电路只在MP 功率管导通时工作, 即只检测电感充电阶段的电流, 而在MP 功率管截止时, 电流检测电路不工作, 进而有效地减小了功率损耗。
当VP 为低电平时, MP 导通, MPS作开关也导通,并且可以看作近似短路, 进而流过MPS的电流也可以忽略, 因此MP、M1 的VDS近似相同, 流过MP 的电流被镜像复制至M1。MP 与M1 的W/L成比例, 且比例系数较大, 因此检测到的电流与MP 中的电流成比例, 同时远小于MP 中的电流。
下面分析VB 与VA 的关系。假设在某个时刻,VB 的电位高于VA, 则VDS4 < VDS1, M4 中的电流I4 小于M1 中的电流I1, 而VDS5 > VDS2, 要求I5 > I2, 这使得在同一支路中I4 I5, 显然不太可能, 所以VB 会与VA 相同, 且保持相同的动态变化。因此, M1 中的电流被再次镜像至M4, 而且, 由于反馈控制电流源的作用, VA 处的任何微小变化都会强迫VB 也有相同的变化, 保证了电流检测的精度。
根据系统设计要求, 电流检测的比例应该为K = 1 000:1, 电路图中给出了各级电流复制的比例,由于电流检测电路采用带反馈控制、电阻值可变的电流源结构, 可以得到VA 等于VB, 又由于设置M1,M4, 和M7 的宽长比相等, 根据MOS 电流公式可以得到:

检测精度和速度是电流检测电路两个重要的指标。由于每个检测周期的开始阶段, 电流检测电路处于启动状态, 所以Is 都有一段启动时间。这个时间主要由电路中M9、M10管的寄生电容决定, 当两管的宽度和长度比较小时, 启动时间很短, 相反, 启动时间会变长。为了保证电流检测的精度, M9、M10两管的L 不能太小, 现取1 um。
3 仿真结果
通过仔细调整MP 管和M1 管的参数, 设置为MP 管的宽长比为5 000 um /1 um, M1 管的宽长比为5 um /1um。其他管子的参数参见电路图上的比例复制标注。通过在在Cadence软件中的spe tre仿真设计工具下, 采用CSMC 0. 5 m CMOS工艺在25℃进行仿真验证。
下图3给出电流检测电路的仿真结果。

图3 电流检测电路的仿真波形
从输出波形的测量可知, 当电感电流IL 最大值如A 点测得的479. 55 A 时, 检测电流Is 最大值如B点测得的486. 81 A, 基本上满足了:

故所设计的电流检测电路能很好满足设计要求。
4 结论
本文设计了一种适用电流模式的DC /DC 转换器芯片的电流检测电路, 通过利用有反馈控制电流源的原理来设计电流检测电路中的反馈网络。通过仿真验证可知所设计的电路性能良好, 采样精度达到1 000:1, 完全满足系统设计要求。
