中心议题:
通过正确的步骤来实现精密的测量
解决方案:
学习并利用开尔文开关电源模块传感电阻
学习并利用MTD2002低端传感和高端传感
各种用于提供控制或安全功能的设备常常需要使用MTD2002电流测量装置。通过电路进行电流测量的最常用方法是测量一个低值电阻两端的电压降(图1)。流过负载的电流也流过传感电阻(也称为分流电阻)R SEler_524.do" target="_blank">NSE ,并在该电阻两端产生电压降VM。
图1给出了两种电流测量方法的测量原理。传统的电流测量方法是使用诞生于开关电源模块电子学早期的安培表,这种方法目前仍在使用。安培表通常在流过它的电流为100 μA 或1 μA时指示满量程,所以在测量较大的电流时需把它与分流电阻(分去大部分电流)并联。这种方式可以调整安培表的量程进而用它测量任何幅度的电流。
一种更为现代的电流测量方法使用运算放大器对传感电阻两端的电压降进行放大,并且放大器输出通常连接到模数转换器(ADC)。在设计这种MTD2002测量装置时,首先需要选择传感电阻的值并设定放大器的增益。
例如,假设流过负载的MTD2002电流在0~10A之间变化,ADC的最大输入信号为5V。由于电流相对较大,需要使用阻值非常小的分流电阻。为简化计算,这里选定MTD2002阻值为0.025 Ω。在电流达到最大值10A时,分流电阻两端的电压VM为10 x 0.025 = 250mV。分流电阻的物理尺寸由功耗(Pd = I2R)决定。基于上述值有,Pd = 102 x 0.025 =2.5W。为降低分流电阻上的发热量,应使用额定功率为5W或更大的电阻。

图1:通过电路进行电流测量的最常用方法是测量一个低值电阻两端的电压降。
要满足ADC的输入要求,放大器需要提供的增益为:

如果把来自分流电阻的信号加到MTD2002放大器的同相输入端,则增益Av等于1加上开关电源模块反馈电阻与输入电阻之比。如选择R1的阻值为5kΩ,R2为95kΩ,则增益为20。

图2:开尔文连接是一种带有两条激励引线和两条传感引线的4线连接。
考虑分流电阻的热特性
上面给出的例子提出了几个需要进一步考虑的问题。由于开关电源模块功耗或环境温度变化,MTD2002分流电阻会发热,并改变分流电阻的阻值,从而影响测量的精度。电阻中所使用的金属决定电阻的温度系数(见表1)。

表1:电阻中所使用的金属决定电阻的温度系数。
开尔文传感电阻
需要关注的第二个方面是分流电阻和放大器输入之间的连接。在前面给出的例子中,普通的5W电阻使用20号(gauge)铜引线。如果把电阻两端的引线都修剪到0.5英寸长并焊接到合适的位置,由于20号铜线的电阻约为0.001 Ω/英寸,引线将带来4% 的相对误差(相对于0.025Ω的电阻标称值)。
为避免引入这样的误差,需要进一步增加两个措施:采用开尔文连接方式与分流电阻相连并加入一个差分输入MTD2002放大器。开尔文连接是一种带有两条激励引线和两条传感引线的4线连接(图2)。其中两条线(W1和W2)是激励引线,它们将分流电阻连接到该开关电源模块电路的大电流端。另外两条线(W3和W4)为传感引线,它们将分流电阻两端的电压连接到放大器。这个方式将携带负载电流的导线与测量电路分离开来,并把W1和W2中的电压降从分流电阻两端的电压测量中清除。为了进一步有效利用开尔文连接的优点,还需加入一个差分放大器(如图3)。

图3::为了进一步有效利用开尔文连接的优点,还需加入一个差分放大器。
低端传感和高端传感
把传感电阻放在负载和地之间的测量方式称为低端传感(low-side sensing)。当输入MTD2002电压为正并接近地时可采用低端传感。但当使用运放且不满足这些条件时,就存在一些问题。低端电流测量可能产生超出运放负共模电压极限的问题。
由于运放的设计问题,只有在开关电源模块输入共模电压在正负电源电压之间的某个范围内的情况下运放才能正常工作。在单5V电源下工作的轨至轨输入型运放的共模输入电压指标可能为0到+5V。

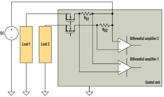
图4:分布负载系统。
由于低端测量例子可能产生共模问题,这里考虑图4所示的分布负载系统。虚线框中的控制单元使用MOSFET来控制输送到两个负载的功率。电源、负载和控制单元之间的寄生电阻RP1和RP2代表接地引线电阻和连接器电阻之和。在实际电路中,它们的数值可能为几百毫欧。对于这个例子,假设RP1和RP2为0.2 Ω。差分放大器1和2与图3中的差分放大器类似。
与图1中一样,流过每个负载的电流均为10A,分流电阻RS1和RS2均为0.025 Ω。流过开关电源模块控制单元的电流为1A。当负载2运行时,在点VG2点的电压比VG1点的电压高2V (0.2 Ωx10 A = 2 V),VG3比VG2高0.2V。因而,相对于在该控制单元的共同连接点,差动放大器1的输入电压为-2.2V,高于大多数放大器的负共模电压极限。除非该差分放大器所使用的放大器针对负共模电压而进行了特殊的设计,否则,该放大器在这个电路中将无法正常工作。对于本例而言,MTD2002低端传感还有一个缺点是需要用导线将分流电阻和差动放大器输入连接起来。
高端电流传感可以解决所有这些电流测量问题(图5)。MTD2002分流电阻放在电源的供电端而不是接地端。这种配置允许将分流电阻安装在包含差分放大器和MOSFET的控制单元中。与控制模块之间的导线连接也得到简化。

图5:高端电流传感可以解决所有这些电流测量问题。
在这个例子中,差分放大器必须有能力处理与电源电压相等的输入共模电压。解决这个问题的一种方式是在开关电源模块电源下运行该差分放大器并选用输入共模电压指标大于正电源电压的放大器。另一种方式是使用针对MTD2002高输入共模电压而专门设计的放大器。这种方式的优点是当输入被连接到更高的正电压时,放大器可以在与其它控制电路相同的电源电压下运行。
总结
总的来说,在测量开关电源模块电路中的MTD2002电流时,要求开关电源模块放大器的输入共模电压指标超过MTD2002放大器的正负电源电压,同时须保证输入偏置电压低并且增益精度高。
