普通的交流接触式调压器的调压范围,均是在0~250V之间,因输入电压为220V,所以最大的输出电压仅比输入电压高30V。
若按图所示,用一台交流接触式调压器T1和一只初级220V,次级为双30V的电源变压器T2(要求T2功率大于用电器具的功率)串联使用,则可实现输出电压比输入电压提高90V。
方法是这样的:将电源变压器T2次级双30V首尾接线后,再和它的初级①连接。这样,T2便成一只自耦式生压器了。

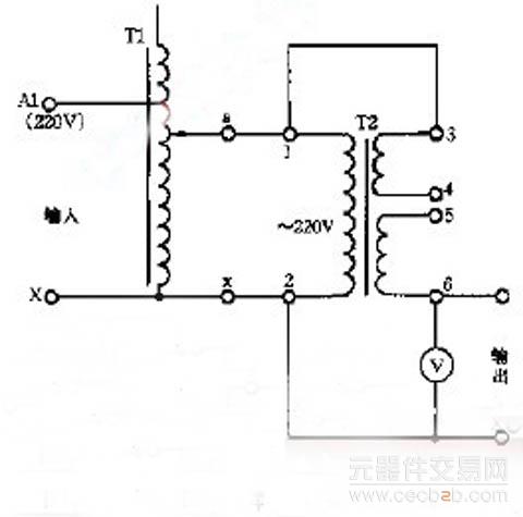
普通的交流接触式调压器的调压范围,均是在0~250V之间,因输入电压为220V,所以最大的输出电压仅比输入电压高30V。
若按图所示,用一台交流接触式调压器T1和一只初级220V,次级为双30V的电源变压器T2(要求T2功率大于用电器具的功率)串联使用,则可实现输出电压比输入电压提高90V。
方法是这样的:将电源变压器T2次级双30V首尾接线后,再和它的初级①连接。这样,T2便成一只自耦式生压器了。
