<strong> 一、描述
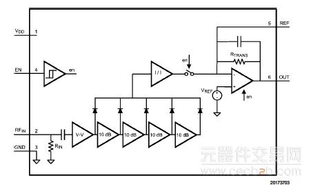
这个LMV221SD/NOPB(购买请点击) 是一个40 dB射频功率检测器的用途在CDMA和WCDMA的应用程序。该设备有一个射频频率范围从50 MHz到3.5 GHz。它提供了一个精确的温度和供应补偿输出电压与线性射频输入功率在dBm。这个电路经营以单一的供应从2.7 v 3.3 v。
这个LMV221SD/NOPB(购买请点击) 有射频功率检测的范围从?45 dBm到5 dBm和非常适合直接结合使用的30分贝定向耦合器。额外的低通滤波输出的信号可以实现通过外部电阻器和电容器。该设备是活跃的,使=高,否则它是在一个低功耗关闭模式。节约能源和预防放电的外部滤波电容,输出(出)是高阻抗在关机。这个LMV221SD/NOPB(购买请点击) 功率检测器提供小2.2 mm x2.5 mm x 0.8 mm LLP的包。


二、特性
1、40 dB线性在dB功率检测范围;
2、输出电压范围0.3到2 v关闭;
3、多波段操作从50 MHz到3.5 GHzLMV221SD/NOPB(购买请点击) ;
4、0.5 dB准确的温度补偿;
5、外部可配置的输出滤波器带宽LMV221SD/NOPB(购买请点击) ;
6、2.2 mm x 2.5 mm x 0.8 mm LLP 6包。