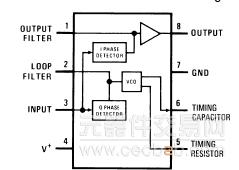
The LM567 and LM567CN/NOPB (购买请点击)are general purpose tone decodersdesigned to provide a saturated transistor groundwhen an input signal is present within the passband. The circuitconsists of an I and Q detector driven by a voltage controlledoscildetermines the center frequency ofthe decoder. External componeused to independentlyset center frequency, bandwidth and output delayLM567CN/NOPB (购买请点击).


Applications
Touch tone decoding;
Precision oscillatorLM567CN/NOPB (购买请点击);
Frequency monitoring and control;
Wide band FSK demodulation;
Ultrasonic controlsLM567CN/NOPB (购买请点击);
Carrier current remote controls;
Communications paging decodersLM567CN/NOPB (购买请点击)。