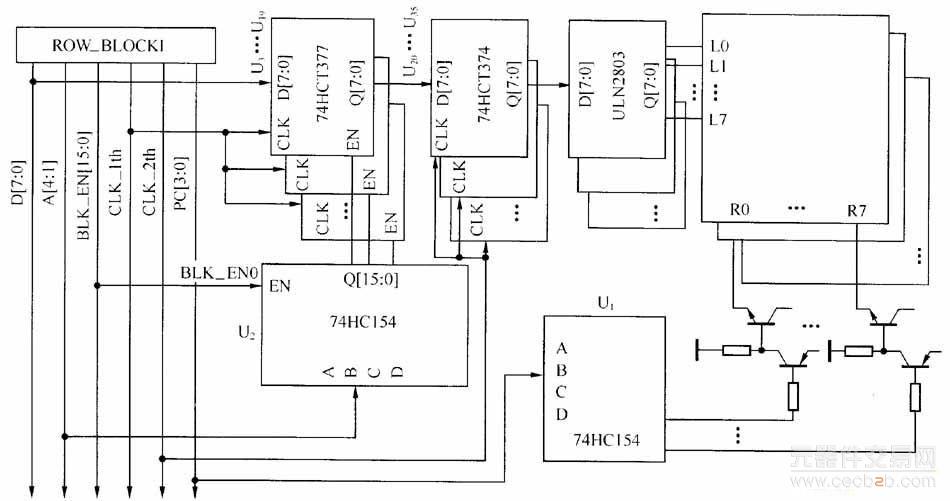
大型LED显示系统采用逐行扫描和列驱动方式来节省硬件开支,采用1/16逐行扫描方式,整个大型LED显示屏被分为16个同名行。图为显示驱动模块的原理图。
每个显示模块为1个64×32像素的小点阵屏,分为两部分,上下各16行,每部分有8组列数据锁存器。上下两部分复用1个4子16译码器U1,选通驱动1/16逐行扫描显示,并需要16组列驱动锁存器锁存列显示数据。采用并行总、线数据传输方式时,需要1个译码器U2选通使能列锁存器。在点阵刷新时夕需要使用两级锁存器锁存列显示数据,否则会出现显示拖尾现象。本次正在显示的数据存在第二级锁存器中,主控板对屏端第一级锁存器写下一行要显示的数据进行列数据刷新,当下一行要显示的数据传输完毕后,一起锁存到第二级锁存器输出并选通驱动下一行显示。采用并行总线方式下的二级锁存器,仍然比用数据虍行传输再转成并行输出的方案经济。

图 显示驱动模块原理图
显示驱动模块之间横向级联时,运用错位级联的思路,使其具有良好的通用性和可嵌入性。如图所示,选通线每到一级时就会错位一次并传到下一级,总是使第一根选通线BLK_EN0作为第一级列锁存器的译码器的使能控制线,n根选通线就能依次选通 n级横向级联模块。这样就可用相同的显示驱动模块任意组合成横向级联的条屏。
运用错位级联的思路,使横向级联的显示驱动模块上的第一级锁存器的译码器U2能够依次选通,该译码器又能依次选通第一级列数据锁存器。这样横向级联屏上的第一级列数据锁存器就能被看成一段连续的存储单元,这是使用DMA并行数据传输控制的基础。