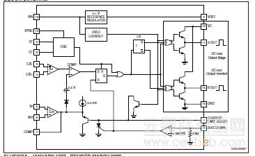
<strong> 一、描述
UC1846/7N家族控制的ICs提供所有必需的特性来实现固定频率、电流型控制计划同时维持一个最低的外部零件数。这个性能优越的这种技术可以UC3846N测量在改善线监管,增强的负载响应特性,和一个更简单、更易于设计控制回路。拓扑的优势包括固有的脉冲,脉冲电流限制功能,自动对称校正推挽式转换器,并且能够并行“功率模块”,同时保持平等的当前共享。

保护电路包含内置低压闭锁和可编程电流限制除了软启动能力。关闭函数也可用来启动或完全关闭自动重启或门闩供应了。其他功能包括完全锁定操作,双脉冲抑制,期限调整能力,和一个±1%削减能带隙参考。这个UC1846特性低输出在关闭状态,而UC1847特性高输出在UC3846N关闭状态。
二、性能
1、自动前馈补偿;
2、可编程脉冲,脉冲电流;
限制
3、在推挽式自动对UC3846N称校正;
配置
增强的负载响应特性
4、并行操作功能模块化;
电力系统
5、差动电流与感测放大器;
宽的共模范围
6、双脉冲抑制;
7、500毫安(峰)图腾柱输出;
•±1%能带参考
8、欠压锁定;
9、软启动能力;
10、关闭终端;
11、500千赫操作。