利用运算放大器输入的比较特性设计,制作运算放大器速测仪能够进行快速、准确地判测所测运放的好坏,在元器件选择中十分有用。
电路原理
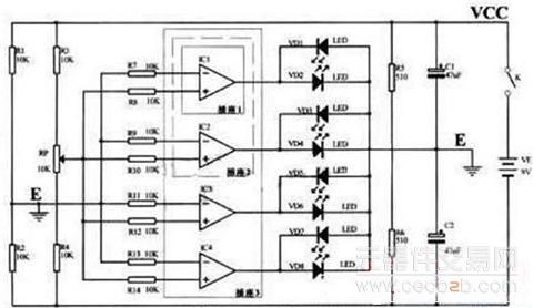
测试仪基本设计思路是将待测运算放大器(图中IC1,IC2,IC3,IC4)接成比较器结构,当V+>V-时,Vout为正电源状态,接近VCC。发光二极管Vd1发光。当V+>V-时,为负电源状态,接近Vee,发光二极管Vd2亮。为此,用R1,R2设置V+=1/2{Vcc-Vee}=0[对E点电位]R3R4Rp组成V-电压偏置电路,向下调节Rp,可是V-V+,Vd2发光。电阻R5R6C1C2构成电源分裂电路,将9V电源分成2*4.5V,使Ve=0v即Vdd=+4.5v,Vee=-4.5v,满足运算放大器双电源应用的要求。
电路中R7~R14为输入端串联电阻,目的是当测试多运算放大器时,其中某一运算放大器输入端损坏后不影响其他运算放大器的测试,电路设计中用二个8脚,一个14脚DIP插座,从而满足通用型单,双,四运放的测试。测试仪原理见下图。
测试仪的调试
测试仪有二个八脚一个十四脚集成电路DIP插座,结合发光二极管和电源构成。插座1用于测量单运放,7脚接电源正,4脚接电源负,2脚输入负,3脚输入正6脚输出。插座2测量双运放,8脚为电源正,4脚为电源负,2,6脚输入负,3,5脚输入正,1,7脚为输出。插座3测量四运放,4脚为电源正,11脚为电源负,2、6、9、13脚输入负3、5、10、12脚输入正1、7、8、14脚为输出。电路图中IC1、IC2、IC3是作为原理给于说明,实际上插座1,插座2,插座3的接线应按以上进行连接,只要接线正确,几乎不用调试。R5、R6应尽可能相等,确保为虚地。R5、R6由于是电源裂变电阻又是发光二极管的限流电阻,可在200-510欧间选择。阻值小,发光亮耗电大。阻值大,发光弱,不易观察。R1、R2、R3、R4应尽可能相等,保证偏置为"地",阻值在10k-100k中间选择Rp为同数量级的线性电位器,在中间做一个刻度线,以便调节。(电路图上所标电阻的数值仅供参考,制作时可根据手中已有的电阻去做选择)VD1-VD8选择异色发光二极管便于区分。测量前关掉电源,将插入待测集成电路,单运放,双运放,四运放要分别插入对应的插座中,注意管脚位置不能插反,然后闭合K调节Rp观察,根据发光管状态判其好坏.测试完后断电,取下集成电路。注意不能带电插拔集成电路,以免造成集成电路的损坏。
测试仪使用方法
将被测单运放(IC1)插入插座DIP1中,接通电源向下调节Rp,Vd1发光:向上调节Rp,Vd2发光,当RP处在中间位置时,输出为零,Vd1、Vd2发微光。在进行双运放测试时,把被测双运放(IC1,IC2)插入插座DIP2中,向下调节Rp,Vd1、Vd3亮。向上调节Rp,Vd2、Vd4发光;在对四运放(IC1,IC2,IC3,IC3)进行测试时,被测运放插入插座DIP3中,向下调节Rp,Vd1Vd3Vd5Vd7发光;向上调节Rp,Vd2Vd4Vd6Vd8发光。测试中不必去寻找中点,只要观察发光管的变化状态,就能判断其比较特性的优劣。对于多运放的测试,应当慢慢调节Rp,以便观察发光二极管的发光亮度及亮灭时间差异来判断其多运放的一致特性。如果在测试中调节RP时只有一种状态,而不变化,说明该运放已失去比较特性而损坏,不能使用。
