在学校学生宿舍用电管理一直是一个难题,特别是砖木结构的学生宿舍,各种违章大功率电器的使用屡禁不绝。由于违章电器的使用引起火灾的事故时有发生,给国家的财产造成了严重的损失,同时也对学生的生命构成了一定的威胁,本文所研究的智能限电和防火控制器能很好保障学生宿舍的用电安全,维护学校的安全稳定工作。
1 智能限电和防火控制器的设计
1.1 系统的硬件设计
智能限电和防火控制器以瑞萨单片机(M3062P)为控制核心,外围电路有电源电路、按键电路、继电器驱动电路、时钟电路、128×64液晶显示电路、电流采样、电压采样、漏电采样、E2PROM电路、光耦输入、通信RS485接口。系统硬件框图如图1所示。

图1 智能限电和防火控制器硬件结构图
电流采样电路用于检测电路电流的大小,用于过载、短路等保护等;电压采样电路用于检测电路电压的高低和频率测量;光耦电路将传感器接口和控制电路接口隔离;漏电采样可能检测线路中是否存在漏电;通信电路可能实现远程24小时在线监控;E2PROM电路可实现参数和故障信息的掉电保存;电源电路为整个系统提供电源。
1.1.2 电源电路
由于系统的控制核心和外围电路的工作电压为5V,继电器线圈电压为5V,同时考虑成本和抗干扰性能,因此采用三端稳压器78L05为系统供电。T1为5W的工频变压器。

图2 电源电路图
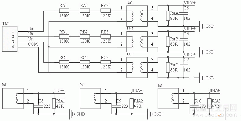
1.1.3 电压和电流采样电路
电流采样用穿线式电流互感器,电压采样用经过互感器后用电阻采样,再通过放大电路给单片机采样计算有效值,再计算功率和功率因数,根据有功功率可检测是否有纯阻性负载接入,实现智能限电功能。漏电采样可能检测线路中是否存在漏电,如果单片机(M3062P)检测到线路有漏电,当漏电电流达到设定值,单片机发出动作信号驱动继电器全负载断开,从而避免由漏电导致的火灾的发生。Ia1、Ib1和Ic1是穿线式电流互感器。电压采样和电流采样电路如图3所示。

图3 电压采样和电流采样电路图
1.1.4 LCD显示电路
LCD显示采用128×64点阵式液晶,其具有体积小、质量轻、超薄和可编程驱动等其他显示无法比拟的优点,不仅可以显示数字、字符,还可以显示汉字,可实现屏幕上下左右滚动、动画、反转显示、显示闪烁多种功能。设计采用中文图形显示界面,使人机界面更为友善。
1.1.5 光耦隔离电路
光耦电路将感度传感器温、烟雾传感器、可燃气体探测器和1路DC24V远程消防控制信号输出接口和CPU的控制端口隔离,提高系统的抗干扰性。
1.1.6 通信接口电路
通信接口电路采用RS485方式,将系统的测量数据通过串行总线发送到每栋宿舍的主监控端,在监控端可以实时了解各个宿舍的用电及安全情况。
1.1.7 电源浪涌保护电路
为了防止线路上的浪涌电压损坏用电设备,在电源的进线端增加防雷(电源浪涌保护器)电路,即在各相线和零线分别并联一个压敏电阻。防浪涌电路如图4所示。

图4 三相电和单相电防浪涌电路
1.2 系统的软件设计
主程序首先初始化主控芯片内部寄存器和工作模式,检查存储在E2PROM中的各项参数是否在设定的范围内,若超出范围或参数为空,则用缺省参数设置,然后初始化显示模块和键盘模块,并显示缺省界面。在程序的主循环中,主要实现电压电流的采样、漏电检测以及各路传感器输入检测,根据测量的结果决定是否需要执行保护动作或报警动作。系统的主程序流程图如图5所示。

图5 系统主程序流程图
2 系统的安装调试和总结
在整个系统设计完成后我们在调查研究的基础上,根据学校的作息时间和允许用电功率进行了设定验证调试,智能限电,防雷和防火控制器具有智能限电,防雷保护器和剩余电流防火保护器的全部功能,结果显示本系统可以稳定运行且效果理想。
根据目前广西很多学校的学生宿舍还存在着与我校同样的用电安全隐患,本项目的研究及开发应用对维护学校安全稳定具有显着的现实意义和较高的推广使用空间和应用价值。