0引言
电磁兼容(EMC)是指电子设备或系统在其电磁环境中能正常工作且不对该环境中任何事物构成不能承受的电磁骚扰的能力。随着电子产品越来越多地采用低功耗、高速度、高集成度的LSI电路,而使得这些装置比以往任何时候更容易受到电磁干扰的威胁。而与此同时,大功率家电及办公自动化设备的增多,以及移动通信、无线寻呼的广泛应用等,又大大增加了电磁骚扰源。这些变化迫使人们把电磁兼容作为重要的技术问题加以关注。特别是欧共体将产品的电磁兼容性要求纳入技术法规,强制执行89/336/EEC指令,即规定从1996年1月1日起电气和电子产品都必须符合EMC要求,并加贴CE标志后才能在欧共体市场上销售以来,促使了各国政府从国际贸易的角度,高度重视电磁兼容技术。
开关电源具有体积小、重量轻、效率高的优点,且市场上已有开关电源集成控制模块,这使电源设计、调试简化了许多,所以,在大多数的电子设备(如计算机、电视机及各种控制系统)中得到了广泛的应用。然而,开关电源自身产生的各种噪声却使其成了一个很强的电磁骚扰源。这些骚扰随着开关频率的提高、输出功率的增大而明显地增强,对电子设备的正常运行构成了潜在的威胁。因此,只有提高开关电源的电磁兼容性,才能使开关电源在那些对电源噪声指标有严格要求的场合被采用。
电磁兼容包括两个方面的含义。
(1)电子设备或系统内部的各个部件和子系统、一个系统内部的各台设备乃至相邻几个系统,在它们自己所产生的电磁环境及在他们所处的外界电磁环境中,能按原设计要求正常运行。换句话说,它们应具有一定的电磁敏感度,以保证它们对电磁干扰具有一定的抗扰度(Immunity of a Disturbance)。
(2)该设备或系统自己产生的电磁噪声(Electromagnetic Noise-EMN)必须被限制在一定的电平,使由它所造成的电磁干扰不致对它周围的电磁环境造成严重的污染和影响其他设备或系统的正常运行。
众所周知,构成电磁干扰有三个要素,即:骚扰源(噪声)、噪声的耦合途径及噪声接收器(被干扰设备)。因此,概括电磁兼容设计的任务就是要削弱骚扰源的能量,隔离或减弱噪声耦合途径及提高设备对电磁干扰的抵抗能力。下面就以反激式(Flyback)电路为例,讨论小功率单级PFC电路的电磁兼容性设计。
1骚扰源的分析
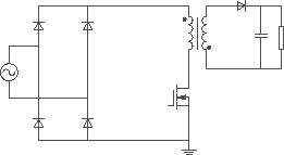
如图1所示,在小功率DC/DC变换器中,主要的骚扰源是电磁感应噪声和非线性开关过程噪声。这都是由于功率变换电路中的整流二级管和功率开关管在工作过程中所产生的电压和电流的跃变,并通过高频变压器、储能电感线圈以及电路中的元件布局和器件本身自带的寄生参数之间相互作用而造成的。

图1反激式功率因数校正电路图
换句话说,电路中产生的所有干扰问题的根源,就是功率开关管和高频整流二极管在快速的开断过程中所产生的di/dt和dv/dt。所以,在电路设计的初期,即进行电路方案的选择时就应着手考虑EMC问题。在各方面条件成熟和允许的情况下,对于主开关管的设计应采用软开关电路(例如中功率电路当中广为采用的移相全桥电路等),这样不但可以极大地减小开关管的开关损耗,而且有助于降低电路中的di/dt。而在开关频率的选择上也不是越高越好,而是应当选取合适的频率。还有,由开关管和高频二极管以及输出电容构成的回路应尽量地小,因为回路小寄生电感就小了。在开关管和高频二极管开通和关断的瞬间会产生很大的di/dt,如果寄生电感大了就会感应出很高的电压,这样就形成了一个大的骚扰源。另外,高频二极管在关断的时候会出现反向恢复的情况,这也是一个很大的骚扰源。我们必须注意削弱它,以免影响电路的正常工作,为此可以给高频二极管串一个小的电感,抑制高频二极管的反向恢复电流。但是这个电感不能大,因为在高频下di/dt很大,也会引入一个骚扰,因此必须折中。
另一个产生电磁感应噪声的主要骚扰源是脉冲变压器。在反激式电路中,由于原副边绕组耦合系数不为1,变压器存在着一定的漏感Ls。当开关关断时,Ls所产生的反电势-Lsdi/dt会使开关管的漏源极之间的电压出现上冲。这是因为Ls上的能量――漏磁通不能通过变压器耦合到副边进行释放,因此,这部分能量同开关管的寄生电容Cs和输入电源Vin共同构成一个衰减的LC谐振,叠加在关断电压上,形成关断电压尖峰。这个尖峰噪声实际上是尖脉冲,除了造成干扰外,重者有可能击穿开关管。而且它还是一种传导性电磁干扰,既影响变压器的初级,还会使干扰传导返回配电系统,造成输入侧电网的电磁干扰,从而影响其它用电设备的安全和经济运行。
和开关管一样,电路当中的脉冲变压器也存在高频率的di/dt变化,也会向空间辐射高频的电磁波,干扰其他的元器件和设备。为此也应当想法将变压器这些高频电磁波屏蔽掉。
对于电磁场而言,电场分量和磁场分量总是同时存在的。所以,在屏蔽电磁场时,必须对电场与磁场同时加以屏蔽。高频电磁屏蔽的机理主要是基于电磁波穿过金属屏蔽体产生波反射和波吸收的机理。电磁波达到屏蔽体表面时,之所以会产生波反射,其主要原因是电磁波的波阻抗与金属屏蔽体的特征阻抗不相等,两者数值相差越大,反射引起的损耗就越大。反射波还和频率有关,频率越低,反射越严重。而电磁波在穿透屏蔽体时产生的吸收损耗则主要是由电磁波在屏蔽体中的感生涡流引起的。感生的涡流可以产生一个反磁场抵消原干扰磁场,同时,涡流在屏蔽体内流动产生热损耗。
2电磁兼容的设计
电磁兼容性设计包括电路选择、元器件的选择、滤波、屏蔽、接地、布局等。
2.1软开关技术
选择零电压开关、零电流开关谐振技术或其他软开关技术。在零电压谐振变换器中,功率开关上的电压波形为准正弦,dv/dt小;在零电流准谐振变换中,流过功率开关的电流为准正弦,di/dt小,这样就可以减小EMI电平。因为,干扰频谱窄,且集中在谐振频率附近,易于滤波器的设计。
要特别注意降低功率开关的di/dt与dv/dt和减小整流二极管噪声的缓冲电路的设计。
2.2滤波
滤波是抑制干扰的一种有效措施,尤其是在对付传导干扰方面,具有明显的效果。欲削弱传导干扰,把EMI电平控制在有关EMC标准规定的极限电平以下。除抑制骚扰源以外,最有效的方法就是在开关电源输入和输出电路中加装EMI滤波器。在滤波电路中,选用穿心电容、三端电容、铁氧体磁环,能够改善电路的滤波特性。EMI滤波器如图2所示。

图2输入EMC滤波器原理图
这种EMI滤波器既能抑制共模干扰又能抑制差模干扰。它是开关电源EMI滤波器的基本网络结构,其中L1和L2是绕在同一磁环上两只独立线圈,匝数相同,有相同方向的同名端,称之为共模电感线圈或者共模线圈。L3与L4是独立的差模抑制电感,C1、C2和C3是电容器。如果把该滤波器一端接入干扰源,负载端接上被干扰设备,那么L1和C1,L2和C2就分别构成了两对独立端口间的低通滤波器,用来抑制电源线上存在的共模EMI信号,使之衰减,并被控制到很低的电平上。L3及L4形成的独立差模抑制电感和电容C3组成了一个低通滤波器,用来抑制电源线上存在的差模EMI信号。
适当的设计或选择合适的滤波器,并正确地安装滤波器是抗干扰技术的重要组成部分,具体措施如下。
1)在交流电输入端加装电源滤波器,其电路图如图2所示。其中L3,L4和C3用于抑制差模噪声,L1,L2,C1和C2用于抑制共模噪声。所有的电源滤波器都必须接地,因为滤波器的共模旁路电容必须在接地时才起作用。一般的接地方法除了将滤波器与金属外壳相接之外,还要用较粗的导线将滤波器外壳与设备的接地点相连,接地阻抗越小滤波效果越好。另外,滤波器应尽量安装在靠近电源入口处,避免干扰信号从输入端直接耦合到输出端。
2)在电源输出端加输出滤波器。加装高频电容,加大输出滤波电感的电感量及滤波电容的容量,可以抑制差模噪声。如果把多个电容并联,效果将会更好。
在使用滤器器的时候,我们还必须注意以下几点。
1)滤波器必须有良好的屏蔽,屏蔽体与电源良好搭接。
2)输入滤波器应装在输入端口处,输出滤波器应装在输出端口处,并远离内部电磁发射很强的电感器、功率开关等。若可能的话,尽可能作为一个独立部件与电源合理连接。
3)滤波器的输入、输出线不能交叉,应采用屏蔽线或相互间设置屏蔽层。
4)滤波器内部的元件,自身要进行良好的电磁屏蔽和接地处理,以免流过滤波器接地导线的短路电流造成有害电磁辐射。
5)滤波电感的铁芯最好采用罐型或者环型,若用其他形状可加短路环或磁屏蔽。线圈采用单层或分段式绕法,小电流时可采用蜂房绕制的多层线圈。共轭线圈不能采取双线并绕,应是对称的两个独立线圈。
6)应选用高频特性好的电容器。
2.3接地
必须注意电路中的接地问题,因为公共阻抗耦合主要通过公共地阻抗进行。如果接地没有处理好,可能会对电路引入很大的地干扰,从而使电路不能正常工作。以Boost电路为例,如果MOSFET的S极接地没有处理,也就是说G极、S极、PWM信号和地之间构成地回路很大的话,电路就不能正常工作,有时候PWM信号无法驱动MOSFET,这就是通过公共地阻抗给Boost电路引入了一个很大的干扰。因此,在使用通用板子来布电路的时候,必须注意这些细节,S极与地之间的导线要尽量短。使用通用板子时,尽量用粗一点线来作为地线,还有,能够连在一起的地应尽量连在一起,接地点尽量粗一点,还可以尽量加粗地线宽度,减少环路电阻。若地线很细或者接地点很小,接地电位则随电流的变化而变化,使抗噪声性能变坏。使用通用板子时,还必须注意功率电路的地对信号地的干扰。
2.4变压器的设计
为了尽可能地减小变压器的电磁噪声,就要使其原边绕组和副边绕组的耦合系数尽可能接近1,从而减小漏磁通,达到减小漏感的目的。这就需要在变压器的设计上下功夫,使原边绕组和副边绕组尽可能地靠近,同时和磁芯也要尽量靠近,这样漏磁通就会减到最小。根据这个原则,最好的绕法就是原边和副边交叉并绕,这样能达到使漏电感最小的目的。但是在实际应用中,变压器还要考虑原副边之间的高压隔离,所以实际当中更多应用的是“三明治”的夹心绕法(如图3所示),即绕一层原边,绕一层副边,再绕一层原边,或者一层副边,一层原边,最后一层副边,这就能使原副边之间的耦合更好,减少漏感,减少由于漏感引起的电磁感应噪声。(设计导线线径的时候,除了应当考虑通过的电流大小和趋肤效应之外,还应当力争让导线将每层都铺平,而不要出现稀疏的两三匝的现象,只有这样,原副边的耦合效果才能进一步提高)。图4给出了实验波形图,从图4可知,用夹心绕法绕制的变压器,MOSFET上的振荡小了很多。

图3变压器的夹心绕法图

(a)普通绕法

(b)夹心绕法
图4MOSFET的D、S之间的波形
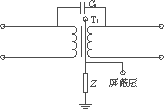
为了减少变压器的辐射干扰,制作变压器的屏蔽层时,常采用的方法是在变压器的线包和磁芯外表面包上一层薄薄的铜皮。为了能减小原副边的分布电容,还可以在变压器的初、次级绕组之间加一层静电屏蔽。具体的作法是在绕制完初级绕组后,包上一层0.02~0.03mm厚的薄铜皮,铜皮的始端和末端必须有3~5mm长的重叠(重叠部分必须相互绝缘)。为了保证静电屏蔽达到预期的目标,关键是从工艺设计上减小漏电容Cs和接地阻抗Z的大小,如下图5所示。

图5变压器原副边的经典屏蔽
3其他减少电磁干扰的方法
3.1元器件的布局
在设计电路时,通常骚扰源和受扰电路由于受到工作条件的限制而难以避免。这时,应尽量将相互关联的元器件摆放在一起,以避免因器件离的太远而造成印制线过长所带来的干扰;再者将输入信号和输出信号尽量放置在引线端口附近,以避免因耦合路径而产生的干扰。
3.2散热片的安装
考虑到可能恶化电路运行状态的功率器件发热问题,可以给功率器件安装散热片,既能散热,又可以减小电磁噪声。为了使功率开关管和散热器能有良好的热传导,常在功率开关管与散热器之间抹上导热性能良好的绝缘硅胶(为了保证有良好的绝缘,常常还在中间垫绝缘垫片,防止散热片带电)。这些硅胶和绝缘垫片相当于在功率管和散热片之间串联了耦合电容Ck。因此,功率开关管在快速开断时产生的电磁噪声就会通过Ck耦合到散热片上面。从防止各个开关管之间的噪声相互串扰的角度来考虑,最好是每个功率管用一个独立的散热片,而不是几个功率开关管公用一个散热片。
4结语
随着电子产品的电磁兼容性日益受到重视,抑制开关电源的EMI,提高电子产品的质量,使之符合有关标准,已经成为人们越来越关注的问题。本文对反激式功率因数校正电路的骚扰源进行了分析,同时给出了相应的解决方案,另外,还对此电路的电磁兼容的设计进行了详细的分析。