OTL是英文Output Transformer Less Amplifier的简称,是一种无输出变压器的功率放大器。
一. OTL电子管功放电路的特点
普通电子管功率放大器的输出负载为动圈式扬声器,其阻抗非常低,仅为4~16Ω。而一般功放电子管的内阻均比较高,在普通推挽功放中屏极至屏极的负载阻抗一般为5~10kΩ,故不能直接驱动低阻抗的扬声器,必须采用输出变压器来进行阻抗变换。由于输出变压器是一种电感元件,通过变压器的信号频率不同,其电感线圈所呈现的阻抗也不同。为了延伸低频响应,线圈的电感量应足够大,圈数也就越多,因此在每层之间的分布电容也相应增大,使高频扩展受到限制,此外还会造成非线性失真与相位失真。
为了消除这些不良影响,各种不同形式的电子管OTL无输出变压器功率放大器应运而生,许多适用于OTL功放的新型功率电子管在国外也不断被设计制造出来。电子管OTL功率放大器的音质清澄透明,保真度高,频率响应宽阔,高频段与低频段的频率延伸范围一般可达10HZ~100kHz,而且其相位失真、非线性失真、瞬态响应等技术性能均有明显提高。
二 电子管OTL功放电路的形式
图1(a)~图1(f)是OTL无输出功放基本电路。图1(a)和图1(b)为OTL功放两种供电结构的方式,即正负双电源式和单电源供电方式。在正负双电源式OTL功放中,中心为地电位。这样可保证推挽电路的对称性,因此可以省略输出电容,使功放的频率响应特性更佳。单电源式OTL电路为了使两只推挽管具有相同的工作电压,必须使中心点的工作电压等于电源电压的一半。同时,其输出电容C1的容量必须足够大,不影响输出阻抗与低频响应的要求。

图1(c)和图1(d)为OTL功放电子管栅极偏置的取法。由于上边管阴极不接地,因此上边管的推动信号由栅极与阴极之间加入,而下边管的推动信号可由栅极与地之间加入。至于其偏置方式,上边管可通过中心点对地分压后取出,而下边管的偏置电压必须另设专门的负压电源来供给。
图1(e)和图1(f)为OTL倒相电路的应用。图1(e)为采用屏阴分割式倒相电路对OTL功放进行激励。只要倒相管的屏极负载电阻RL与阴极负载电阻RK的阻值相等,其输出的激励电压总能获得平衡。
图1(f)为采用共阴极差分式倒相电路。由于共阴极电阻RK,的阻值较大,具有深度负反馈作用,故电路稳定可靠。同时,只要担任差分放大的上管与下管的屏极负载电阻取值相等,其两管的屏极总能输出一对相位相反、幅值相等的推动信号电压。
三、OTL功放电路的选管
对于电子管OTL功放的输出级,不是所有功率电子管均能适用,必须选用符合如下条件的功率电子管才能取得良好的效果。
1.低内阻特性
一般功率电子管的屏极内阻为10kΩ左右,不适用于OTL功放。OTL功放必须选用屏极内阻在200~800Ω的功率电子管。这些低内阻功率电子管有6AS7、6N5P、6C33C-B、6080、6336等。
2.低屏压、大电流特性
一般功率电子管的屏极电压均为400V左右,高屏压电子管可达800~1000V,而OTL功放必须选用屏极电压在150~250V之间的低屏压、大电流特性的功率电子管来担任。以上所列低内阻功率电子管均具有低屏压、大电流的工作特性。此外还有6C19、6KD6、421A、6146等功率电子管。这些电子管本身具有低屏压、大电流特性,但其屏极内阻稍高,应多管并联才能适用于OTL功放。
3.采用新型OTL功放专用功率电子管
这类电子管不仅内阻较低,而且具有低屏压、大电流特性,如6HB5、6LF6、17KV6、26LW6、30KD6、40KG6等。为了降低电子管灯丝的功耗,许多用于OTL功放的功率电子管的灯丝电压提高到20~40V,以便于串联使用。
四几种OTL功放典型电路
1.新型三极功率管OTL功放
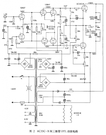
图2是6C33 C-B双三极管OTL功放电路图。本电路采用国外新型低内阻、大功率双三极管6C33C-B作OTL功放,每个声道用一对6C33C-B作功率放大,在输出8Ω负载时,每声道的输出功率可达40W。

本OTL功放输入级采用高放大系数双三极电子管12AX7组成前级差分兼倒相电路。该电路具有输入阻抗高、动态范围大的特点。为了拓宽频响、减小相位失真,输入级与推动级之间采用直接耦合的方式。为提高前级增益,在差分输入管12AX7的阴极加上-22 V 电压,并串接了一只1.1mA的恒流二极管,使前级工作更加稳定可靠。
推动放大级由中放大系数双三极电子管12BH7担任,该管特性与l2AU7、12JD8、5687等双三极管特性相近。为了增大屏极电流,提高推动级输出能力,特将两只三极管并联使用,每管屏极电压高达265V,组成共阴极推动放大电路。为提高推动级各项电性能、减小失真、拓宽频响,在两管的阴极加有较深的电流负反馈。
OTL功放输出级每个声道采用一对新型双三极功率电子管6C33C-B。前级一对幅值相等、相位相反的推动信号经过两只0.47 F电容耦合至功放管。
本OTL功放级采用正负双电源形式,其功放级工作电压为±182V。功放管6C33C-B的栅极与阴极间的最高负压值为-60V,上边管的栅负压由单独的负压电源供给,下边管的栅负压则由另一组负电压供给。
为提高OTL功放的各项电性能,在OTL中点输出端与输入端之间通过1.8kΩ电阻加了适当的电压负反馈,使整机电性能稳定可靠。本机的频率响应为10Hz~200kHz(±0.1dB)。
在OTL功放电源供给方面,功放级的正负高压由电源变压器中135V/1.3A绕组经二极管正反相整流滤波后取得±182V高压。输入级与推动级的屏极高压由电源变压器300V/0.1A绕组经二极管桥式整流滤波后输出+395V高压,并经去耦电阻降压后得到+265V和+140V电压,分别供给12AX7和12BH7。栅负压电源分为两组,由电源变压器中的两个独立绕组60V/50mA经整流滤波后分别供给OTL功放管的栅极作为栅负偏压,并通过两只20kΩ可变电位器进行调节。灯丝电源分为3组,前级各声道为2组。功放管6C33C-B灯丝有两种用法,当串联使用时为12.6V/3.3A,并联使用时为6.3V/6.6A,本机采用的是串联方式。
2.普通三极管OTL功放
图3是6KD6五极管OTL功放电路图。它是将普通束射四极管或五极功率电子管改为三极管接法的OTL功放,利用了电子管帘栅极在相同栅压下可以输出较大电流的特点。原来由于相对的屏极内阻较大,限制了工作电流,但改成三极管接法以后,帘栅极的电压与屏极电压处于同等电位,屏极内阻大幅度下降,加强了屏极承受较大电流的能力,因此能在低阻抗负载下输出较大功率。

对于普通功率电子管改成三极管接法的OTL功放来说,并不是所有功率管均能采用,必须选用屏极电压范围较大的束射四极管或五极功率电子管,如6KD6、6L6、6P3P、6146等。同时,功放级还必须采用多只功率管并联的方式,在8Ω低阻抗负载时,每声道采用6只功率管并联才能符合低阻抗负载的要求,并且输出功率仅为30W 左右。
本OTL功放的输入级由高放大系数电子管6J2担任,可将输入的音频信号进行较大幅度提升,单级电压增益可达30dB以上。经放大后的信号电压采用直接耦合的方式传输至倒相级。倒相级由高屏压双三极管6SN7担任,屏极电压取值为340V。由该管组成屏阴分割式倒相电路,屏极与阴极的负载电阻均取值为33kΩ。这样,在输出端即可取得一对幅值相等、相位相反的推动信号电压。
OTL功放级采用SEPP并联推挽电路,可选用6KD6、6L6、6P3P等屏压范围大的功放管,并将其改为三极管接法。采用6只功放管并联的输出方式,使输出阻抗达到8~16Ω。
功放级电源为正负双电源形式,取值为±230V。功放管栅极负压应根据不同功率管特性决定,上边管与下边管通过各自的分压网络并通过调控电位器后获得。