高频开关电源运行(电子)允许使用小型被动元件、硬开关模式会导致开关损耗增加,以减少高频转换开关损耗,产业发展软交换技术,负载谐振技术和零电压转换技术被广泛地使用着。这里有负载谐振技术使用电容和电感整个天线的谐振特性在转换期间,开关频率作为输入电压和电流的变化。
开关频率的变化,如脉冲频率调制(烤瓷)含电子滤波设计带来了诸多困难输入。因为没有用于滤波电感,输出电压在攻防两端都含有设计师选用低整流二极管可以适用于额定电压二极管。然而,当负载电流增加,缺乏电感电容的损失带来的负担,负载谐振技术并不适用于高输出电流和低电压。另一方面,电压转换技术使用一种寄生作文只有在开启和关闭电路交换转换的天线的谐振特性仅一步之遥。其中的一个好处就是使用这些技术寄生部件,如主变压器漏电感和电容,产量增加更多的外部组件无开关来实现软开放。此外,科技的应用有固定的开关频率脉宽调制技术,这些技术,因此更容易理解负载谐振技术的基础上,分析和设计。
疯狂是因为PWM半桥逆变对称与简单的配置和零电压开关(零电压)的特点,运用的是零电压转换技术是一种最常见的拓扑结构。不仅如此,与负载谐振转换器,LLC拓扑不对称半桥逆变有型电感,其输出电流输出脉动小的部件都可以通过适当的输出电容。由于分析和设计,并输出功率电感,所以不对称半桥逆变通常用于PWM高输出电流和低电压的应用,如电脑和服务器供电。为了更好地处理输出电流、常在次级使用同步整流器,由于传输损失可替代损失的阻力损失二极管。比起LLC转换器,实现对非对称半桥逆变同步整流器驱动更方便,除此之外,目前主变压器的增加表头的利用率高功率流的常见的解决方案。这个疯狂的电流放大器和同步整流器非对称型半桥逆变和共同的特征的实例,一些实验结果,样品用于非对称拓扑电源开关控制。疯狂的电流放大器和同步整流器非对称型半桥逆变优势,由低到高的电压和电流输出电流、应用广泛应用成倍增长。图1显示的是一个电流在次级乘数对称半桥逆变PWM二次线圈是单一的结构和输出电感器可分为两个较小的电感。为了提高整体的效率很低,使用关系型数据库(在)器件构成同步整流器、同步整流器(SR)。与传统的中心分流式(中心),相比有许多优点,配置窃听当前乘数:首先,直流励磁电流部件小于或等于中心分流式直流分量,并配置,可使用小磁芯变压器。每个输出的电感电流加载时,承担一半的中心挖掘型励磁电流形态是相似的。
如果输出数据的电感电流加载熊失衡,励磁电流也将减少。其次,线圈电流的平方根次级(根-花不到,均方根)-为这种类型的配置,中心几乎一半的负载电流流过每输出电感。鉴于此,本文对二次线圈电流密度低,你都可以用同一磁场和相同的电线的规格说明细看一遍。第三,身体是一个简单的解决方案中心是特别值得注意的因为变压器线密码的限制,可以用在许多应用程序的输出。第四,我们可以更方便、有效的输出信号的网格为SR电感线圈的比率,由于第一和第二卷变压器的比例,但是只有足够小的输出为适当的电感,如电网电压轻易20V 10伏特的电压之间的,。另外,独立的产量将会降低成本的电感磁更大的负担。鉴于上述几个优势,当前的乘数高输出电流是其中最常用的拓扑结构。

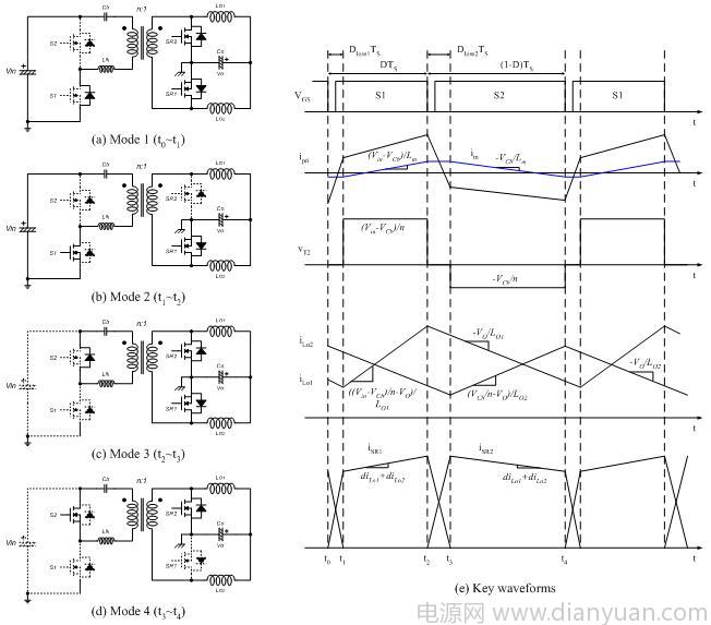
图1 使用电流倍增器的非对称PWM半桥转换器
建议的转换器运作原理
如图 2 所示,从供电模式 2 开始,由于 S1 开启,Vin-VCb 施加到变压器的初级端,励磁电流 im 以斜率 (Vin-VCb)/Lm.增加,由于 SR2 关断,LO1 的电流斜率就由 (Vin-VCb)/n 减去输出电压决定。另一方面,LO2 的电流以斜率 –VO/LO2减小,这是流经 SR1 的续流 (free-wheeling)。当两个输出电感分享负载电流时,SR1 承担全部负载电流。变压器的次级绕组仅处理 iLO1 ,因而 iLO1/n 是反射到变压器初级端的电流,它在励磁电流上叠加,构成初级电流 ipri。在实际上,由于漏电感的现象,所以 vT2 较图 2 所示的数值稍低,但我们在这一章段中将忽略这一情况,从而简化分析。

图2 建议转换器的运作分析