<strong>description
These micropower two-terminal band-gap voltage references operate over a 20-?A to 20-mA current range and feature exceptionally low dynamic impedance and good temperature stability. On-chip trimming provides tight voltage tolerance. The band-gap reference for these devices has low noise and long-term stability.
The design makes these devices exceptionally tolerant of capacitive loading and thus, easier to use in mostreference applications. The wide dynamic operating temperature range accommodates varying current supplies with excellent regulation.
The extremely low power drain of this series makes them useful for micropower circuitry. These voltage references can make portable meters, regulators, or general-purpose analog circuitry with battery life approaching shelf life. The wide operating current range allows them to replace older references with tighter-tolerance parts.
TheLM385DR-2.5 is characterized for operation from –40°C to 85°C. The LM385-2.5 and LM385B-2.5 are characterized for operation from 0°C to 70°C.

The D package is available taped and reeled. Add the suffix R to the device type (e.g., LM385DR-2-5)。 Chip forms are tested at 25°C.
For ordering purposes, the decimal point in the part number must be replaced with a hyphen (i.e., show the -2.5 suffix as “-2-5”)。
logic symbol

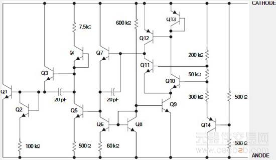
schematic LM385DR-2.5

·Operating Current Range . . . 20 µA to20 mA
·。5% and 3% Initial Voltage Tolerance Reference Impedance
– LM385DR-2.5 . . . 1Max at 25°C
– All Devices . . . 1.5 Max Over Full
·Temperature Range
·Very Low Power Consumption
Applications:
– Portable Meter References
– Portable Test Instruments
– Battery-Operated Systems
– Current-Loop Instrumentation
·– Panel Meters
Designed to be Interchangeable With
National LM285-2.5 and LM385DR-2.5
